Curiosii for ever!
: Car repair manuals for everyone.
Home
>>
Saab
>>
2006
>>
9-2X F4-2.5L
>>
Repair and Diagnosis
>>
Heating and Air Conditioning
>>
Testing and Inspection
>>
Component Tests and General Diagnostics
>>
Compartment Temperature Does Not Change
Compartment Temperature Does Not Change
Compartment Temperature Does Not Change, Or A/C System Does Not Respond Promptly
Trouble Symptom
-
Compartment temperature is not changed. (No cool air is discharged.)
-
A/C system does not respond quickly.
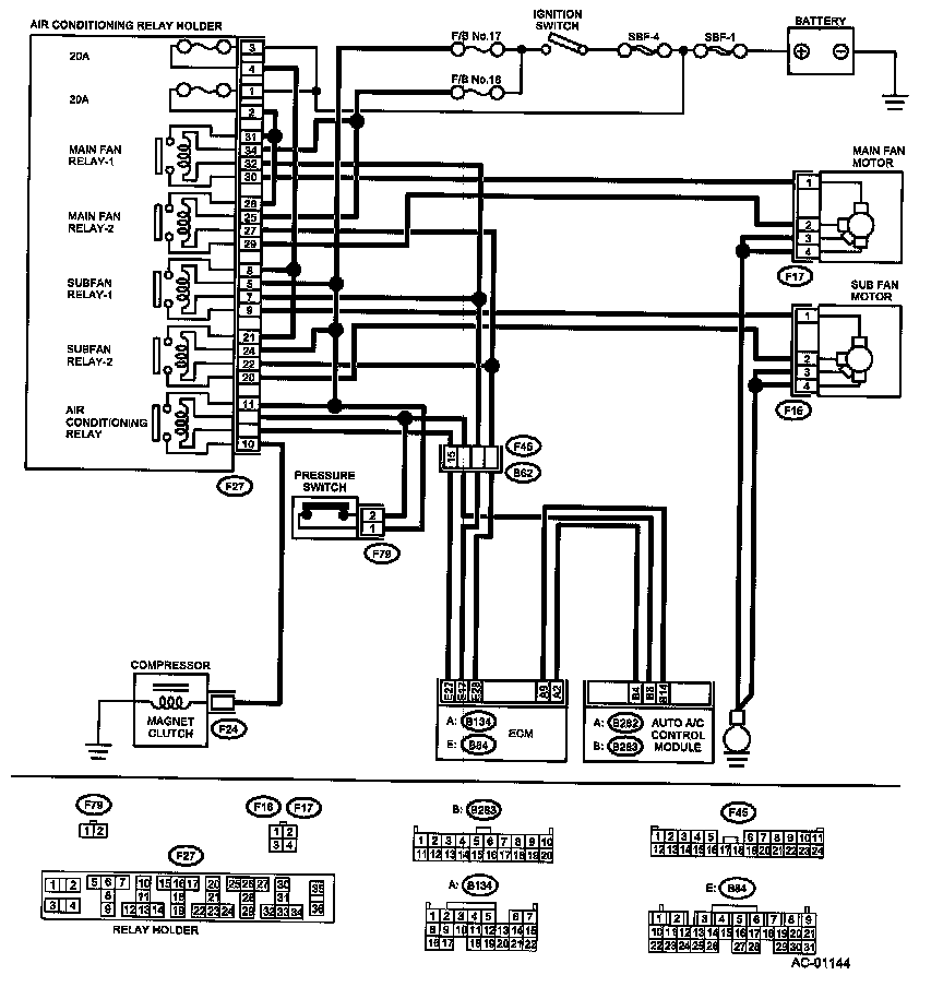
Wiring Diagram:
Step 1 - 8:
Step 9 - 18: