Curiosii for ever!: Car repair manuals for everyone.

Rocker Arm Assembly: Service and Repair

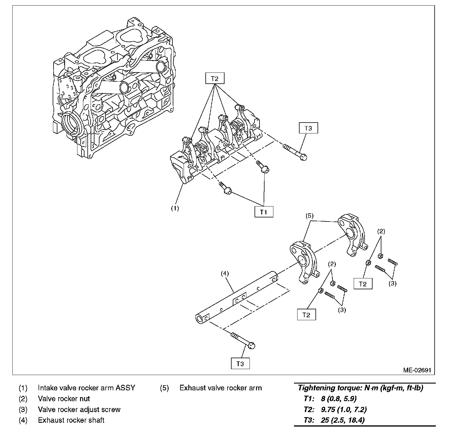
Valve Rocker Assembly

VALVE ROCKER ASSEMBLY:





REMOVAL
1. Remove the V-belts.
2. Remove the crank pulley.
3. Remove the timing belt cover.
4. Remove the timing belt.
5. Remove the cam sprocket.
6. Disconnect the PCV hose and remove the rocker cover.
7. Remove the valve rocker assembly.
1. Using ST, rotate the spring stopper in the arrow direction to remove it from adjuster pin.
ST 18258AA000 SPRING INSTALLER








2. Remove the bolts (a) through (j) in alphabetical sequence.

NOTE: Leave two or three threads of bolts (i) and (j) engaged in order to retain the valve rocker assembly.





3. Remove the valve rocker assembly.

NOTE: Set the ST in the position shown in the figure to remove the intake valve rocker assembly.

ST 18354AA000 VALVE ROCKER HOLDER





INSTALLATION
1. Install the valve rocker assembly.
1. Temporarily tighten the bolts equally in alphabetical order.

NOTE:
^ Do not temporarily tighten the bolts (i) and (j).
^ Set the ST in the position shown in the figure to install the intake valve rocker assembly.

ST 18354AA000 VALVE ROCKER HOLDER





2. Tighten the bolts (a) through (h) to specified torque.
Tightening torque: 25 Nm (2.5 kgf-m, 18.4 ft. lbs.)
3. Tighten the bolts (i) through (j) to specified torque.
Tightening torque: 8 Nm (0.8 kgf-m, 5.9 ft. lbs.)





4. Using ST, rotate the spring stopper in the arrow direction to secure it to adjuster pin.
ST 18258AA000 SPRING INSTALLER








2. Adjust the valve clearance.
3. Tighten the bolts of rocker cover and rocker cover gasket in alphabetical order shown in the figure, and connect the PCV hose.

NOTE:
^ Use new rocker cover gasket.
^ Tighten bolts in two stages in alphabetical sequence as shown in the figure.

Tightening torque:
1st 6.4 Nm (0.65 kgf-m, 4.7 ft. lbs.)
2nd 6.4 Nm (0.65 kgf-m, 4.7 ft. lbs.)





4. Install the cam sprocket.
5. Install the timing belt.
6. Install the timing belt cover.
7. Install the crank pulley.
8. Install the V-belt.

DISASSEMBLY

NOTE: Intake valve rocker assembly can not be disassembled.

1. Remove the exhaust valve rocker arm from rocker shaft.

NOTE: Keep all the removed parts in order for re-installing in their original positions.

2. Remove the nut and adjusting screw from valve rocker.

ASSEMBLY

NOTE: Intake valve rocker assembly can not be disassembled.

1. Install the adjusting screw and nut to exhaust valve rocker arm.
2. Insert the valve rocker arm into rocker shaft.

NOTE: Valve rocker arms and rocker shaft have identification marks. Ensure the parts with same markings are properly assembled.

INSPECTION
1. INTAKE VALVE ROCKER ASSEMBLY
1. If the roller or valve contact surface of valve rocker arm is worn or dented excessively, replace the valve rocker assembly.
2. Check that the valve rocker arm roller rotates smoothly. If not, replace the valve rocker assembly.

2. EXHAUST VALVE ROCKER ASSEMBLY
1. Measure the inner diameter of valve rocker arm and outer diameter of valve rocker shaft, and make sure the difference (oil clearance) between the two values.
Clearance between arm and shaft.
Standard. 0.020 - 0.054 mm (0.0008 - 0.0021 inch)
Limit. 0. 10 mm (0. 0039 inch)








2. If the oil clearance exceeds the limit, replace the valve rocker arm or shaft, whichever shows greater amount of wear.
Rocker arm inside diameter. 22.020 - 22.041 mm (0.8669 - 0.8678 inch)
Rocker shaft diameter. 21.987 - 22.000 mm (0.8656 - 0.8661 inch)
3. If the cam or valve contact surface of valve rocker arm is worn or dented excessively, replace the valve rocker arm.
4. Check that the valve rocker arm roller rotates smoothly. If not, replace the valve rocker arm.