Curiosii for ever!
: Car repair manuals for everyone.
Home
>>
Saab
>>
2006
>>
9-2X F4-2.5L
>>
Repair and Diagnosis
>>
Diagrams
>>
Electrical Diagrams
>>
Automatic Transmission/Transaxle
>>
System Diagram
>>
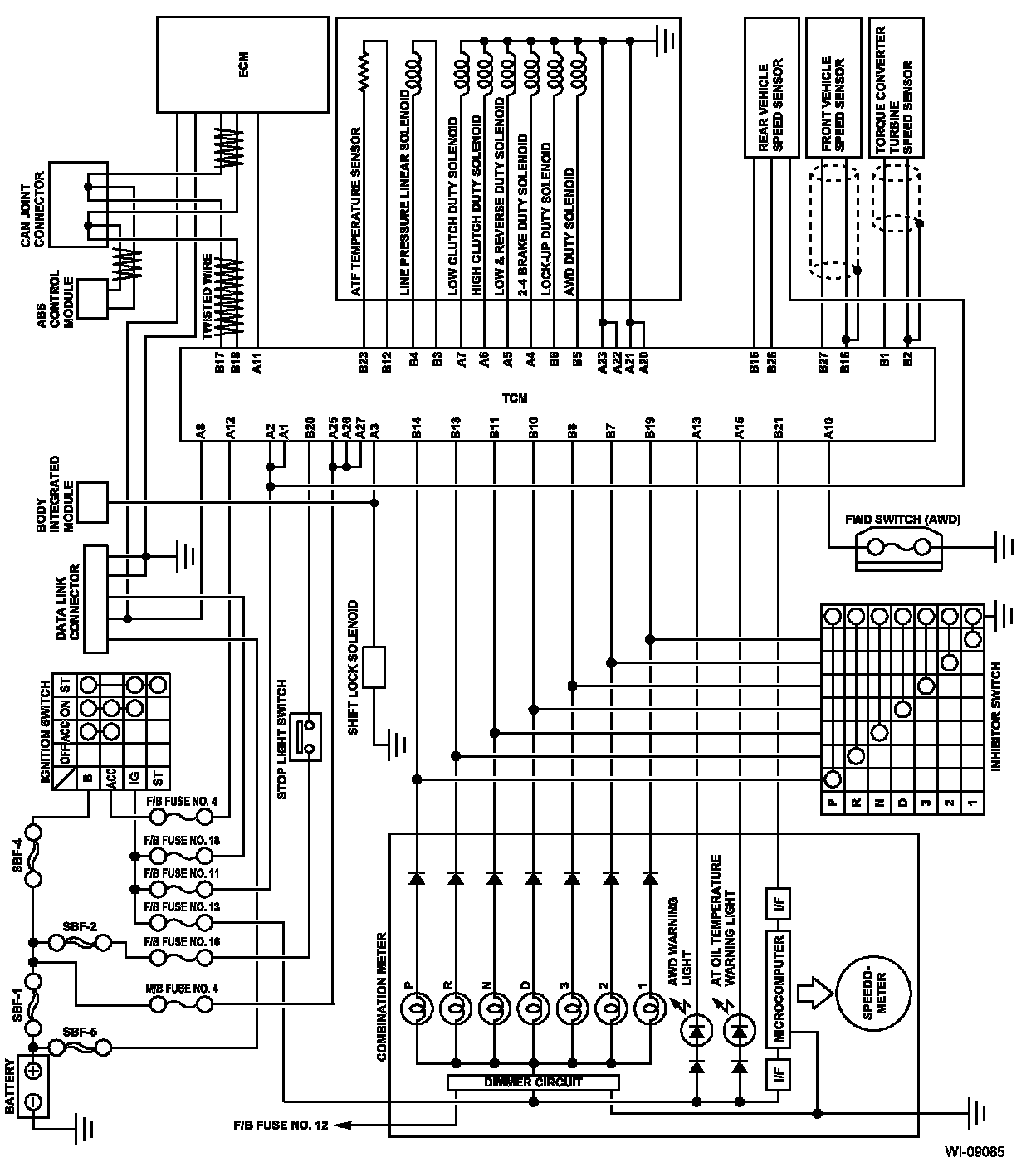
System Overview Schematic
System Overview Schematic
System Overview Schematic: