Curiosii for ever!: Car repair manuals for everyone.

Positive: Service and Repair



Battery Positive Cable Replacement (4.2L Engine)

Removal Procedure




1. Disconnect the battery negative cable. Refer to Battery Negative Cable Disconnection and Connection (Service and Repair).
2. Loosen the battery positive cable bolt.
3. Remove the positive battery cable (1) from the battery.




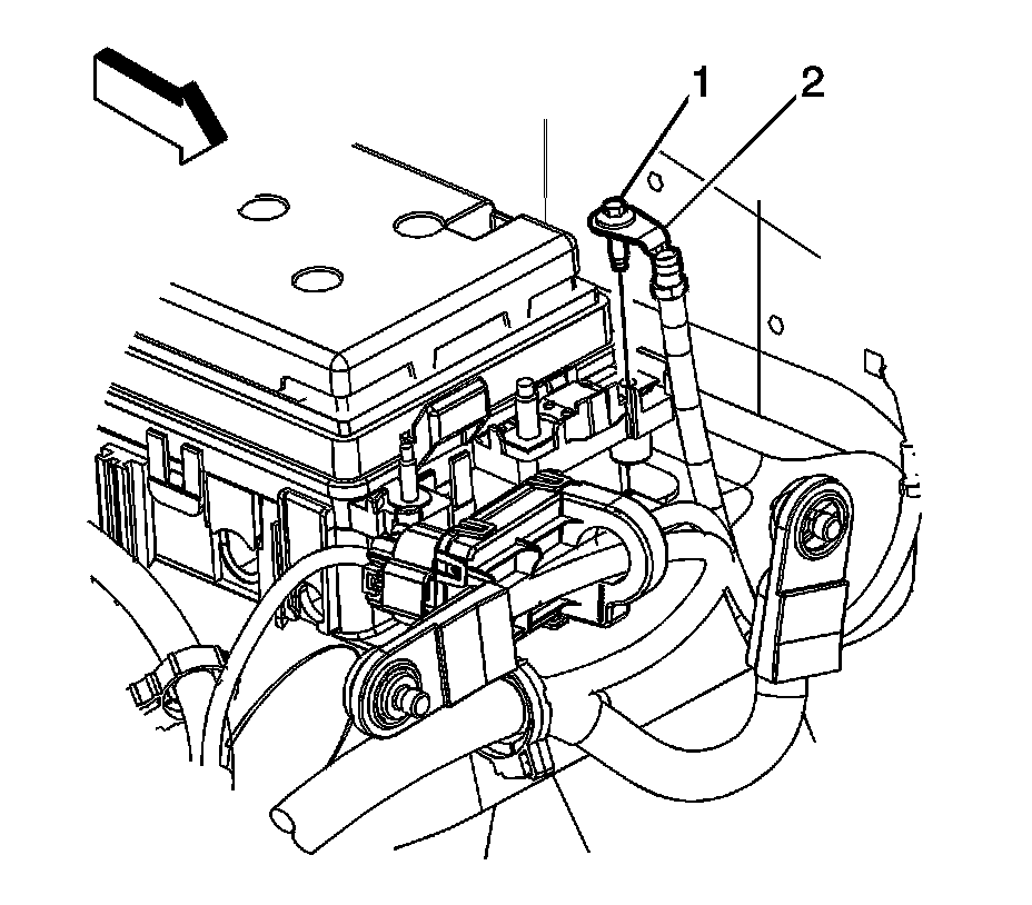
4. Loosen the positive battery cable terminal bolt (1) at the junction block.
5. Remove the positive battery cable terminal (2) from the junction block.
6. Disconnect the battery cable conduit from the conduit retaining clip.
7. Remove the battery positive cable from the conduit.
8. Remove the battery positive cable harness from the fir-tree retainer on the powertrain control module (PCM) bracket.




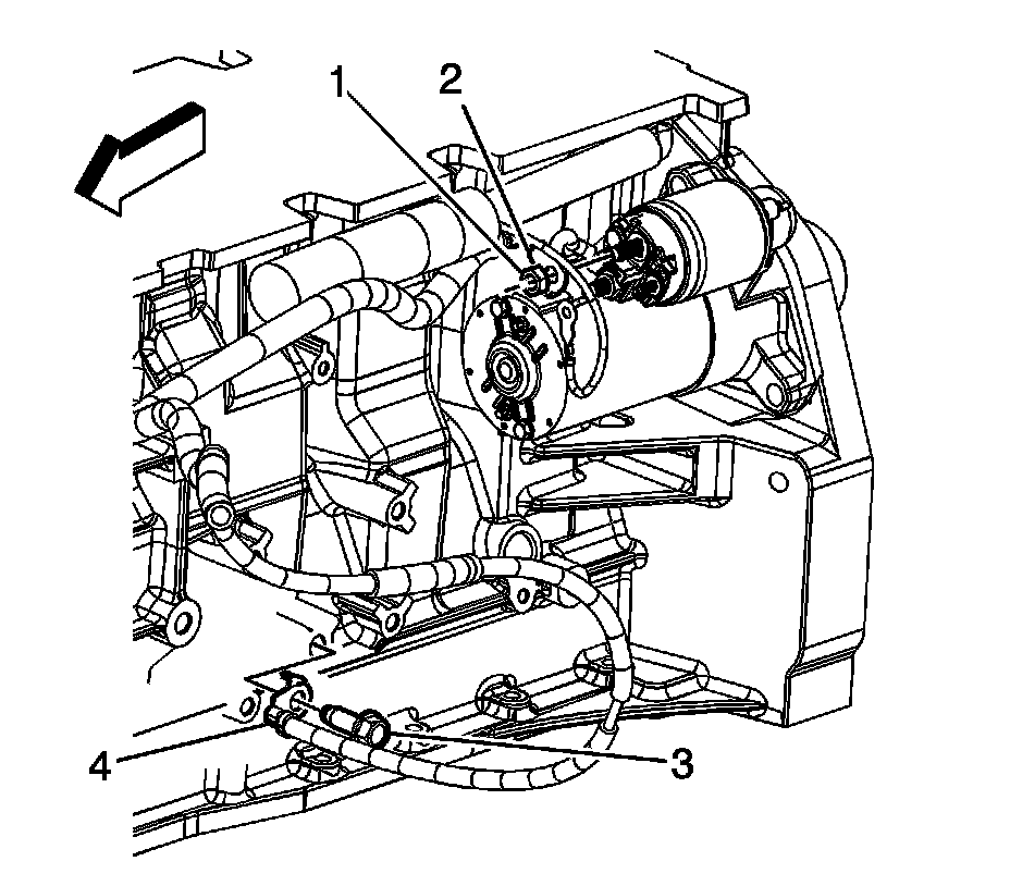
9. Remove the positive battery cable nut (1) from the starter.
10. Remove the positive battery cable terminal (2) from the starter.




11. Reposition the positive battery cable boot (3).
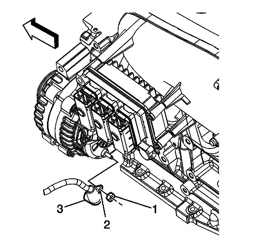
12. Remove the positive battery cable terminal nut (1).
13. Remove the positive battery cable from the generator.
14. Remove the battery positive cable from the vehicle.

Installation Procedure




1. Position the battery positive cable in the engine compartment.
2. Install the positive battery cable to the generator.

Notice: Refer to Fastener Notice (Fastener Notice).

3. Install the positive battery cable terminal nut (1).

Tighten the nut to 9 Nm (80 in. lbs.).

4. Position the positive battery cable boot (3).




5. Install the positive battery cable terminal (2) to the starter.
6. Install the positive battery cable nut (1) to the starter.

Tighten the nut to 9 Nm (80 in. lbs.).

7. Install the battery positive cable harness to the fir-tree retainer on the PCM bracket.
8. Install the battery positive cable into the conduit.
9. Connect the battery cable conduit to the conduit retaining clip.




10. Install the positive battery cable terminal (2) to the junction block.
11. Tighten the positive battery cable terminal bolt (1) at the junction block.

Tighten the bolt to 10 Nm (89 in. lbs.).




12. Install the positive battery cable (1) to the battery.
13. Tighten the battery positive cable bolt.

Tighten the bolt to 15 Nm (11 ft. lbs.).

14. Connect the battery negative cable. Refer to Battery Negative Cable Disconnection and Connection (Service and Repair).