Curiosii for ever!: Car repair manuals for everyone.

Front ABS Sensor

INSPECTION
ABS WHEEL SPEED SENSOR
Check the pole piece of ABS wheel speed sensor for foreign particles or damage. If necessary, clean the pole piece or replace ABS wheel speed sensor.
Measure the ABS wheel speed sensor resistance.

If the resistance is outside standard value, replace the ABS wheel speed sensor with a new one.








Note: Check the ABS wheel speed sensor cable for discontinuity. If necessary, replace with a new one.

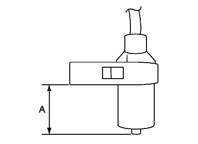
SENSOR GAP
Measure the distance "A" between ABS wheel speed sensor surface and sensor pole face.





Measure the distance "B" between surface where the front axle housing meets the ABS wheel speed sensor, and the tone wheel.

Note: Measure so that the gauge touches the tone wheel teeth top.





(1) Axle housing
(2) Tone wheel

Find the gap between the ABS wheel speed sensor pole face and the surface of the tone wheel teeth by putting the measured values in the formula below and calculating.
ABS wheel speed sensor clearance = B - A
ABS wheel speed sensor standard clearance: 0.3 - 0.8 mm (0.012 - 0.031 inch)

Note: If the clearance is out of specification, readjust using spacer (Part No. 32009555).

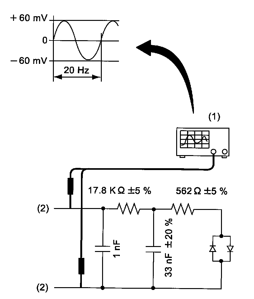
OUTPUT VOLTAGE
Output voltage can be checked by the following method. Install the resistor and condenser, then rotate the wheel about 2.75 km/h (2 MPH) or equivalent.
Output voltage specification: 0.12 to 1 Volts (at 20 Hz)

Note: Regarding terminal No., please refer to item 1. ABS WHEEL SPEED SENSOR.





(1) Oscilloscope
(2) Terminal