Curiosii for ever!: Car repair manuals for everyone.

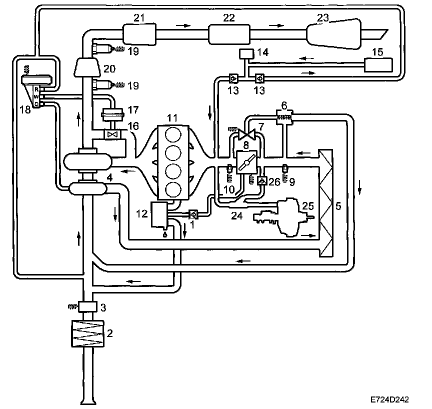
System Diagram - Intake, Turbo, Exhaust - 4-cyl.




System Diagram - Intake, Turbo, Exhaust - 4-cyl.







1. Check valve
2. Filter element
3. Mass air flow sensor
4. Turbocharger
5. Charge air cooler
6. Bypass valve
7. Solenoid valve
8. Throttle body
9. Charge air absolute pressure sensor/Intake air temperature sensor
10. Manifold absolute pressure sensor
11. Engine
12. Crankcase ventilation oil trap
13. Check valves
14. Purge valve
15. EVAP canister
16. Wastegate valve
17. Charge air regulator
18. Charge Air Control Valve
19. Oxygen sensor
20. Primary catalytic converter
21. Main catalytic converter
22. Front silencer
23. Rear silencer
24. Brake vacuum strengthener
25. Brake servo
26. Check valve