Curiosii for ever!: Car repair manuals for everyone.

Ignition Discharge Module



Ignition Discharge Module







Ignition
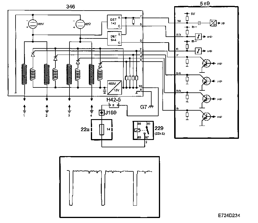
The ignition discharge module is located on the camshaft cover above the spark plugs. It contains 4 ignition coils, the secondary winding of which are connected to the spark plugs.

The ignition discharge module is powered with B+ from the main relay and is grounded to grounding point G7.

When the main relay operates, B+ is fed to the ignition discharge module, which converts the 12V to 400V DC and stores it in a capacitor. The 400V is connected to one of the poles of the primary winding on each of the 4 ignition coils.

There are 4 trigger leads running from the control module to the ignition discharge module connected as follows:
^ Cylinder 1 is connected to control module pin 7.
^ Cylinder 2 is connected to control module pin 54.
^ Cylinder 3 is connected to control module pin 55.
^ Cylinder 4 is connected to control module pin 8.

When the control module grounds pin 7, the other pole on the primary winding of the ignition coil for cylinder 1 will be connected to the B+ input on the ignition discharge module. 400V is stepped up to maximum 40kV in the ignition coil for cylinder 1. Ignition takes place for cylinder 2, 3 and 4 in the same way.

Diagnostics
^ If there is an open circuit in the power supply to the ignition discharge module, the voltage on all the trigger leads will be 0V and diagnostic trouble code P1310 will be generated.
^ If there is an open circuit on an individual trigger lead, diagnostic trouble codes will not be generated.

System reaction to a fault
^ Fuel shut-off

Combustion signals, synchronization







Trionic T7 does not have a camshaft sensor, which is normally a condition for sequential knock control and fuel injection.

On starting, the control module is not aware of which of the cylinders 1 or 4 that is in compression position. Consequently, ignition takes place in both cylinder 1 and 4 simultaneously. Ignition in cylinders 2 and 3 takes place in the same way.

The control module must determine if combustion has taken place in cylinder 1 or cylinder 4, respectively cylinder 2 or 3, when they are triggered.

This is achieved in the following way:
^ One of the poles on the secondary windings of the 4 ignition coils is connected to the respective spark plug as normal. The other pole is not grounded directly but is connected to 80V. This means that 80V is always present across the spark plug gap except just as the spark is produced.
^ When combustion has taken place, the temperature in the combustion chamber is extremely high. The gases ionize and start to conduct current. This means that a current passes across the spark plug gap without producing a spark.
^ Once the circuit across the spark plug gap has been completed, the 80V will drop sharply. The drop in voltage will be proportional to the pressure and temperature in the combustion chamber.
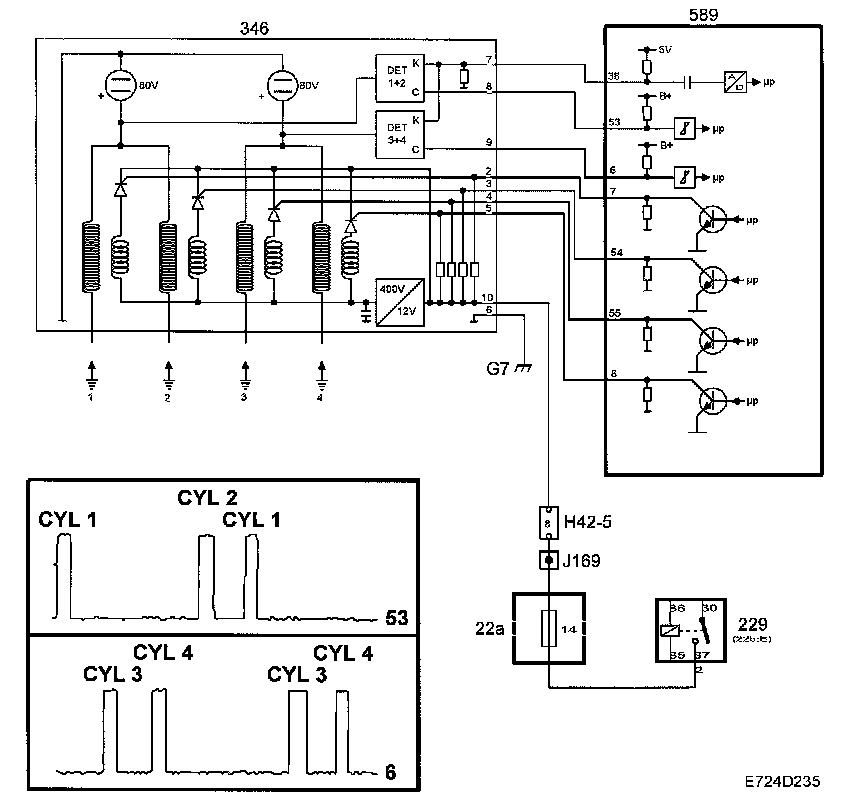
^ Two detectors measure the voltage drop across the cylinder pairs 1+2 and 3+4 respectively. If combustion takes place in cylinder 1 or 2, the ignition discharge module will send a B+ pulse to control module pin 53. In the same way, the ignition discharge module will send a B+ pulse to control module 6 if combustion takes place in cylinder 3 or 4.
^ If cylinder 1 and 4 are triggered and a B+ pulse is received on control module pin 53 at the same time, the control module will be made aware that cylinder 1 has fired.
^ As soon as the combustion signals arrive at control module pin 53 or 6, both ignition and fuel injection are synchronized to the engine firing order.

The combustion signals are also used to detect misfiring.







Diagnostics

Combustion signals
If there is an open circuit on both leads to control module pins 53 and 6, the ignition and injection will not be synchronized. Knock detection will then take place in parallel on cylinders 1+4 and cylinders 2+3.
^ If there is an open circuit to control module pin 53, diagnostic trouble code P1312 will be generated.
^ If there is an open circuit to control module pin 6, diagnostic trouble code P1334 will be generated.
^ If the ignition cannot be synchronized to the camshaft position, diagnostic trouble code P0340 will be generated.

System reaction to a fault
^ Knock detection takes place in parallel on cylinders 1+4 and cylinders 2+3.

NOTE: If there is a short circuit on any of the two combustion signals to ground, synchronization will not be performed and there will be no diagnostic trouble codes generated for the specific fault. A diagnostic code for misfiring will be generated instead.

Misfiring
^ Emission-related misfiring will generate diagnostic trouble code P0300-P0304.
^ If catalyst damaging misfiring occurs, diagnostic trouble code P1300-P1304 will be generated. CHECK ENGINE will flash during the misfiring.
^ If catalyst damaging misfiring occurs in conjunction with a fuel level below 4 litres, diagnostic trouble code P1390-P1394 will be generated. CHECK ENGINE will flash during the misfiring.

System reaction to a fault
^ Closed loop is blocked at high engine loads.

NOTE: To ensure optimal engine performance, the correct ignition discharge module must be used. Red ignition discharge modules must not be used.