Curiosii for ever!: Car repair manuals for everyone.

Checking For Open Circuits/Short Circuits



Checking For Open Circuits/Short Circuits

General







A multimeter is a suitable instrument to use.

An ohmmeter must not be used to measure components containing semi-conductors such as control modules and relays with time delay functions, etc.

When measuring resistance, the power supply to the system being tested must be cut because the measuring instrument applies a small measuring current to the circuit it is testing.

This ensures that there is no current already present in the circuit in question and that the correct test reading is obtained.

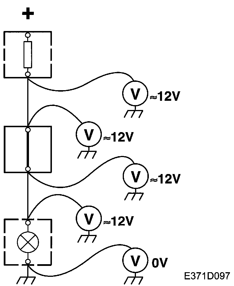
Measuring voltage to check for open circuits.










1. Engage the load.
2. Set the multimeter to voltage measurement and connect its minus cable to a good grounding point.
3. Connect the voltmeter positive cable to the point where the voltage is to be tested.
4. On the output side of a switch/control module, it is best to start there and then gradually move out towards the load.
The break point in the circuit has been passed when the voltage disappears.
5. On the input side of a switch/control module/consumer, it is best to start at the closest point to the power source (often the fuse) and then gradually move towards the switch/control module/consumer.

The break point in the circuit has been passed when the voltage disappears.

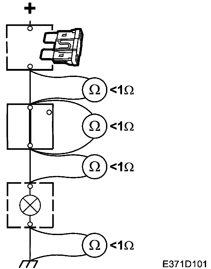
Measuring resistance to check for open circuits










1. Make sure the component or lead being tested is not carrying a current (e.g. by removing the associated fuse).
2. Set the multimeter to resistance measurement and connect it across the component/lead being tested.
3. Move the wiring harness in question while observing the ohmmeter.
The resistance of the wiring harness should normally be less than 1 ohm. A specified value applies to components.

Checking For Short Circuits To Ground










1. Make sure the lead being tested is not carrying a current (e.g. by removing the associated fuse) and that any load has been disengaged.
2. Set the multimeter to resistance measurement.
3. Connect one test cable to a good ground and the other to the point to be tested.
4. Carefully move the wiring harness and make sure the multimeter shows infinite resistance (OL) the whole time.