Curiosii for ever!: Car repair manuals for everyone.

Scan Tool Screen Does Not Come Alive When ON Button Is Pressed



Fault The Diagnostic Tool's Screen Does Not Come Alive When The ON Button Is Pressed.







Fault symptoms
The diagnostic tool's screen does not come alive when the ON button is pressed. No system can be contacted.

Condition
The following conditions are applicable:
- Battery OK.

Diagnostic help
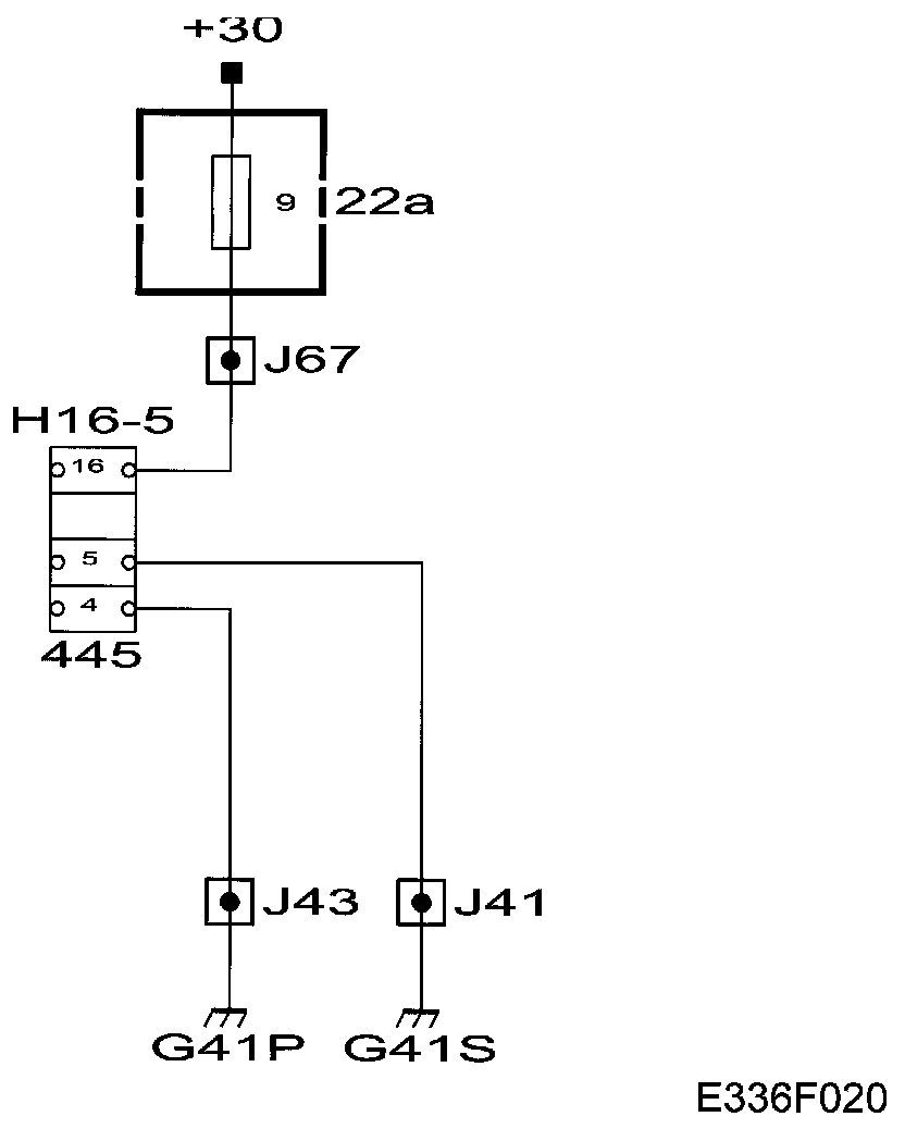
First check that no slide-out of the data link connector pins for current supply (+30 circuit) and ground has occurred. Then use a test lamp to check whether any lead and/or fuse supplying the data link connector with current is faulty.

Following this, check whether the diagnostic tool works on another car.

If no fault can be found, decide whether to repair or replace the diagnostic tool.

Checking the wiring harness
Jiggle the wiring harness at several points and in different directions to detect intermittent breaks and short-circuits in the leads. Observe the multimeter, test lamp or diagnostic tool during the test.