Curiosii for ever!: Car repair manuals for everyone.

Bus and Diagnostics Communication



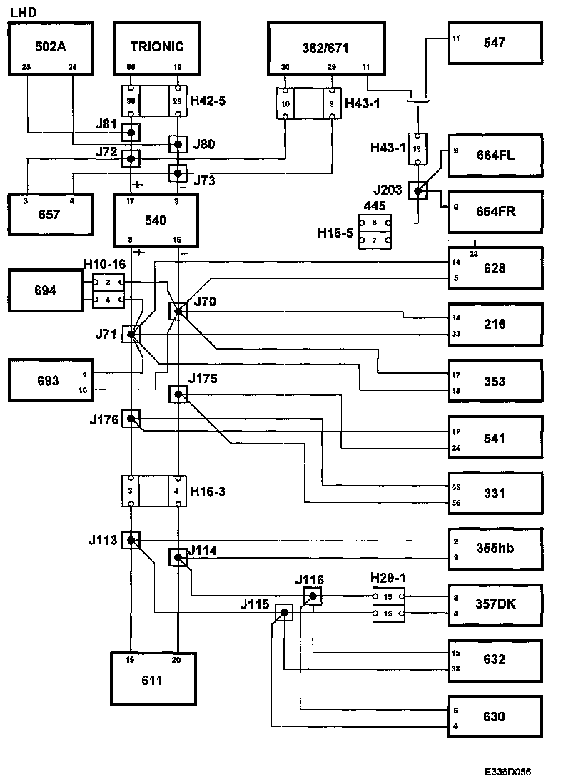
System Overview, Bus And Diagnostics Communication, Petrol

System overview, function

LHD







System overview, components







1. Trionic, engine management system (ECM)
2. TCM (Transmission Control Module), control module for automatic gearbox (502)
3. TC/ABS (Traction Control) (382)
4. P-bus (Powertrain bus)
5. MIU (Main Instrument Unit) (540)
6. I-bus (Instrument bus)
7. SID (Saab Information Display) (541)
8. TWICE (Theft Warning Integrated Central Electronics) (632)
9. ACC (Automatic Climate Control) (216)
10. Audio system, main unit (353)
11. CDC (CD changer) (355)
12. PSM (Power Seat Memory) (357Dk)
13. PMM (Power Mirror Memory), door mirror memory (611)
14. DICE (Dashboard Integrated Central Electronics) (628)
15. Steering wheel tilt sensor (657)
16. Airbag (SRS) (331)
17. ESP (Stabilizer system) (671)
18. SPA (Saab Parking Assistance) (630)
19. Switch, navigation/telephone (693)
20. Signal converter, I-bus (694)