Curiosii for ever!: Car repair manuals for everyone.

Control Module Inputs, Outputs, Bus, Power Supply & Ground





Control Module Inputs






- Power supply +30.
- Power supply +15.
- Ground.
- Cabin temperature sensor (218).
- Mixed-air temperature sensor, left (217LH).
- Mixed-air temperature sensor, right (217RH).
- Solar sensor (223).
- Parking heater.

Control Module Inputs, Bus






Cars with petrol engines.
- Electric rear window confirmation (DICE, 628), see ACC uses the following information.
- Passenger seat occupied (TWICE, 632), see ACC uses the following information.
- Vehicle speed (MIU, 540), see ACC uses the following information.
- Unit (SID, 541), see ACC uses the following information.
- Language (SID, 541), see ACC uses the following information.
- Rheostat value (SID, 541), see ACC uses the following information.
- Rheostat value, night panel (SID, 541), see ACC uses the following information.
- Night panel (SID, 541), see ACC uses the following information.
- Display lighting (SID, 541), see ACC uses the following information.
- Time engine not running (SID, 541), see ACC uses the following information.
- Steering wheel location (TWICE, 632), see ACC uses the following information.
- Outside temperature (SID, 541), see ACC uses the following information.
- Engine running (TRIONIC, 430), see ACC uses the following information.
- Engine speed (TRIONIC, 430), see ACC uses the following information.
- Coolant temperature (TRIONIC, 430), see ACC uses the following information.
- Diagnosis (DICE, 628/diagnostic tool), see ACC uses the following information.

Control Module Outputs






- Sensor ground, reference ground.
- Solar sensor, power supply (223).
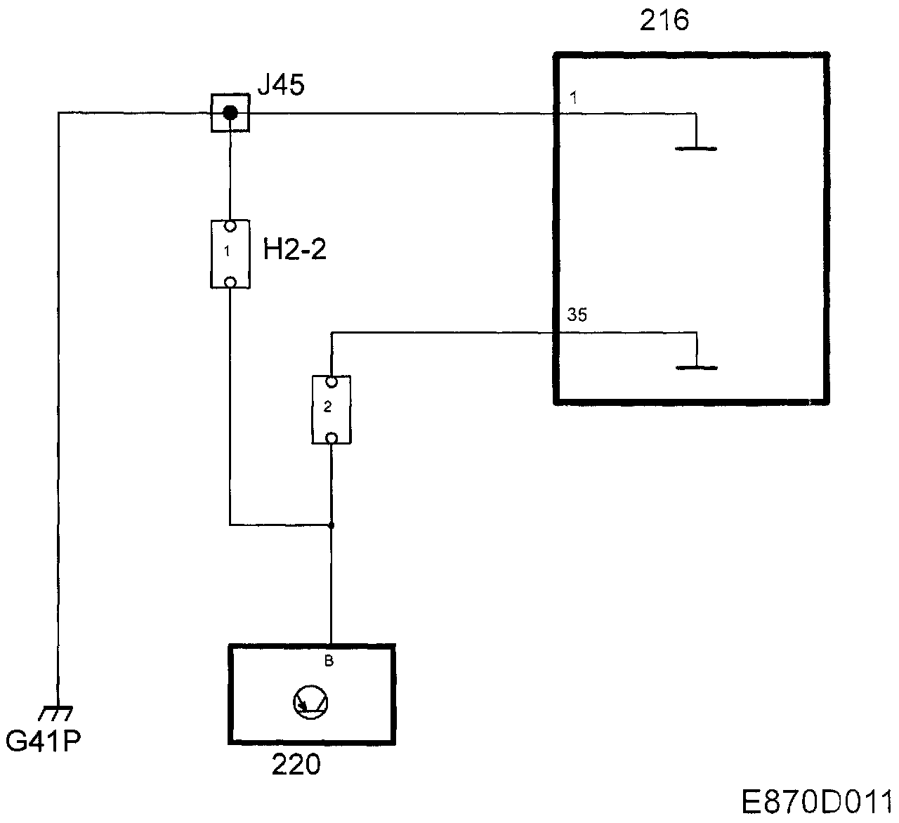
- Ventilation fan control (220).
- Stepping motor, LH air-blending flap (222LH).
- Stepping motor, RH air-blending flap (222RH).
- Stepping motor, air distribution damper (221a).
- Recirculation motor (38).
- Shut-off valve, heat exchanger (581).
- Circulation pump (453).

Control Module Outputs, Bus






Cars with petrol engines.
- Text message (used by SID, 541), see ACC sends the following information.
- Sound (used by SID, 541), see ACC sends the following information.
- A/C (used by DICE, 628), see ACC sends the following information.
- Electric rear window (used by DICE, 628), see ACC sends the following information.
- Diagnostic communication (DICE, 628/diagnostic tool), see ACC sends the following information.

Control Module






The control module is integrated in the ACC unit and is activated with +15 or the parking heater input (see Parking beater). It is possible to see that the control module is active when the display comes on and that diagnostic communication is possible. After activating the control module from +15, it can take the following states:

Engine Stationary
If the engine is stationary, there is no coolant circulating through the heat exchanger, the A/C compressor is stationary and the generator is not charging. This means that the system cannot regulate the climate, that the system should not consume current unnecessarily and that there is a risk that a stepping motor may miss a step due to low battery voltage if the starter motor should be engaged. For these reasons, the control module selects rear window heating off, fan current 5 A, air recirculation off and all stepping motors off.

Engine Running
As soon as the engine has started, the control module regulates all the functions automatically as long as no manual functions have been selected or user programming performed.

Ignition OFF
When the ignition is turned off, the display goes out: no buttons work, all the stepping motors are turned off and air recirculation off is selected after 10 seconds. Diagnostics communication remains active if it was active when the ignition was turned off, but it cannot be restarted.

The control module processor is active for a further 10 minutes. If the ignition is turned on within these 10 minutes, the control module will retain any manual selections made when the car was last driven. After 10 minutes, the control module starts in AUTO or user programming mode.

If the power supply drops below 9.5 V and the starter motor is not turning, the display will show OFF until the voltage exceeds 10 V.

Programming
A number of parameters must be programmed when changing the ACC unit.

Diagnostics
In the event of an internal control module malfunction, diagnostic trouble code B1605 is generated and 01 is displayed instead of right-hand temperature when calibrating.

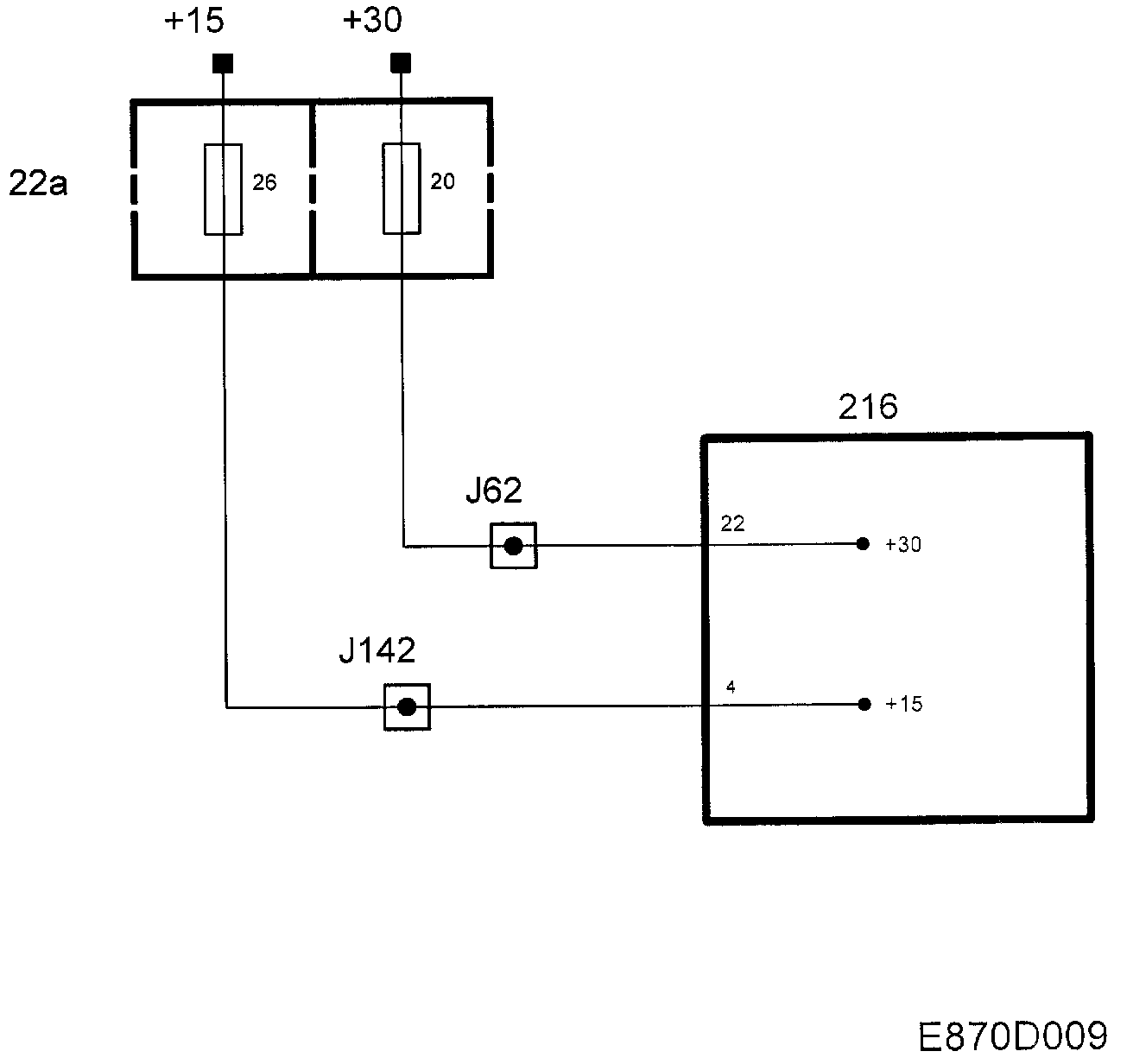
Control Module Power Supply












+30
The ACC unit is supplied with current from the +30 circuit on pin 22 via fuse 20.

+15
The ACC unit is supplied with current from the +15 circuit on pin 4 via fuse 26. +15 power supply is used to activate the control module.

Diagnostics
If the power supply is not present, the display will not light up when the ignition is turned on.

Ground












Power Ground
The ACC unit is power grounded on pin 1 from G41P.

Sensor Ground
All sensors are grounded from separate control module outputs that internally have a common ground via a resistor.


Reference Ground
The fan control unit's reference ground is obtained from pin 35.

Diagnostics
If ground is not present, the display will not light up when the ignition is turned on.

If the sensor ground is shorted to 5 V or B+, diagnostic trouble code B2945 is generated and 23 is displayed instead of right-hand temperature when calibrating.