Curiosii for ever!: Car repair manuals for everyone.

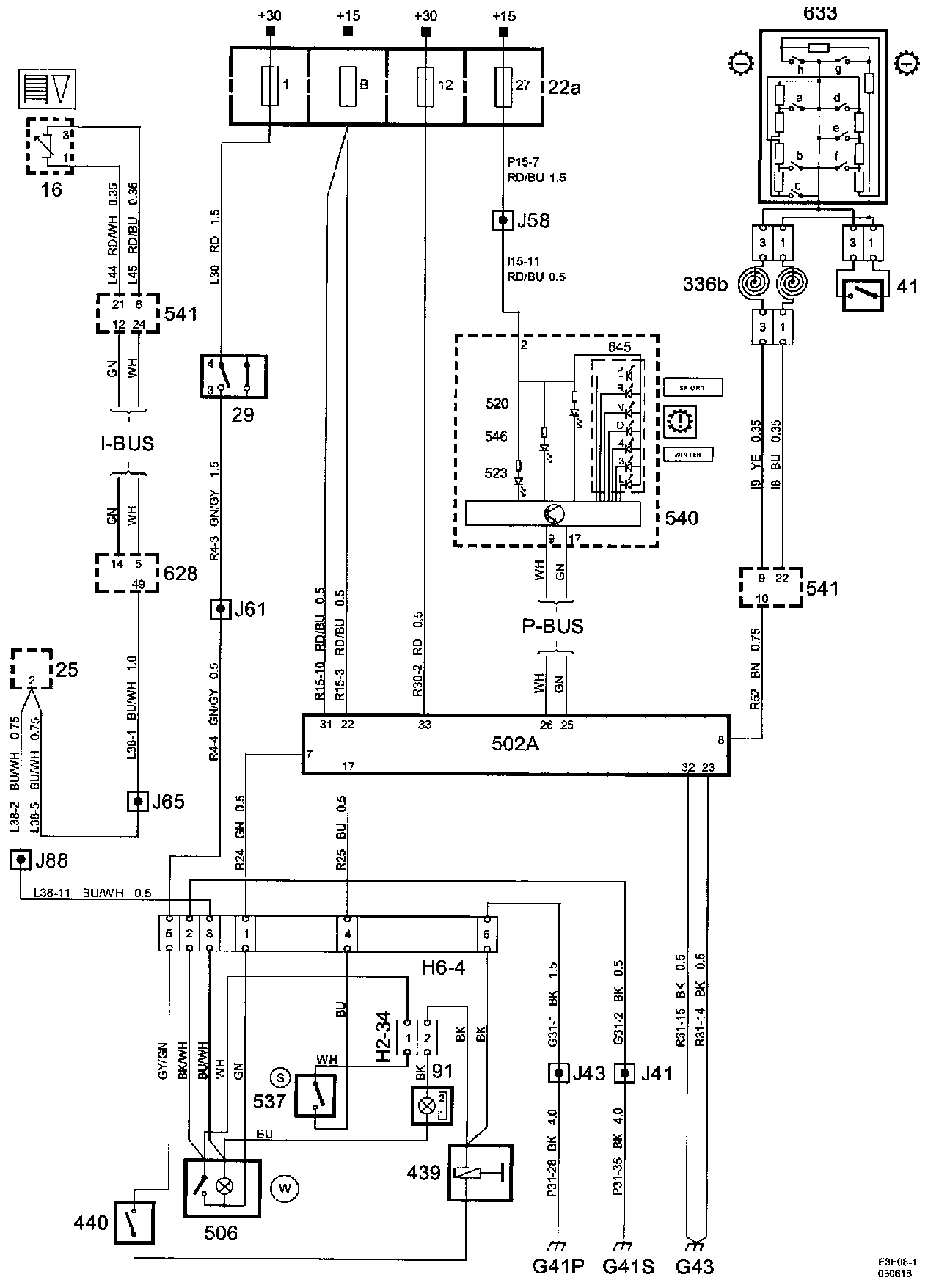
Transmission Control Module (TCM), (Part 1/2)



Transmission Control Module (TCM), (Part 1/2):




List Of Components (Part 1):




List Of Components (Part 2):




List Of Components (Part 3):




List Of Components (Part 4):






Power Supply Diagrams: The diagrams for the power supplies that may be feeding this system (+30, +15, +54, +X and +B) can be found at Power and Ground Distribution diagrams Electrical Diagrams