Curiosii for ever!: Car repair manuals for everyone.

Ground, Control Module

Control module ground
Control module ground
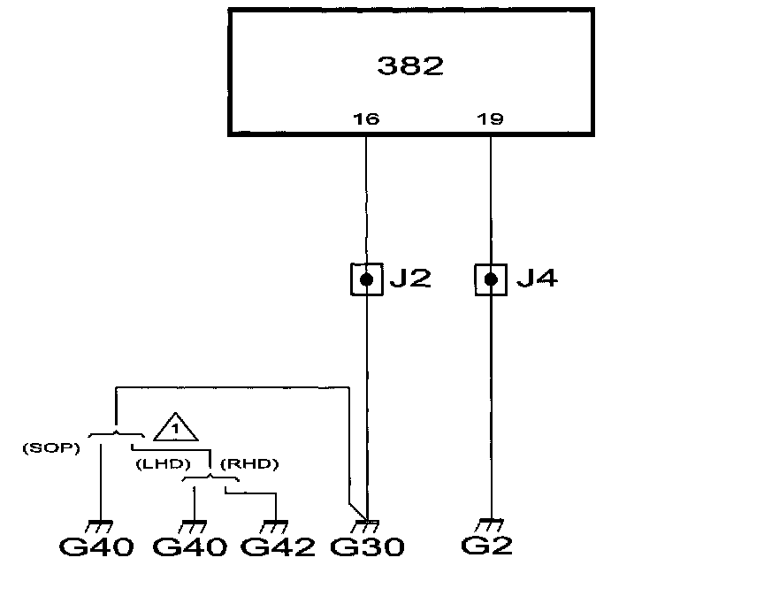
The control module is grounded via pin 19 to grounding point G2.
The pump motor is grounded through pin 16 to grounding points G30 and G40 (G42 RHD).








Diagnostics
If there is a break in the circuit to pin 19, the TCS and ABS functions will be disabled and the warning lamps for ABS, brakes and TCS OFF will light up as well as the central warning lamp. Communication with the diagnostic tool is not possible.
If there is a break in the circuit to pin 16, diagnostic trouble code C2465 will be set, the TCS and ABS functions will be disabled and the warning lamps for ABS, brakes and TCS OFF will light up as well as the central warning lamp.