Curiosii for ever!: Car repair manuals for everyone.

Control Module Power Supply and Ground (PMM)



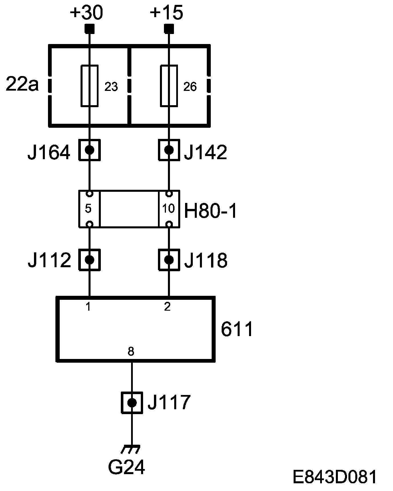
Control Module Power Supply And Ground (PMM)







Battery voltage +30

+30 power supply, fed via fuse 23 to control module pin 1.

Battery voltage +15

+15 power supply, fed via fuse 26 to control module pin 2.

Ground

The control module is grounded via pin 8 to grounding point G24.