Curiosii for ever!: Car repair manuals for everyone.

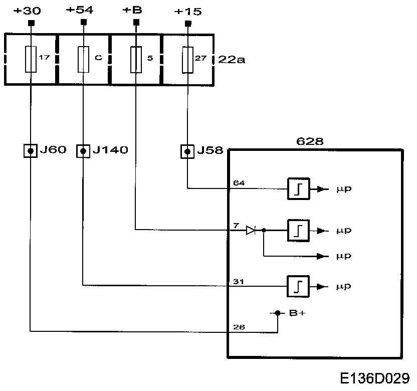
Control Module Power Supply



Control Module Power Supply










Power supply (+B circuit)
From fuse 5 (22a) to control module, pin 7.

Power supply (+15 circuit)
From fuse 27 (22a) to control module, pin 64.

Power supply (+30 circuit)
From fuse 17 (22a) to control module, pin 26.

Power supply (+54 circuit)
From fuse C (22a) to control module, pin 31.