Curiosii for ever!: Car repair manuals for everyone.

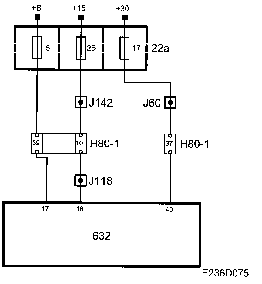
Control Module Power Supply



Control Module Power Supply










Power supply +30
From fuse 17 (22a) to the control module pin 43.

Power supply +15
From fuse 26 (22a) to the control module pin 16.

Power supply +B
From fuse 5 (22a) to the control module pin 17.