Curiosii for ever!: Car repair manuals for everyone.

Checking For Open Circuits/Short Circuits



Checking For Open Circuits/Short Circuits

General





A multimeter is a suitable instrument.

An ohmmeter must not be used to take readings on components containing semiconductors, such as control modules and relays with timer function.

When measuring resistance, the power supply to the system being check must be cut off as the measuring instrument feeds a little bit of measuring current in the circuit being checked.

This insures that no current is already travelling in the circuit in question and that an accurate reading is obtained.

Measuring voltage to check for open circuits








1. Connect the load.
2. Connect the multimeter to check the voltage and connect the negative cable of the voltmeter to a safe grounding point.
3. Connect the positive cable of the voltmeter to the point where voltage is to be checked.
4. On the output side of the switch/control module, a good place to begin is from this and then move gradually towards the load.
When the voltage disappears, the area of the open circuit has been passed.

5. On the input side of the switch/control module/consumer, a good place to begin is as close to the current source (often a fuse) as possible and then move gradually in towards the switch/control module/consumer.
When the voltage disappears, the area of the open circuit has been passed.








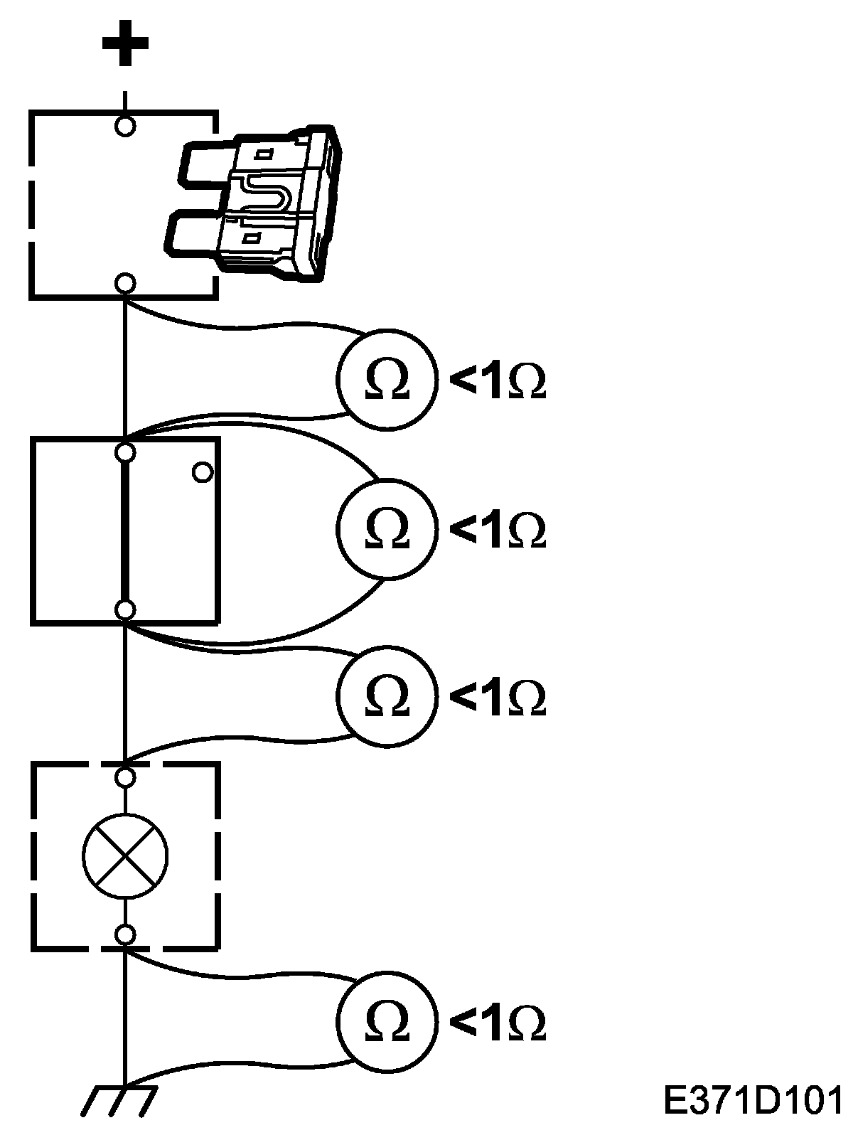
1. Make sure there is no voltage supply to the component or lead to be checked (e.g. by removing the corresponding fuse).
2. Set the multimeter for ohm measurement and connect the ohmmeter to each end of the component/lead to be checked.
3. Touch the relevant wiring harness while observing the ohmmeter.
Wiring harness resistance is normally less than 1 Ohm. The value specified applies to individual components.








1. Make sure there is no voltage supply to the lead to be checked (e.g. by removing the corresponding fuse) and that any load is disconnected.
2. Set the multimeter for ohm measurement.
3. Connect one of the measuring cables to a safe ground and the other to the point to be checked.
4. Carefully touch the wiring harness and check that the multimeter continuously indicates infinite resistance (OL).