Curiosii for ever!: Car repair manuals for everyone.

System Functions When Refuelling




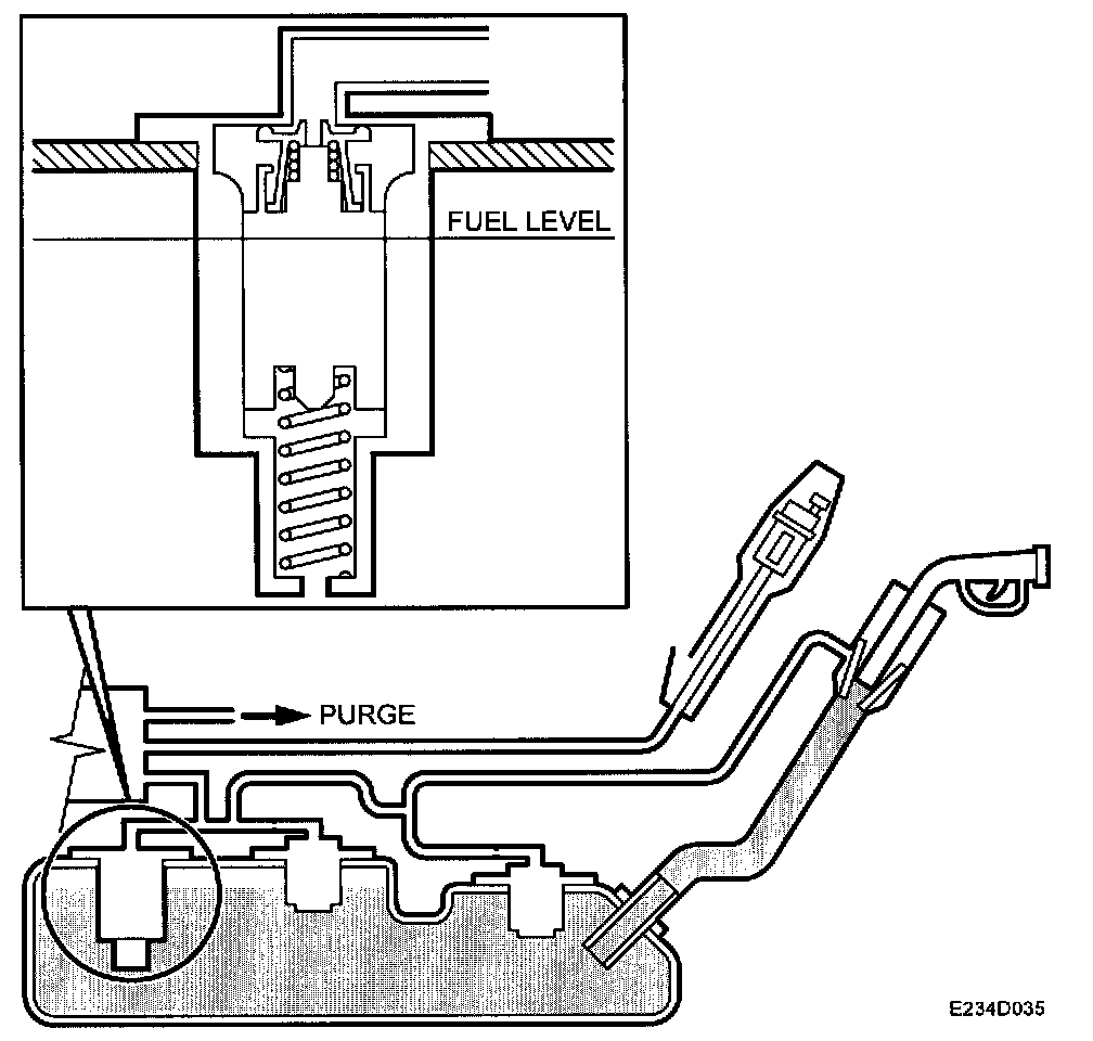
System Functions When Refuelling







1. At the top of the fuel filler pipe there is an ejector. It has no moving parts but it has flexible slots.
When the pump nozzle is inserted in the filler pipe, the ejector opens its slots. The pump nozzle is supported by four ridges in the pipe inside the ejector. When fuel is flowing, the surrounding air will be drawn through the ejector slots by the effect of the ejector. The air mixes with the fuel behind the ejector and the mixture passes through the pipe and down to the tank.
This prevents hydrocarbons from being emitted from the filler pipe during refuelling.

2. There is a check valve in the neck of the filler pipe. The check valve is normally closed by a weak spring and allows flow only in the direction towards the tank.
The valve opens when fuel is being filled and closes immediately as the fuel starts flowing in the opposite direction when the tank is full.
In this way, the valve prevents "back-spit".







3. Fuel is filled into the tank. Together with the fuel is also a small amount of air from the filler pipe ejector. Gaseous hydrocarbons are present above the surface of the fuel.
As the fuel level rises, the added air will be evacuated together with the gaseous hydrocarbons through a float valve fitted in the top of the tank. The vapour then passes to the EVAP emission canister where the hydrocarbons are absorbed. The air, which cannot be absorbed, passes from the emission canister to the surrounding air via a vent pipe leading up to the wheel housing at the side of the filler pipe.
There is a shut-off valve fitted at the top of the purge pipe. The shut-off valve can close the connection between the EVAP canister and the surrounding air and is used only for OBD II diagnosis. (Cars with ORVR without tank integrity diagnosis are not equipped with a shut-off valve.)
The float valve also acts as a roll-over valve and closes if the car tips over.







4. When the tank is almost full (approx. 95%), the float valve will close one step, whereby the evacuation of air and gaseous hydrocarbons is greatly restricted.
The pressure in the tank therefore increases as more fuel is filled.







5. Finally, the float valve closes completely and the back pressure in the filler pipe causes the fuel in filler pipe to rise towards the pump nozzle, shutting it off.
Continued refuelling is not recommended.












6. When the pump nozzle has shut off, the check valve in the neck of the tank will close immediately to prevent "back-spit".
The overpressure has started to drop with the help of the roll-over valve.
7. At the top of the tank are 2 roll-over valves with a substantial restrictor in the outlet nipple.
The column of fuel in the filler pipe will slowly drop as the remaining vapour is slowly evacuated through the roll-over valve.
A line between the top of the filler pipe and the roll-over valve ensures that the column of fuel is able to drop even when the filler cap is screwed on.
The line also ensures that the EVAP diagnosis can determine whether the filler cap is not screwed on.