Curiosii for ever!: Car repair manuals for everyone.

Coolant Temperature Sensor




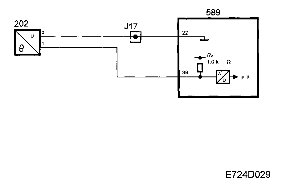
Coolant Temperature Sensor












The temperature sensor is located on the left-hand end of the cylinder head and is in contact with the engine coolant. The sensor is NTC type.

The Control module measures the engine coolant temperature by supplying the sensor with 5 V through and integrated 1.0 kohm resistor from pin 39. The sensor is grounded via Control module pin 22. The voltage across the resistor in the Control module is proportional to the engine coolant temperature.

Engine coolant temperature is used to:
- calculate the injection duration for pre-injection
- calculate the injection duration while the starter motor is cranking
- calculate after-start enrichment.
- determine when closed loop should be engaged
- correct idling speed.

Diagnostics
- If the sensor voltage is too low, diagnostic trouble code P0117 will be generated.
- If the sensor voltage is too high, diagnostic trouble code P0118 will be generated.
- If the temperature value is implausible, diagnostic trouble code P0116 will be generated.
- If There are any unfeasible changes in sensor voltage, diagnostic trouble code P0119 will be generated.

System reaction to a fault
- A substitute value that equals the intake air temperature at start is selected and then increased with 1°C (1.8°F) for every 60 grams air passing the mass air flow sensor. The substitute temperature is maximized to 90°C.
- Purging blocked.