Curiosii for ever!: Car repair manuals for everyone.

Control Module, Inputs, Outputs, Bus, Power Supply and Ground




Control Module Inputs







- Battery voltage + 30
- Battery voltage + 15
- Ground
- Potentiometers
- Switch, tilt down

Control Module Inputs, Bus







- Memory function (memory store button + memory buttons 1, 2 or 3) (On/Off) from PSM.
- Memory buttons 1-3 (1, 2 or 3) from PSM.
- Reverse gear (On/Off) from DICE.
- Diagnostic communication.
- Steering wheel location from TWICE.

Control Module Outputs







- Power supply to potentiometers
- Mirror motors

Control Module Outputs, Bus







- Diagnostic communication.

Control Module







The Power Mirror Memory (PMM) control module is located behind the glove box. It is connected to the system components via a 20 pin connector. The motors and potentiometers are controlled from the control module.

The PMM control module is connected to the bus and receives, processes and outputs information (communicates) via the bus with other systems (control modules) in the car that are connected to the bus.

The control module controls the following functions:
- Door mirror position memory settings.
- Operating the door mirrors to the stored position.
- Tilting the passenger door mirror when reverse gear is engaged and the tilt-down button is pressed.
- Diagnostic tool communication.
- Communication with the I bus


NOTE: If B+ is disconnected, the programmed settings will be retained in the control module.


Diagnostics
The control module monitors its internal functions and the components in the PMM system. In the event of an internal fault in the control module, diagnostic trouble code B1605 is generated and neither of the door mirrors can be operated with the seat's memory buttons or the separate door mirror switches.

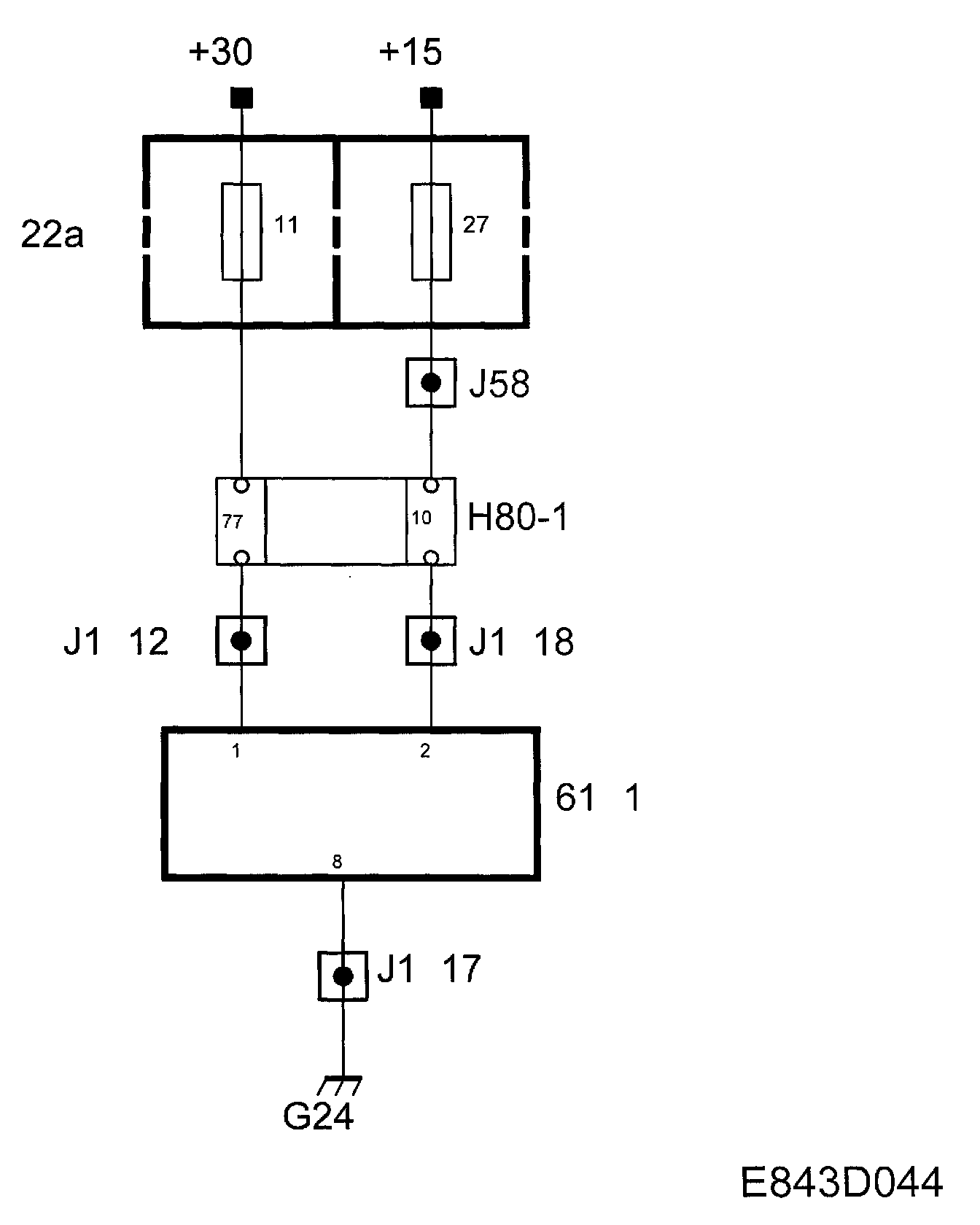
Control Module Power Supply And Ground












Battery voltage +30
+ 30 power supply, fed via fuse 11 to control module pin 1.

Battery voltage +15
+15 power supply, fed via fuse 27 to control module pin 2.

Ground
The control module is grounded via pin 8 to grounding point G24.