Curiosii for ever!: Car repair manuals for everyone.

Control Module, Inputs, Outputs, Bus, Ground and Power Supply




Control module inputs







- Power supply +B circuit (20)
- Power supply +15 (20)
- Power supply +30 (1)
- Power ground (G14)
- Signal ground (G14)
- Lamps, parking light, left, power supply from switch (10)
- Lamps, parking light, right, power supply from switch (10)
- Brake lights, power supply (29)
- Seat belt switch, driver (70D)
- Seat belt switch, passenger (70P)
- Sensor for occupied seat, front passenger (614P)
- Siren, anti-theft alarm (275)

Control module inputs, bus







- Vehicle speed (km/h, mph) from MIU (540)
- Identification number from MIU (540)
- SID buttons (Night Panel) from SID (541)
- Outdoor temperature (°C) from SID (541)
- Ignition +B (on/off) from DICE (628)
- Ignition +15 (on/off) from DICE (628)
- Ignition +54 (on/off) from DICE (628)
- Ignition +50 (on/off) from DICE (628)
- Wheel speed, RE from TC/ABS (382)
- Diagnostic communication

For a further description of the control module bus input information Bus Communication

For a further description of diagnostics, see Bus and diagnostics communication.
See Powertrain Management/Computers and Control Systems/Information Bus.

Control module outputs







- Lamp, brake light, left/right (30RL, 30RR)
- Lamp, high-level brake light (30RC)
- Lamps, parking light, rear left/right (13RL, 13RR)
- Warning lamp, seat belt. Ground (72)
- Relay, electrically heated rear seat. Ground (511)
- Relay, electrically adjustable seat, passenger. Ground (446P)
- Central locking motors doors, lock/unlock (184D, 184P, 184RL, 184RR)
- Motor, central locking system, doors. Control voltage theft security lock (184D, 184P, 184RL, 184RR)
- Motor, central locking system, boot lid/tailgate. Control voltage (184H)
- Antenna unit, immobilizer. Power supply (463)
- Starter relay, immobilizer (517)
- Glass breakage sensor. Power supply (451)
- Tilt sensor. Power supply (457)
- LED, anti-theft alarm (305)
- Siren, anti-theft alarm (275)
- Tailgate

Control module outputs, bus







- Left Rear Light Faulty (yes/no) used by SID (541)
- Right Rear Light Faulty (yes/no) used by SID (541)
- Left Rear Light Faulty (yes/no) used by DICE (628)
- Right Rear Light Faulty (yes/no) used by DICE (628)
- Left Brake Light Faulty (yes/no) used by SID (541)
- Right Brake Light Faulty (yes/no) used by SID (541)
- High Level Brake Light Faulty (yes/no) used by SID (541)
- Brake light (on/off) used by TCM (502), SID (541)
- Sound (sound information) used by SID (541)
- Driver's door (open/closed), used by DICE (628), MIU (540), PSM (357Dk), PMM (611)
- Passenger door (open/closed), used by DICE (628), MIU (540), PSM (357Dk), PMM (611)
- Left Rear Door (open/closed) used by DICE (628), MIU (540)
- Right Rear Door (open/closed) used by DICE (628), MIU (540)
- Boot lid/tailgate (open/closed) used by DICE (628), MIU (540)
- Horn (0: 6: 42 ms) used by SID (541)
- Hazard Flashers (on/off) used by DICE (628)
- Text Message used by SID (541)
- Test brake lights (on/off) used by SID (541)
- Steering wheel position (LHD/RHD) used by ACC (216), MIU (540), PMM (611)
- Immobilization (on/off) used by Trionic (430)
- Key Correct (on/off) used by Audio (353), CD-changer (355)
- Passenger Seat Occupied (yes/no) used by ACC (216)
- Central locking (lock/unlock) used by DICE (628)
- Body type (4D/5D) used by SPA (630)
- Diagnostic communication

For a further description of the control module bus output information Bus Communication

For a further description of diagnostics, see Bus and diagnostics communication.
See Powertrain Management/Computers and Control Systems/Information Bus.

Control module







General
The control module in the TWICE system is placed under the left-hand front seat. It is connected to system components via a 70-pole connector.

The task of the control module, as a central unit, is to monitor and control the components and functions in the system, as follows:
- TWICE - controls the power supply to the various functions in the system. Power is supplied direct via the module and via external relays which are grounded through the module.
- TWICE - is connected to the instrument bus (I-bus) and thus receives, processes, and sends out information (communicates) via the bus with other car systems (control modules) connected to the bus.
- TWICE - in the event of a fault, stores the diagnostic trouble codes (DTC) which can be read using the diagnostic instrument (Tech 2).
- TWICE - is programmable. Certain functions can be programmed to meet legal requirements, market demands, customer preferences, and car equipment.

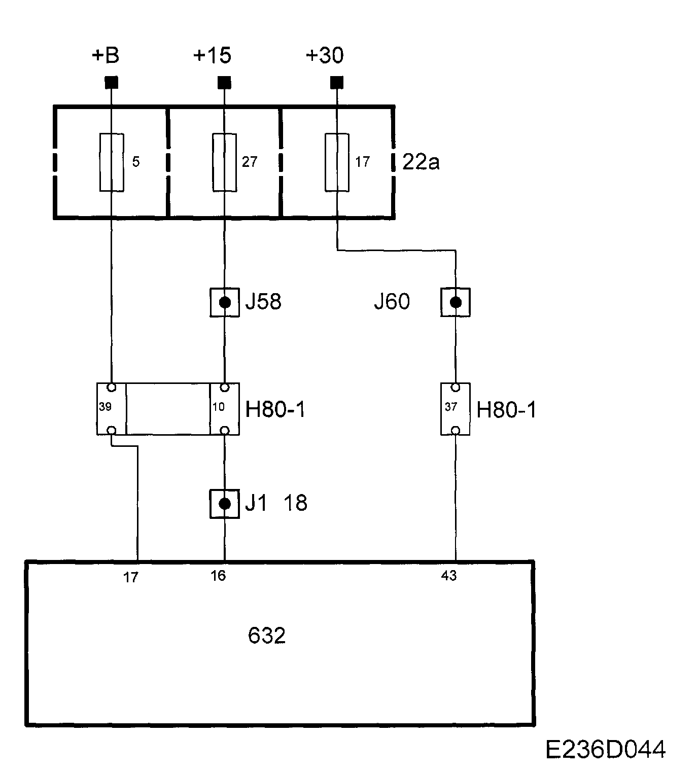
Control module power supply












Power supply +30
From fuse 17 (22a) to the control module pin 43.

Power supply +15
From fuse 27 (22a) to the control module pin 16.

Power supply +B
From fuse 5 (22a) to the control module pin 17.

Control module ground












Ground connection, power ground
The module is grounded at the grounding point G14 via pin 70.

Ground connection, signal ground
The module is grounded at the grounding point G14 via pin 37.