Control Module Power Supply
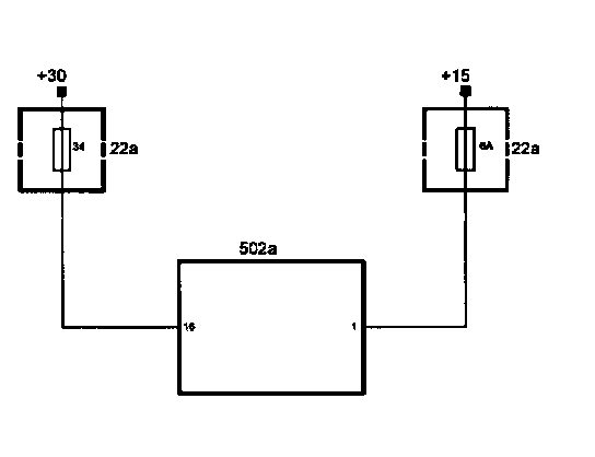
Battery voltage (+30 circuit)
+30 voltage is fed via fuse 34 to the control module pin 16. The control module uses this voltage for its memory.
Battery voltage (+15 circuit)
+15 voltage is fed via fuse 6A to the control module pin 1. The control module is activated by +15 voltage.
Diagnostics
If the power supply drops below 9 V or exceeds 18 V for at least 0.5 seconds, diagnostic trouble code P0560 will be generated and the TCM will go into limp-home mode.