Curiosii for ever!: Car repair manuals for everyone.

Selector Lever Position Sensor - Gear Engaged



Selector lever position sensor - gear engaged





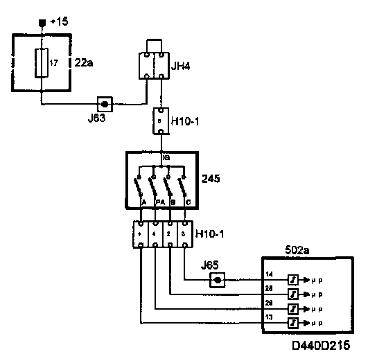
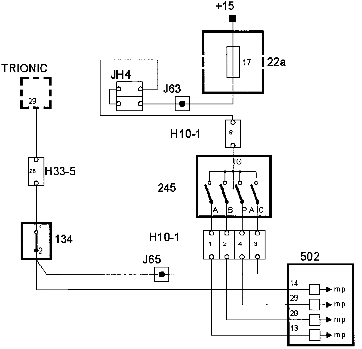
The selector lever position sensor is mounted in the transmission casing. It contains the reversing light switch, starting interlock switch and switches which tell the control module which gear is engaged.





Principally, the selector lever position sensor is a position switch that is supplied with current via the +15 circuit. A number of slip contacts supply the sensor's outputs with current. Combinations of the A, B. C and PA terminals correspond to the current select lever position (see table). The slip contacts may be either closed (ON) or open (OFF).

Incorrect decoding of the slip contacts will cause limp-home to activate.





The table shows the relationship between the selector lever position sensor's internal terminals A, B. C and PA and the pins of connector H10-1 and those of the transmission control module.





Wiring diagram for selector lever position sensor not connected to the bus





Wiring diagram for selector lever position sensor connected to the bus

To ensure that the control module receives accurate information, it is important for the sensor to be correctly adjusted. Special tool 87 92 467 should be used for adjusting the sensor.

Diagnostics
Faults on the gear position inputs will generate diagnostic trouble code P0705 and put the transmission in limp-home mode.