Curiosii for ever!: Car repair manuals for everyone.

System Overview








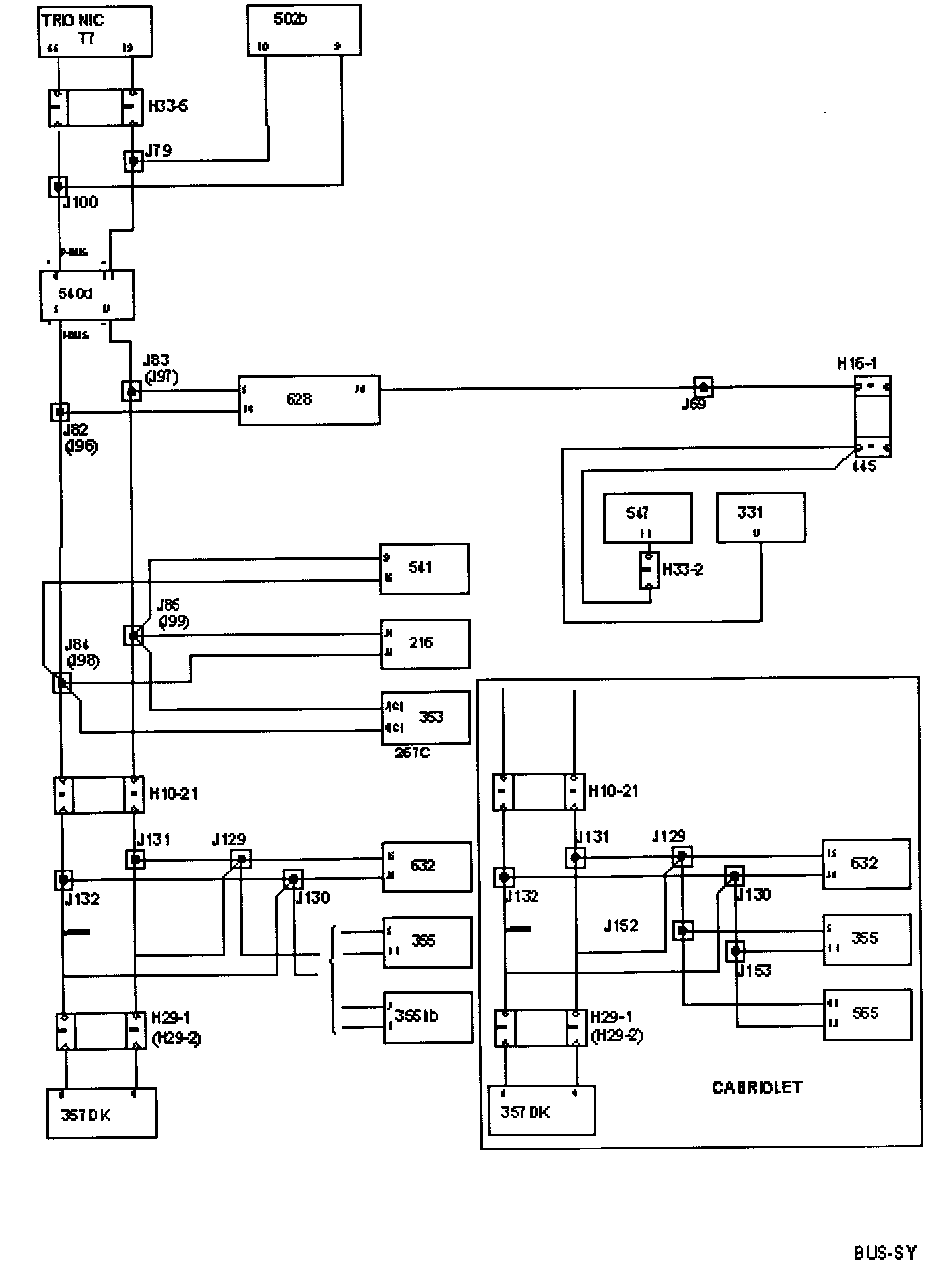
System overview, operation, cars with Trionic T7 engine management system






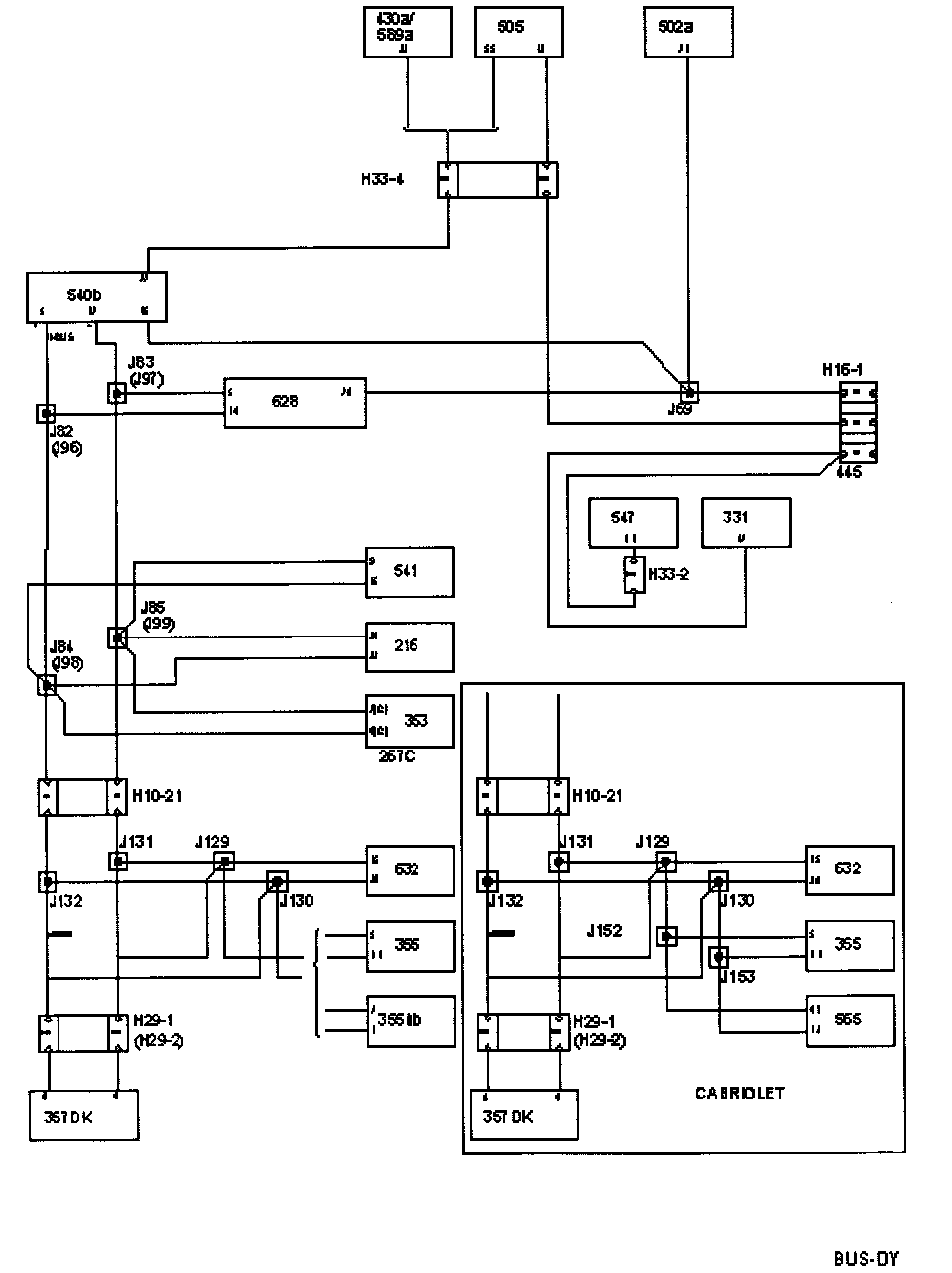
System overview, operation, cars with Trionic T5 or Motronic engine management system






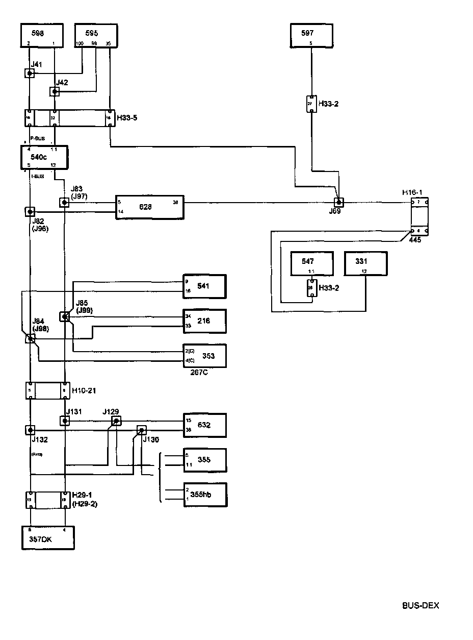
System overview, operation, cars with EDC 15 engine management system






System overview, bus-connected components, cars with Trionic T7 engine management system






System overview, bus-connected components, cars with Trionic 15 or Motronic engine management system






System overview, components connected to K lead






System overview, brief description, cars with Trionic T7 engine management system


Two alternative engines, B205L and B205R with the Trionic T7 engine management system, have been added for MOO. This will make the bus system nearly identical with that of the Viggen.

The bus enables large volumes of information to be exchanged between the control modules using only two lines. The bus is divided into the Powertrain bus (P bus) and the Instrument bus (I bus).

As before, other petrol engine variants having a Motronic 2.10 or Trionic T5 engine management system have no bus connections. The two powertrain systems, Trionic and TCM, need fast communication so that no delays will be noticeable, such as in connection with torque limitation when shifting.

The Trionic and TCM are connected to the P bus which has a data transfer rate ten times faster than the I bus.

The P bus and I bus are connected to the MIU. The MIU ensures that information available on one bus is also available on the other bus.







System overview, brief description, cars with a Trionic T5 or Motronic engine management system

Cars with a Trionic T5 or Motronic engine management system have no bus connection for the powertrain systems.

The powertrain systems (Trionic T5, Motronic and TCM) are connected by a line to the MIU. The MIU ensures that information is available on the I bus.

The bus enables a large volume of information to be exchanged between the control modules using only two lines.

All bus systems communicate with the diagnostics instrument via DICE, one of the I bus Systems.