Curiosii for ever!: Car repair manuals for everyone.

Control Module Inputs, Outputs, Bus and Power Supply




Control module inputs







- Power supply +30
- Power supply +15
- Power ground
- Mass Air Flow Sensor (205)
- Manifold absolute pressure sensor (431)
- Charge air absolute pressure sensor (603)
- Differential tank pressure sensor (585)
- Intake air temperature sensor (407)
- Engine coolant temperature sensor (202)
- Speed, wire from ABS (547)
- Maximum permissible engine torque, wire from ABS (547)
- Pedal position sensor
- Cruise control switch
- Pedal switches
- Throttle position sensor
- Oxygen sensor 1 (592Fa)
- Oxygen sensor 2 (592Ra)
- Ignition discharge module (346)

Control module bus inputs








- Maximum permissible torque, bus from TCM (502)
- Sport position selected, bus from TCM (502)
- Selector lever position, automatic transmission, bus from TCM (502)
- Vehicle speed, rear left wheel, bus from MIU (540)
- Reverse gear selected, manual gearbox, bus from DICE (628)
- A/C request, bus from DICE (628)
- A/C pressure, high-pressure side, bus from DICE (628)
- Current consumption, bus from DICE (628)
- Fuel level, bus from MIU (540)
- CHECK ENGINE Request, bus from TCM (502)
- Immobilizer, bus from TWICE (632)
- Ignition +50, bus from DICE (628)
- Diagnostics, bus from DICE (628)1 diagnostic tool

More detailed information on control module bus inputs can be found in Bus Communication, see Powertrain Management/Computers and Control Systems/Information Bus.

Control module bus outputs







- Engine torque, used by TCM (502)
- Accelerator pedal position, used by TCM (502)
- Kickdown, used by TCM (502)
- Engine speed, used by TCM (502), ACC (216) and MIU (540)
- Engine coolant temperature, used by ACC (216), MIU (540) and DICE (628)
- Engine running, used by ACC (216)
- Tighten fuel filler cap, used by SID (216)
- Turbo pressure gauge value, used by MIU (540)
- CHECK ENGINE, used by MIU (540)
- SHIFT UP, used by MIU (540)
- CRUISE lamp, used by MIU (540)
- Fuel consumed since start, used by MIU (540)
- Diagnostics, used by DICE (628)/diagnostic tool

More detailed information on control module bus outputs can be found in bus communication, see Powertrain Management/Computers and Control Systems/Information Bus.

Control module







Saab Trionic T7 control principally:
- engine torque
- fuel injection
- ignition.

The Trionic T7 control module has a 70-pin connector and is located on the right-hand side of the cabin behind the side trim under the A-pillar.
It has two processors. A number of sensors supply information to the control module, which processes it with the help of matrices stored in the control module after optimization of engine functions. Examples of these important matrices are the ignition timing matrices, fuel matrices and air mass matrices.
The control module can be damaged by electrostatic discharges or short circuits on any of the control module outputs and must therefore be handled with great care during fault diagnosis with BOB, for example.

The control module is continuously supplied with +30 and will lose adapted values and stored diagnostic trouble codes if this current disappears.
The control module is adapted for a voltage of between 8-16V when being driven.
When the ignition is switched on, the control module will be activated and the CHECK ENGINE lamp will go on continuously as a function check. The fuel pump is activated for 1 second so that fuel pressure will build up, after which the control module will await pulses from the crankshaft position sensor.
Fuel injection is controlled principally by the mass air flow sensor.
Substitute functions are available for all the sensors except the crankshaft position sensor.
The control module contains an integrated absolute pressure sensor for atmospheric pressure.
The atmospheric pressure is used to:







- Correct the charge air control valve's PWM ratio. A greater PWM ratio is required at low atmospheric pressures to attain the same air mass/combustion.
- Correct the PWM ratio for purging. A greater PWM ratio is required at low atmospheric pressures to attain the same purge flow.
- Protect the turbo from overrevving at low atmospheric pressure by limiting the max. permissible air mass per combustion.
- Blocking OBD II diagnosis:

- Block the OBD II diagnostics at pressures lower than 72 kPa
- Reactivate OBD II diagnosis at atmospheric pressures higher than 78 kpa.

Once the ignition has been turned off, all the sensors supplied with 5V are activated for 15 minutes. After 15 minutes, only the memory is active. Adapted values are stored in the memory.
Adaptation is important to performance, driveablity, fuel consumption and emissions. The control module must therefore not be disconnected or in any other way be de-energized unnecessarily.

Diagnostics
- If the control module program memory ROM or working memory RAM is defective, diagnostic trouble code P0605 will be generated.
- If there is an internal function at fault that affects throttle control, diagnostic trouble codes P1601-P1611, P1613-P1614 or P1621.
- If the atmosphere pressure sensor is defective, diagnostic trouble codes P1631-P1633 will be generated. The starting value for charge air pressure will be used as a substitute value and purging will be blocked.

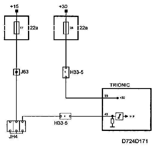
Control module power supply












+30
The main relay, fuel pump relay and fuse 17 are supplied with +30 from maxi fuse 2. Control module pin 23 is supplied from fuse 28.
The control module uses +30 for its memory.

+15
Control module pin 43 is supplied with +15 from fuse 17. When +15 is applied to pin 43, the control module will be activated.

Diagnostics
- If +30 or +15 is missing, the engine will not start and the system can not be contacted using the diagnostic tool.

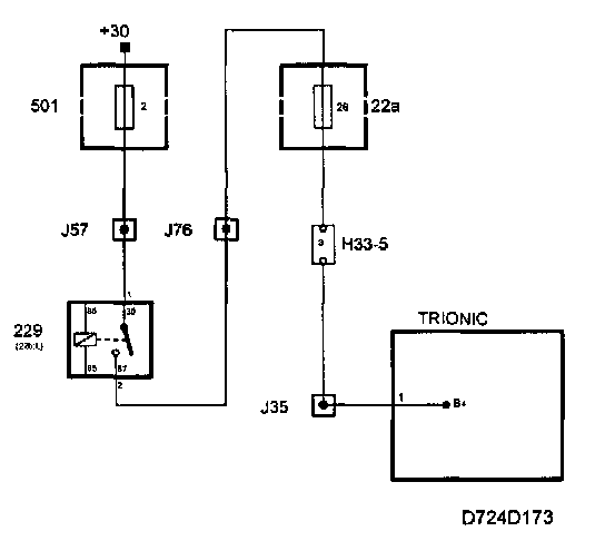
Main relay
When the ignition is in position ON, the main relay will operate.












Control module pin 1 is supplied from main relay pin 87 via fuse 26. This connection is used internally to feed the throttle motor.

Diagnostics
- If the supply from the main relay to the control module is missing, diagnostic trouble code P1640 will be generated, the throttle will close and the engine will stop.