Curiosii for ever!: Car repair manuals for everyone.

Control Module I/O, Bus, Power Supply, Ground and Trionic T7




Control Module Inputs


Control Module Inputs:






- Power supply (+B circuit)
- Power supply (+15 circuit)
- Power supply (+30 circuit)
- Power supply (+54 circuit)
- Ground
- Exterior lighting, switch pos. 0/ pos. 2 (10)
- Dipswitch (215)
- Direction indicators, power supply +30
- Direction indicators, switch left / right (24)
- Hazard flasher, switch (25)
- Front fog lights, switch (88)
- Rear fog lights, power supply +30
- Rear fog lights, switch (161)
- Reversing lights switch man/aut (31/239)
- Comfort lighting, power supply +30
- Reading/cabin lighting, power supply +30
- Windscreen and rear window wipers, parked position (61)
- Windscreen and rear window washers, switch (61)
- Intermittent wiper operation, windscreen and rear window, switch (61)
- Intermittent windscreen wiper operation, potentiometer (618)
- Electrically heated rear window and door mirrors, switch (116)
- Evaporator temperature sensor (621)
- A/C pressure sensor, (620)
- A/C request MCC (169)

Control Module Inputs, Bus


Control Module Inputs, Bus:






- Rear lights left/right (on/off) from TWICE (632)
- Drive's door (open/closed) from TWICE (632)
- Passenger door (open/closed) from TWICE (632)
- Rear doors left/right (open/closed) from TWICE (632)
- Boot lid/tailgate (open/closed) from TWICE (632)
- Hazard flashers (on/off) from TWICE (632)
- Central locking system (unlocked/locked) from TWICE (632)
- A/C (on/off) from ACC (216)
- Electrically heated rear window (on/off) from ACC (216)
- Vehicle speed (km/h, mph) from MIU (540)
- A/C Relay (on/off) from MIU (540)
- Engine coolant temperature, not diesel (°C) from MIU (540)
- Rheostat value (%) from SID (541)
- Rheostat Night Panel (%) from SID (541)
- Night Panel (on/off) from SID (541)
- Outside temperature (°C) from SID (541)
- Engine running (on/off) from EDC 15 (595)
- Engine coolant temperature (°C) from EDC 15 (595)
- Diagnostics communication
For further descriptions of the input information from the bus to the control module. Bus Communication


Control Module Inputs, Bus (Trionic T7)


Control Module Inputs, Bus (Trionic T7):






- Rear lights left/right (on/off) from TWICE (632)
- Driver's door (open/closed) from TWICE (632)
- Passenger door (open/closed) from TWICE (632)
- Rear doors left/right (open/closed) from TWICE (632)
- Boot lid/tailgate (open/closed) from TWICE (632)
- Hazard flashers (on/off) from TWICE (632)
- Central locking system (unlocked/locked) from TWICE (632)
- A/C (on/off) from ACC (216)
- Electrically heated rear window (on/off) from ACC (216)
- Vehicle speed (km/h, mph) from MIU (540)
- A/C Relay (on/off) from MIU (540)
- Coolant temperature, not T7 (°C) from MIU (540)
- Rheostat value (%) from SID (541)
- Rheostat Night Panel (%) from SID (541)
- Night Panel (on/off) from SID (541)
- Outside temperature (°C) from SID (541)
- The engine has started (on/off) from T7 (430b)
- Coolant temperature (°C) from T7 (430b)
- Diagnostics communication

For further descriptions of the input information from the bus to the control module Bus Communication


Control Module Outputs


Control Module Outputs:






- Dipped beam relay (8)
- Main beam relay (8a)
- Front tog lights relay (107)
- Rear tog lights lamp (33)
- Direction indicators left/right, lamps (27)
- Interior lighting, light switch (53)
- Reading lamp (225)
- Luggage compartment lamp (55) Instrument and control lighting, lamps
- Intermittent windscreen wiper operation, relay (83)
- Intermittent rear window wiper operation, relay (83a)
- Electrically heated rear window and door mirrors, relay (113)
- Radiator fan low-speed, relay (155)
- Radiator fan high-speed, relay (81)
- A/C pressure sensor, power supply (620)

Control Module outputs, bus


Control Module Outputs, Bus:






- A/C (on/off) used by MIU (540), EDC 15 (595)
- A/C Pressure (bar) used by EDC 15 (595)
- Power consumption (on/off) used by MIU (540)
- Position lights (on/off) used by SID (541)
- Electrically heated rear window (on/off) used by ACC (216)
- Rear fog light defective (yes/no) used by SID (541)
- Direction indicators Left (on/off) used by MIU (540), SID (541)
- Direction indicators Right (on/off) used by MIU (540), SID (541)
- Rear fog lights (on/off) used by MIU (540)
- Sound (acoustic information) used by SID (541)
- Ignition +B (on/off) used by Audio (353), TWICE (632)
- Ignition +15 (on/off) used by TWICE (632)
- Ignition +54 (on/off) used by TWICE (632)
- Ignition +50 (on/off) used by ACC (216), TWICE (632)
- Diagnostics communication
- Bus Communication

Control Module outputs, bus (Trionic T7)


Control Module Outputs, Bus (Trionic T7):






- A/C (on/off) used by MIU (540), T7 (430b)
- A/C Pressure (bar) used by T7 (430b)
- Power consumption (on/off) used by MIU (540), T7 (430b)
- Position lights (on/off) used by SID (541)
- Electrically heated rear window (on/off) used by ACC (216)
- Rear tog light defective (yes/no) used by SID (541)
- Direction indicators Left (on/off) used by MIU (540), SID (541)
- Direction indicators Right (on/off) used by MIU (540), SID (541)
- Rear fog lights (on/off) used by MIU (540)
- Sound (acoustic information) used by SID (541)
- Ignition +B (on/off) used by Audio (353), TWICE (632)
- Ignition +15 (on/off) used by TWICE (632)
- Ignition +54 (on/off) used by TWICE (632)
- Ignition +50 (on/off) used by ACC (216), TWICE (632)
- Diagnostics communication

For further descriptions of the control module output information to the bus, Bus Communication

Control Module


Control Module:











The DICE control module is located above the main relay board (LHD) and adjacent to the main relay board (RHD). It is connected to the system components with a 70-pin connector.

As the central unit in the DICE system, the control module checks and controls the system components and functions as follows:

- DICE - controls the power supply to the various system functions. Power is supplied directly via the control module and via external relays that are grounded through the control module.
- DICE - is connected to the instrument bus (I-BUS) and receives, processes and transmits information (communicates) via the bus to/from other systems (control modules) connected to the bus.
- DICE - has its own diagnostics function and diagnostic trouble codes are set when faults occur.
- DICE - is programmable. Certain functions can be programmed to meet with laws, market demands, customer requirements and the car's equipment.


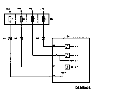
Control Module Power supply


Control Module Power Supply:











Power supply (+B circuit)
From fuse 11 (22a) to control module, pin 7.

Power supply (+15 circuit)
From fuse 17 (22a) to control module, pin 64.

Power supply (+30 circuit)
From fuse 35 (22a) to control module, pin 26.

Power supply (+54 circuit)
From fuse 21 (22a) to control module, pin 31.

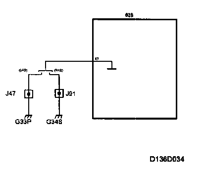
Control Module Ground


Control Module Ground:











Ground connection
The control module is grounded to grounding points G33P (LHD) and G34S (RHD) via pin 57.