Curiosii for ever!: Car repair manuals for everyone.

Control Panel



Control Panel







The control panel consists of a display with three control knobs for manual control of temperature, air distribution and fan speed. The electrically heated rear window and door mirrors, air recirculation and eventual A/C is controlled by buttons.

Diagnosis
The control panel does not contain any diagnostic functions and is not connected to a bus.

Control Panel Power Supply










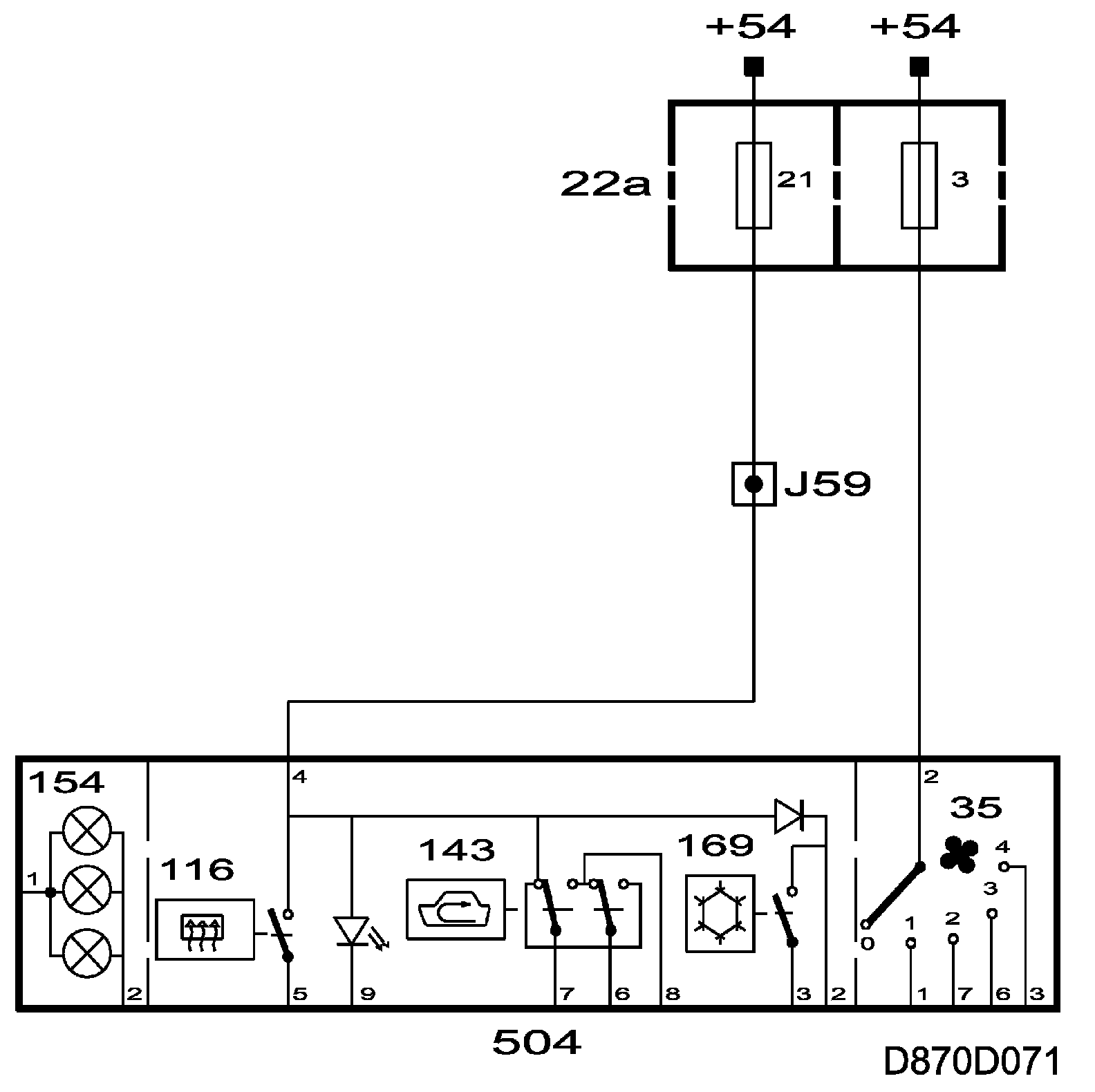
The control panel is supplied with power from +54. When the starter motor is engaged, power supply is missing from +54.
The ventilation fan is connected to +54 via fuse 3. Other functions are supplied with power across fuse 21.

Control panel grounding points










The fan motor is grounded from grounding point G33P and other functions are grounded from grounding point G34S.