Curiosii for ever!: Car repair manuals for everyone.

Checking Control Module Grounding - II




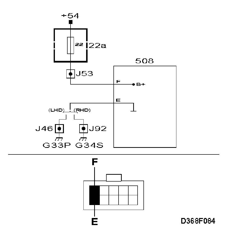
Checking Control Module Grounding

















Take a voltage reading.
B+
5 (E) - Cruise control module


The value should be B+.

Checking the Wiring Harness
Jiggle the leads and in-line connectors at several places and in different directions to reveal intermittent breaks and short circuits in the wiring harness. Observe the multimeter, test lamp or diagnostic tool while doing this.
Is the function correct?

NO - Rectifying the Lead - V

YES - Changing Components - III