Curiosii for ever!
: Car repair manuals for everyone.
Home
>>
Saab
>>
2000
>>
9-3 Hatchback (9400) L4-2.0L Turbo (B205)
>>
Repair and Diagnosis
>>
Cruise Control
>>
Relays and Modules - Cruise Control
>>
Cruise Control Module
>>
Testing and Inspection
>>
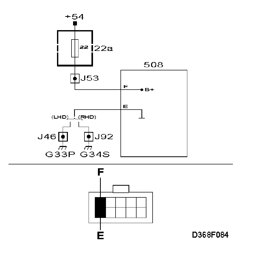
Checking the Control Module Grounding
>>
Manual Gearbox
>>
Rectifying the Lead - I
Rectifying the Lead - I
Rectifying the Lead
-
Rectify the power supply to the fuse.
After performing this procedure
Final Check