Curiosii for ever!
: Car repair manuals for everyone.
Home
>>
Saab
>>
2000
>>
9-3 Hatchback (9400) L4-2.0L Turbo (B205)
>>
Repair and Diagnosis
>>
Accessories and Optional Equipment
>>
Memory Positioning Systems
>>
Memory Positioning Module
>>
Service and Repair
Memory Positioning Module: Service and Repair
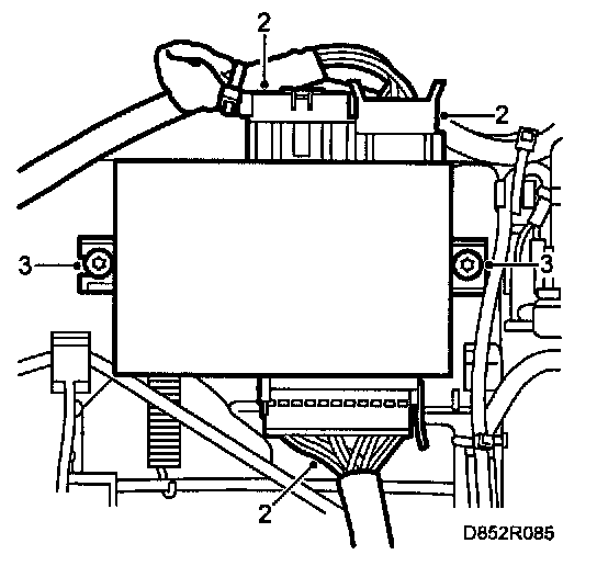
To remove
1
Remove the front seat and tip it rearward, see.
2
Unplug 3 connectors on the control module.
3
Unscrew the control module from the console, 2 screws.
To fit
Fit in reverse order.