Curiosii for ever!: Car repair manuals for everyone.

Body Control Module

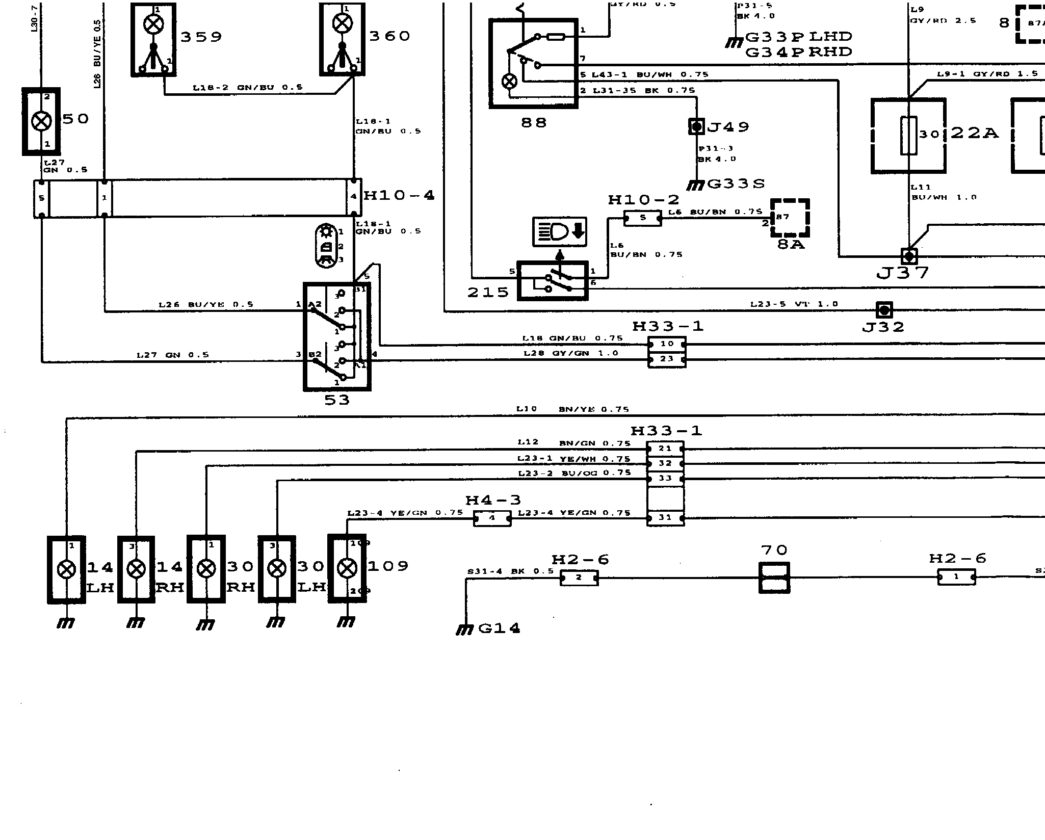
z�A ��A �B �B �4B tVB mrB Wiring Diagram Integrated Central Electronics ICE:




WIRING DIAGRAM

Integrated Central Electronics: Component Location:




COMPONENT LOCATION VIEW

Integrated Central Electronics: Component ID:




COMPONENT ID
8 Headlamp relay on main relay board in the engine bay.
8A Dipswitch relay on main relay board in the engine bay.
10 Lights switch on dashboard between steering wheel and driver's door.
14 Rear light lamps in the rear light clusters.
16 Instrument lighting rheostat in the switch assembly between steering wheel and driver's door.
20 Ignition switch in centre console between the front seats.
22A Main fuse board in the dashboard.
24 Direction indicators stalk switch on the left-hand side of the steering column.
25 Hazard flashers switch beside the SID unit.
27 Direction indicator lamps, right-hand side, in front and rear light clusters.
28 Direction indicator lamps, left-hand side, in front and rear light clusters.
29 Brake light switch on the pedal assembly.
30 Brake light lamp in right-hand and left-hand rear light cluster.
45 Engine coolant temperature sensor Integrated Central Electronics (ICE) on left-hand side of the engine.
50 Rear roof lamp.
51 Front roof lamp.
53 Interior lighting switch on centre console between the front seats.
54 Door switch at bottom of door opening.
61 Windshield wiper stalk switch on the right-hand side of the steering column.
61A Rear window wiper switch on the windshield wiper stalk switch.
70 Seat-belt switch, driver's seat, in the belt buckle.
72 Seat-belt warning lamp above the SID unit.
81 Relay, 2-speed radiator fan, on main relay board in the engine bay.
83 Relay, intermittent windshield wiper operation, on main relay board in the dashboard.
83A Relay, intermittent rear window wiper operation, on main relay board in the dashboard.
88 Switch for extra fog lights in switch assembly between steering wheel and driver's door.
107 Relay, extra fog lights, on main relay board in the engine bay.
109 High-level brake light on tailgate.
113 Relay, electrically heated rear window, on main relay board in the dashboard
155 Relay, 2-speed radiator fan (low speed), on main relay board in the engine bay.
161 Switch for rear fog light in the switch assembly between steering wheel and driver's door.
166 3-stage A/C pressure switch on the receiver between front grille and radiator.
171 Antifrost thermostat, A/C, behind glove box on the evaporator housing.
215 Dipswitch on the left of the steering column.
216 ACC control module in centre of dashboard.
289 Anti-theft alarm control module under left-hand front seat.
359 Illuminated vanity mirror/reading lamp, left-hand side, under the sun visor.
360 Illuminated vanity mirror/reading lamp, right-hand side, under the sun visor
419 A/C pressure switch, high pressure, on the receiver between front grille and radiator.
430 Trionic control module behind side trim on right-hand side.
445 Data link connector under dashboard
(H16-1) by the steering wheel.
446 Relay, driver's seat, under the seat.
447 Relay, passenger's seat, under the seat.
500 Integrated Central Electronics (ICE) control module
LHD: above main relay board in dashboard
RHD: behind main relay board in dashboard
501 Maxi fuse holder in the engine bay behind the battery.
504 Control panel for heating and ventilation, in centre of dashboard.
505 Control module, M2.10.1, behind side trim on right-hand side.
510 Control module, M2.8.1, behind side trim on right-hand side.
540 Main instrument display panel on the dashboard.
541 SID unit on the dashboard.

2-Pin Connectors
H2-6 Under the left-hand seat.
H2-7 Under the right-hand seat.

4-Pin Connectors
H4-3 In luggage compartment, behind the left-hand wheel housing.
H4-4 In luggage compartment, behind the left-hand wheel housing.

8-Pin Connectors
H8-2 Under the left-hand seat.
H8-3 Under the right-hand seat.

10-Pin Connectors
H10-2 On the bracket below the left-hand A pillar.
H10-4 In luggage compartment, behind the left-hand wheel housing.

33-Pin Connectors
H33-1 Grey connector on the bracket below the left-hand A pillar.
H33-2 Black connector on the bracket below the left-hand A pillar.
H33-3 Blue connector on the bracket below the left-hand A pillar.
H33-4 On the bulkhead partition behind the glove box.

Grounding Points
G14 Grounding point, left-hand front seat member, under the seat.
G24 Grounding point, right-hand front seat member, under the seat.
G33S Grounding point, connector bracket (Signal) below the left-hand A pillar
G33P Grounding point, connector bracket (Power) below the left-hand A pillar.

DESCRIPTION OF OPERATION
Because the Integrated Central Electronics (ICE) system is so extensive, only information of a more general nature can be given in this system.

The ICE (Integrated Central Electronics) is a programmable electronic unit which controls a number of relays as well as sending and receiving information to and from different components.

The ICE Unit Controls The Following Functions:
^ Main and dipped beams
^ Follow-me-home function
^ Direction indicators, hazard flashers
^ Extra fog lights
^ A/C compressor turn-off
^ Radiator fan (high and low speed)
^ Intermittent wash/wipe, windshield and rear window
^ Electrical heating of rear window and door mirrors
^ Interior lighting and reading lights
^ Seat-belt and ignition-key warning
^ Monitoring of rear parking lights and brake lights
^ Electrically adjustable front seats
^ Monitoring of battery voltage

The Following Components Send Information To The ICE:
^ Lights switch
^ Dipswitch
^ Direction indicator stalk switch and hazard flashers switch
^ Switch for extra fog lights
^ Brake light switch
^ Coolant temperature sensor
^ A/C system pressure switches
^ Windshield and rear window wiper stalk switch
^ ACC control panel with information for electrically heated rear window and A/C compressor
^ Door switches
^ Driver's seat-belt switch
^ Ignition switch

The ICE Sends The Following Information:
^ Door open (to main instrument display panel and anti-theft alarm)
^ Different types of sound, such as for seat-belt and ignition key reminder (to the SID unit)
^ Defective rear light or brake light (to SID unit)
^ Coolant temperature (to main instrument display panel)
^ Prior notice of radiator fan turn-on/turn-off (to M2.10.2 engine management system)

1. Lighting Front And Rear
In regard to the lighting systems, the ICE controls the relays for the lights, main and dipped beam, and extra fog lights.

Main and dipped beam are monitored by means of a filament monitor located together with the lighting relays in the main fuse box in the engine bay.

The ICE monitors the rear parking lights, brake lights and high-level brake light.

Should a rear bulb fail, the ICE informs the SID unit which grounds the "Defective lamp" warning lamp in main instrument display panel 1 or displays a message and lights up the INFO DISPL lamp in main instrument display panel 2.

The ICE also controls a "Follow-me-home" function,i.e. if the dipswitch is actuated after the door is opened, dipped beams will continue to shine for about 30 seconds after the door is closed.

2. Wash/Wipe Systems
The ICE controls the relays for intermittent wiper operation and wiping after washing of the windshield and rear window.

The ICE controls the windshield and rear window wipers so that they will be synchronized after a single sweep cycle.

When the windshield and rear window have been washed and the wipers have completed 3-4 cycles, the ICE causes the windshield wipers to carry out an extra sweep cycle after 8 seconds and the rear window wiper an extra sweep cycle after 16 seconds.

The relays are located in the main fuse box under the dashboard adjacent to the steering column.

3. Instrument Systems
The ICE sends information to the SID unit and the main instrument display:
^ on the sound the SID unit is to generate, e.g. "tick tack" for the direction indicators or "ding dong" for the seat-belt and ignition key warning.
^ on a defective rear bulb or brake light so that the "DEFECTIVE LAMP" indicator lamp lights up in main instrument display panel 1 or the INFO DISPL lamp in main instrument display panel 2 with clear text in the SID unit display.
^ on coolant temperature to the main instrument display panel.

4. Climate Systems
The ICE controls the relay for heating of the rear window and door mirrors and monitors one or two pressure switches in the A/C system.

Information that the A/C compressor is going to be turned on passes via the ICE control module. This is so that the ICE control module can turn oft the compressor if the coolant temperature is extremely high.

For control of the radiator fan in the event of high pressure in the A/C system, see also under "Cooling Systems".

5. Cabin Systems
The ICE controls the interior lighting and reading lamps by grounding the lamps. It also lights up the seat-belt warning lamp on the dashboard for 6 seconds when the ignition is switched on.

Some cars have a seat-belt reminder with a "ding-dong" sound and an ignition key reminder. The ICE sends information to the SID unit which generates the sound. See also under "Instrument Systems".

The electrically adjustable seats can be operated if a door is open or if the ignition is switched on (+54 circuit).

If a door is left open for more than 20 minutes, the ICE switches off the interior lighting and stops grounding the seat relay to save the battery.

6. Charging Systems
The ICE checks battery voltage continuously and after a time may switch off the electrically heated rear window and electrically heated door mirrors if battery voltage is abnormally high or low.

7. Cooling systems
The ICE control module receives continuous information on the temperature of the cooling system from the coolant temperature sensor.

One or two pressure sensors in the A/C system close under different pressure conditions, causing pins 22 and 69 of the ICE control module to be grounded. If the temperature or the pressure is too high, the ICE turns on the radiator fan by grounding the relay or relays.

If there are two relays the radiator fan can be run at both high and low speed.

8. Engine systems
The ICE sends a signal to the M2.10.2 engine management system when the radiator fan is going to be turned on or off.

The signal from the climate system to turn on the A/C compressor passes via the ICE, see also "Climate Systems".

FAULT DIAGNOSIS HINTS
An Intellegant Saab Tester (ISAT) scan tool should be used for diagnosing faults in the ICE system.