Curiosii for ever!
: Car repair manuals for everyone.
Home
>>
Saab
>>
1990
>>
9000 L4-2290cc 2.3L DOHC
>>
Repair and Diagnosis
>>
Powertrain Management
>>
Computers and Control Systems
>>
Relays and Modules - Computers and Control Systems
>>
Engine Control Module
>>
Diagrams
>>
Diagram Information and Instructions
>>
Power Distribution
>>
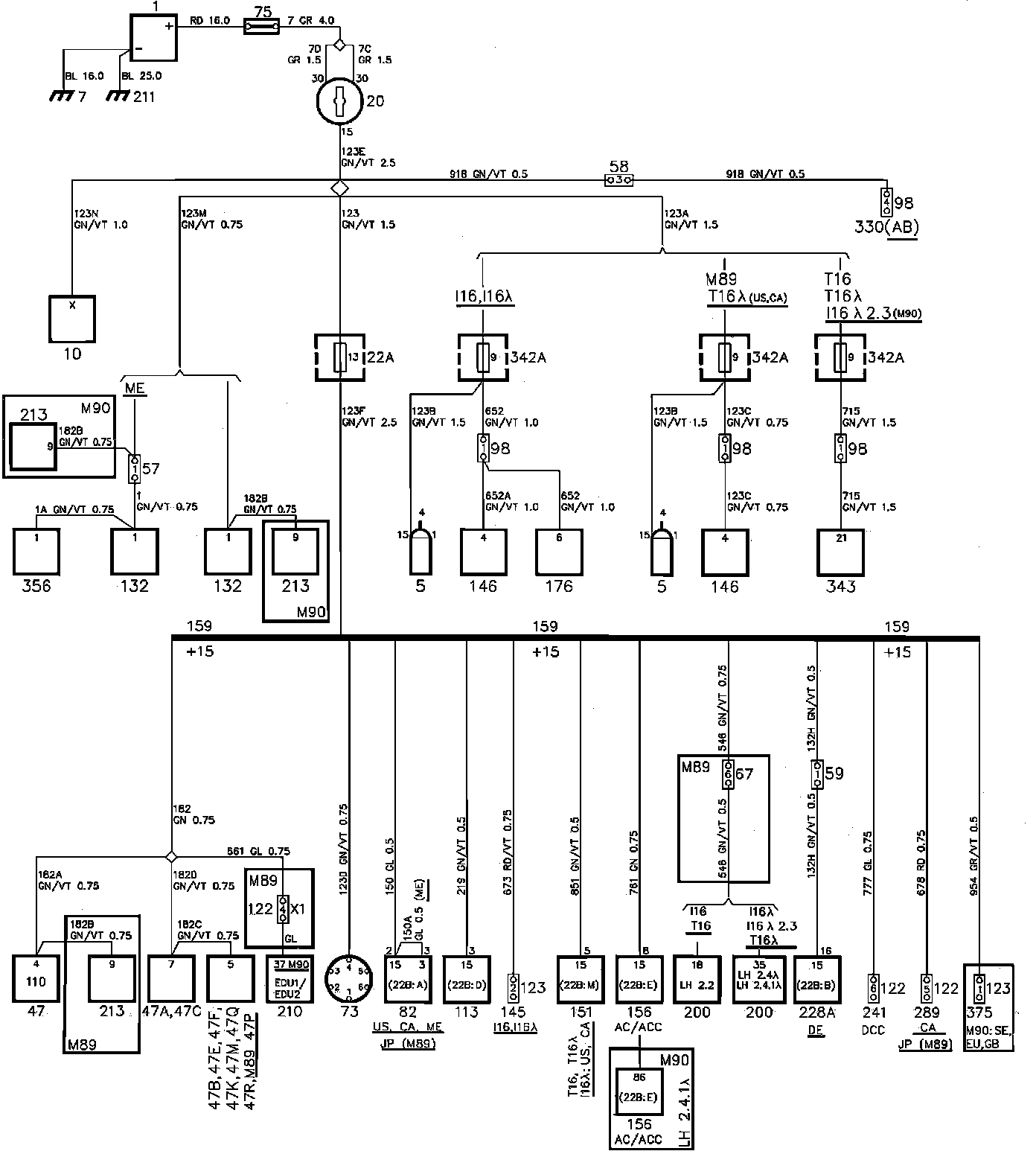
Terminal +15
Terminal +15
Power Distribution +15: