Curiosii for ever!: Car repair manuals for everyone.

Starting System: Locations

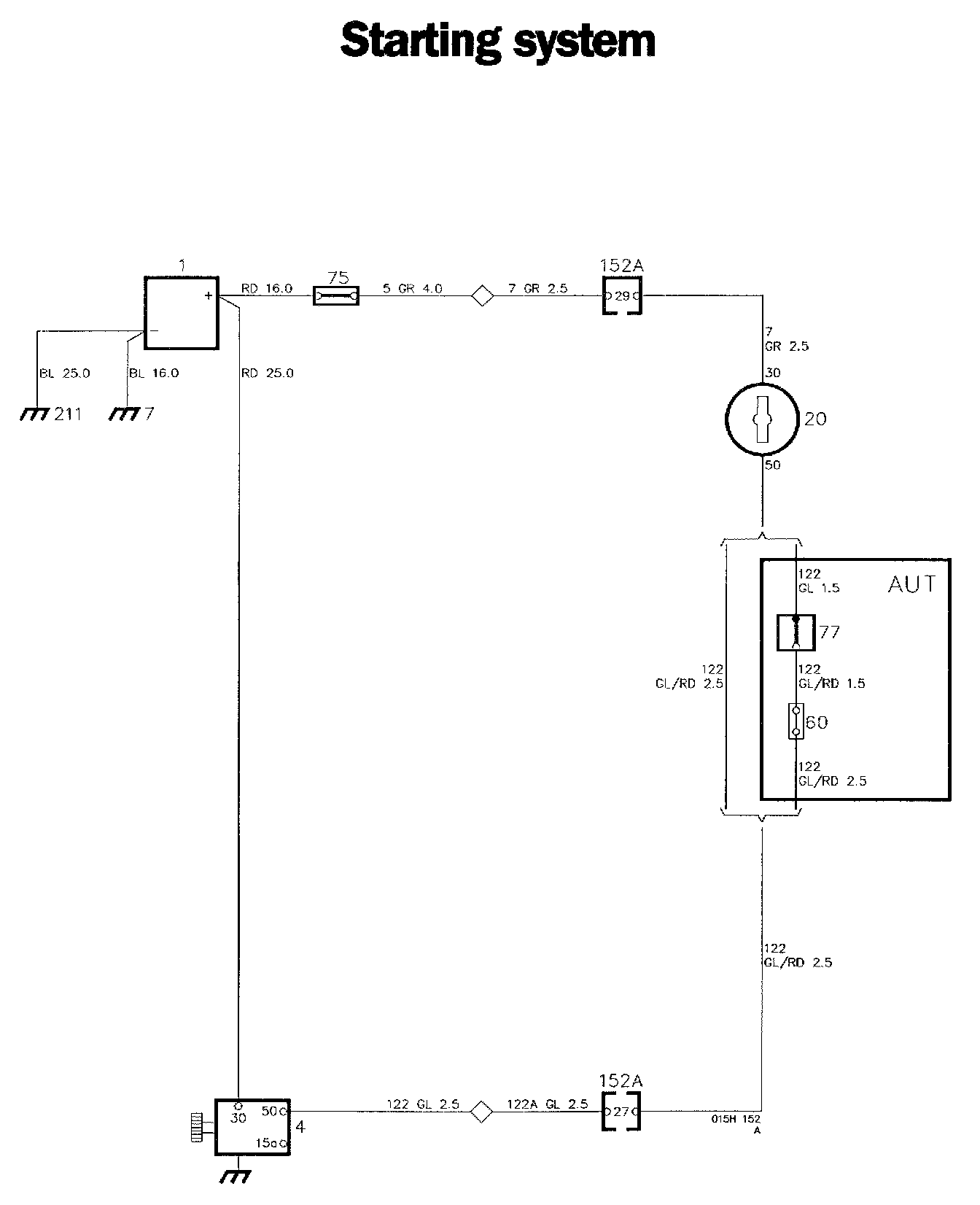
Starting System Components:




Starting System Diagrams:




Locations of components

1 Battery
On the right-hand side of the engine compartment

4 Starter motor
On the left-hand side of the engine (intake side)

7 Earthing point, radiator cross-member

20 Ignition switch
On the centre console between the front seats

60 Single-pole connector (only on cars with automatic transmission)
Under the centre console, between the front seats

75 Distribution block
In the engine compartment, on the right-hand side

77 Start inhibitor switch (only on cars with automatic transmission)
At the selector lever

152A 29-pole white connector
In the engine compartment, in the electrical distribution box on the left-hand wheel housing. The connector is accessible from the interior of the car.

211 Earthing point
On the gearbox

Operation

The supply to ignition switch 20 is taken from battery 1 across white 29-pole connector 152A, and a supply cable is also run directly from the battery to terminal 30 of starter motor 4.

When the ignition switch is turned to the start position, the solenoid coil in the starter motor will be energized (+50). The coil will close the starting contacts, so that current will flow from the battery through the starter motor, and the starter motor will start to rotate.

Automatic transmission
Cars with automatic transmission are also equipped with start inhibitor switch 77 which prevents the engine from being started when one of the gears is engaged.

Fault-tracing hints
1. Check that terminal 30 of starter motor 4 is live.
2. Check the energizing voltage to the starter motor solenoid when the ignition switch is in the start position.
3. Check start inhibitor switch 77 on cars with automatic transmission.
4. Check that the engine is earthed to the chassis of the car.
5. Check the connectors and the wiring.