Curiosii for ever!: Car repair manuals for everyone.

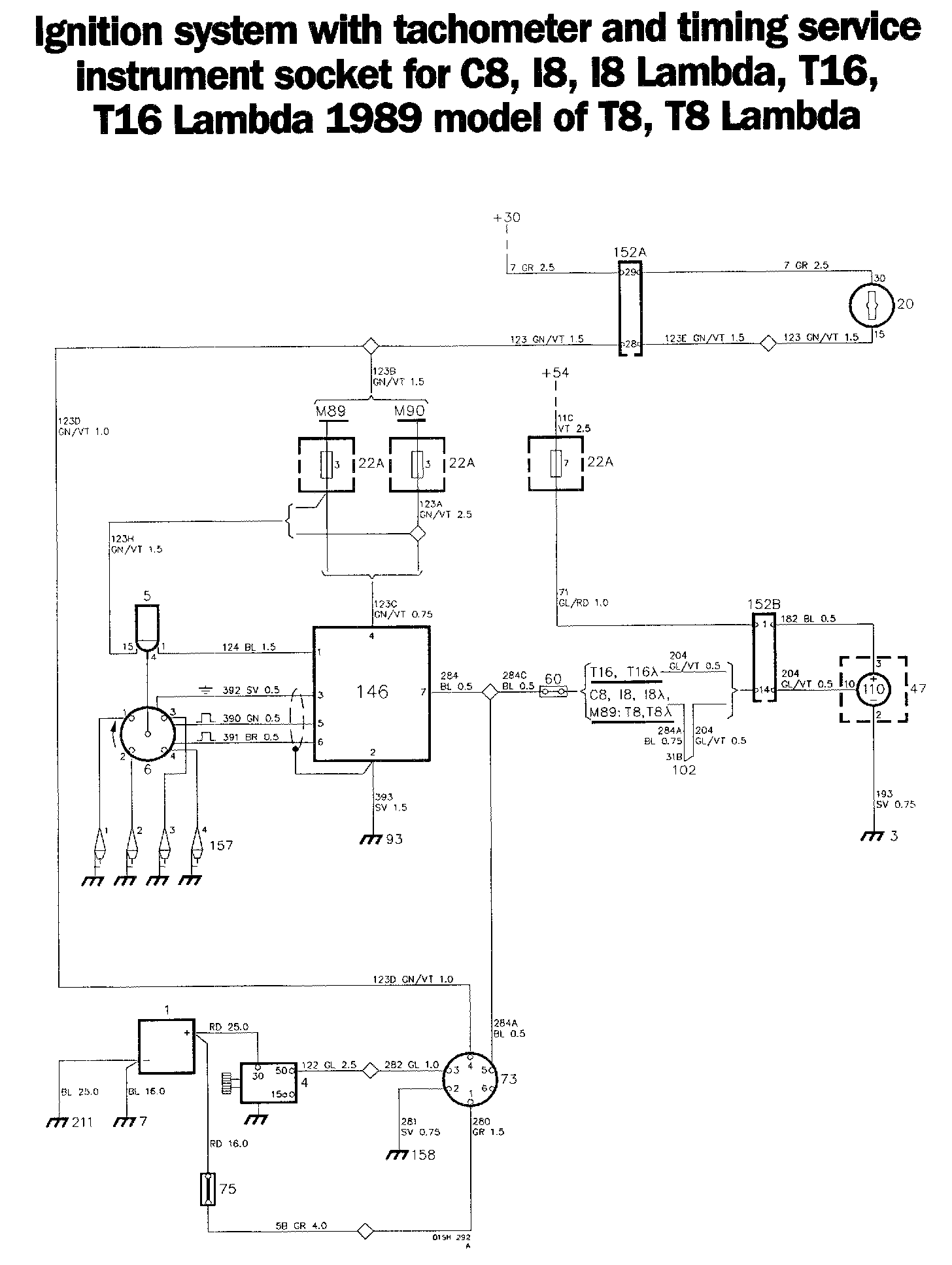
Ignition System W/Tach

Ignition System W/Tach Components:




Ignition System W/Tach Diagrams:




Locations of components

1 Battery
On the right-hand side of the engine compartment

3 Earthing point
In the fascia

4 Starter motor
On the left-hand side of the engine (intake side)

5 Ignition coil
On the cross-member above the radiator

6 Ignition distributor
At the front of the engine

7 Earthing point
On the radiator cross-member

20 Ignition switch
On the centre console between the front seats

22A Fuse holder
In the electrical distribution box, in the engine compartment, on the left-hand wheel housing

47 Combined instrument
On the fascia

60 Single-pole connector
In the electrical distribution box, in the engine compartment, on the left-hand wheel housing

73 Timing service instrument socket
In the electrical distribution box, in the engine compartment, on the left-hand wheel housing

75 Distribution block
In the engine compartment, on the right-hand side

93 Earthing point
On the left-hand wheel housing member

102 Fuel pump relay
In the electrical distribution box in the engine compartment, relay positions F and G (T8 and T8 Lambda) or relay position G (I8 and I8 Lambda)

110 Tachometer
In combined instrument 47 on the fascia

146 Amplifier for the electronic ignition system
In the engine compartment, on the left-hand wheel housing

152A 29-pole white connector
152B 29-pole red connector
In the engine compartment, in the electrical distribution box on the left-hand wheel housing. The connectors are accessible from the interior of the car.

157 Spark plug
On the engine

158 Negative distribution terminal
In the electrical distribution box in the engine compartment, on the left-hand wheel housing

211 Earthing point
On the gearbox

Operation
This breakerless ignition system is equipped with a Hall sensor. (The EZK ignition system is discussed in a separate section.)

When ignition switch 20 is in the start or drive position, ignition coil 5 and amplifier 146 will be energized (+15).

The amplifier receives ignition pulses (via a 3-core shielded cable) from the Hall sensor in ignition distributor 6.

The pulses are amplified and adapted in amplifier 146. A high-tension pulse is generated in the secondary winding each time a pulse breaks the primary circuit of the ignition coil. The high-tension pulse is then supplied to the corresponding spark plug via the distributor.

Tachometer 110 is supplied across fuse 7. The control pulses required for displaying the engine speed are supplied from the ignition amplifier.

Timing service instrument (TSI) socket 73 is intended for a special ignition service instrument and has the following terminals:

1. Positive supply direct from battery 1
2. Earth
3. Solenoid (terminal 50) on starter motor 4
4. Positive supply (+15) from the ignition switch when the latter is in the start or drive position
5. Ignition pulses from ignition system amplifier 146
6. Not used

Fault-tracing hints
The ignition system will be energized when the ignition switch is in the drive position.

1. Check fuse 3, and check that terminal 15 of the ignition coil and terminal 4 on the timing service instrument socket are live.

2. Check that terminal 4 of amplifier 146 is live.

3. Tachometer: First check fuse 7, and check that the supply to it is live. Check that terminal 3 on the circuit board for tachometer 110 is live, and that ignition pulses are being supplied from the amplifier.

4. Check all connectors, cable harnesses and earth connections.