Curiosii for ever!: Car repair manuals for everyone.

APC System (Automatic Boost Control)

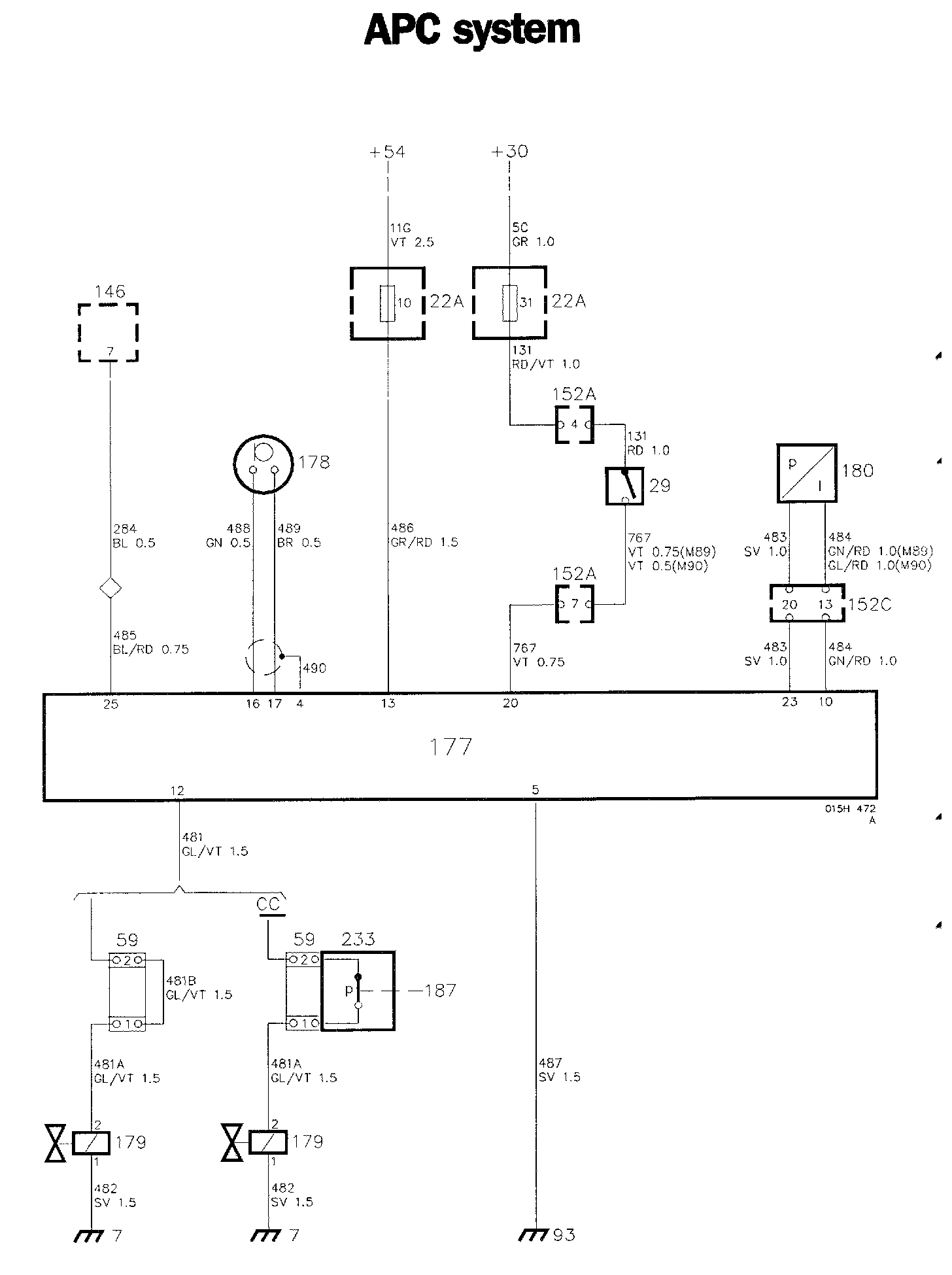
APC System Components:




APC System Diagrams:




Locations of components

7 Earthing point
On the radiator cross-member

22A Fuse holder
In the electrical distribution box, in the engine compartment, on the left-hand wheel housing

29 Brake light switch
At the brake pedal

59 2-pole connector
In the engine compartment, on the left-hand wheel housing

93 Earthing point
On the left-hand wheel housing member

146 Amplifier for the electronic ignition system
In the engine compartment, forward of the left-hand wheel housing

152A 29-pole white connector
152C 29-pole black connector
In the electrical distribution box, in the engine compartment, on the left-hand wheel housing. The connectors are accessible from the interior of the car.

177 Control unit for the APC system
In the engine compartment, forward of the left-hand wheel housing

178 Knock sensor
On the engine, below the intake manifold

179 Solenoid valve
On the radiator fan casing

180 Pressure transmitter
Under the fascia, to the left of the steering column (behind the knee shield)

187 Vacuum pump for Cruise Control
In the engine compartment, forward of the left-hand wheel housing

233 Vacuum switch
In the engine compartment, on the left-hand wheel housing

Operation
The engine is equipped with an Automatic Performance Control (APC) system, which enables the engine to adjust itself automatically to the grade of fuel supplied to it at any particular time.

The APC system is controlled by control unit 177, which is supplied (+54) from fuse 10. The unit receives signals from various sensors, processes the signals and then controls the boost pressure of the turbocharger via solenoid valve 179.

The system receives information from the following sensors:

- Knock sensor 178, which senses any knocking in the engine
- Pressure transmitter 180 which senses the pressure in the intake pipe upstream of the throttle.

The signals from the sensors and from ignition system amplifier 146 are fed continuously into the control unit. On the basis of the electrical signals received, the unit then controls the solenoid valve and thus the boost pressure from the turbocharger. In addition, it receives a signal from brake light switch 29 when the foot brake is applied, which enables the control unit to reduce the boost pressure to the basic value. Since the boost pressure is continuously adjusted to the octane rating of the fuel and the running conditions of the engine, it has proved unnecessary to provide the adjustment margins that must normally be allowed to avoid damage to the engine. As a result, maximum energy can be extracted from the fuel used on any particular occasion.

Cars with the Turbo engine and Cruise Control are equipped with vacuum switch 233, which is actuated by vacuum pump 187 via a vacuum hose. When the contacts have opened, the control unit reduces the boost pressure to the basic value.

Fault-tracing hints
Always take the following measures before fault-tracing in the APC system:

1. Disconnect the connector from the control unit.
2. Disconnect the connector from the component which is suspected to be faulty.
3. Use an ohmmeter to check the wiring for any open circuits, etc.

The resistance of the pressure transmitter (measured at atmospheric pressure) is 5 - 13 ohm.