Curiosii for ever!
: Car repair manuals for everyone.
Home
>>
Saab
>>
1990
>>
900 L4-1985cc 2.0L DOHC
>>
Repair and Diagnosis
>>
Powertrain Management
>>
Computers and Control Systems
>>
Engine Control Module
>>
Diagrams
>>
Diagram Information and Instructions
>>
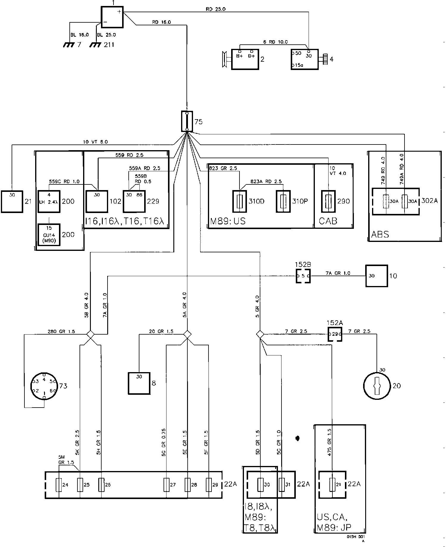
Power Distribution
>>
Terminal +30
Terminal +30
Power Distribution +30: