Curiosii for ever!: Car repair manuals for everyone.

Cruise Control: Locations

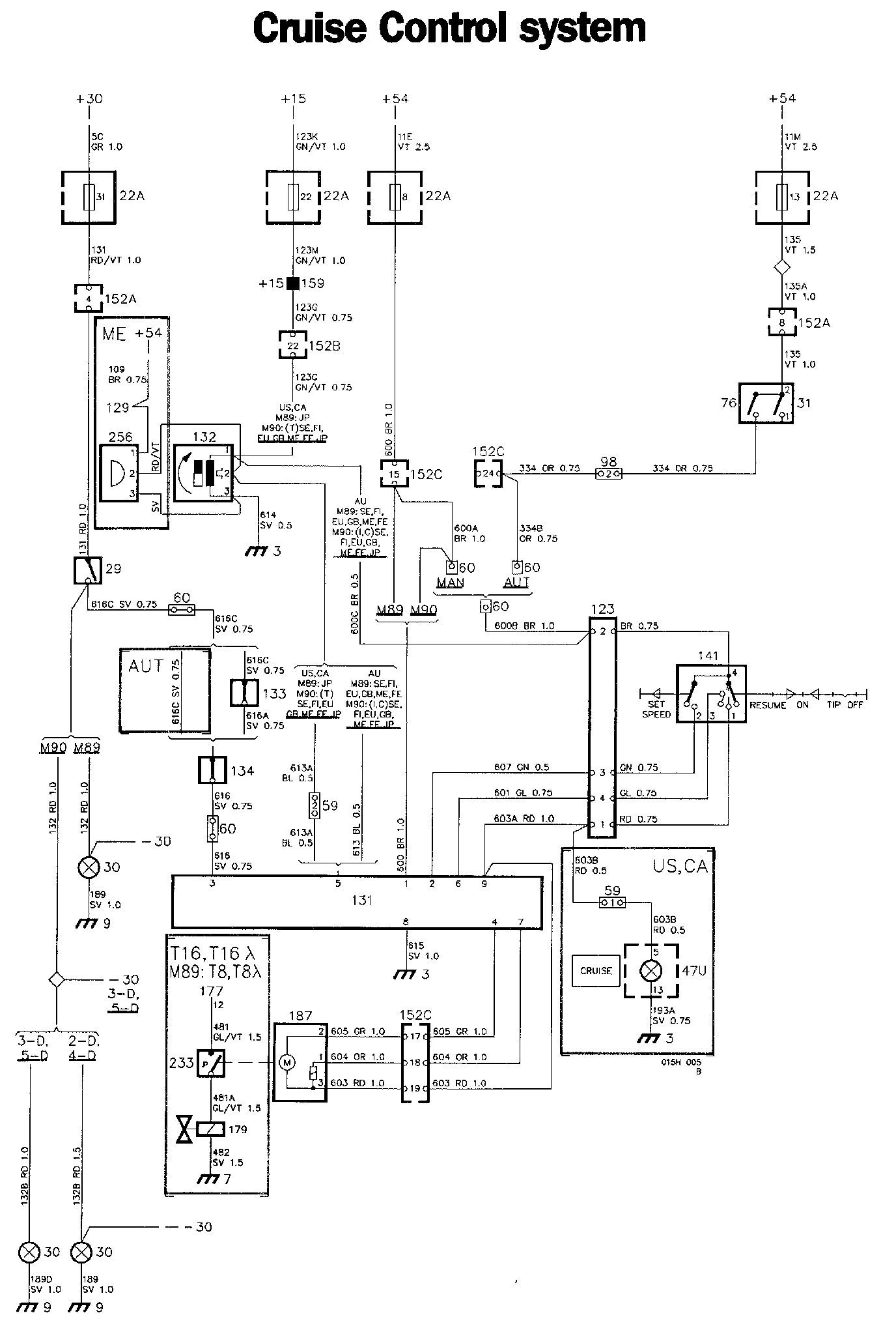
Cruise Control Components:




Cruise Control Diagrams:




Locations of components

3 Earthing point
In the fascia

7 Earthing point
On the radiator cross-member

9 Earthing point
In the luggage compartment

22A Fuse holder
In the electrical distribution box, in the engine compartment, on the left-hand wheel housing

29 Brake light switch
At the brake pedal

30 Brake lamps
In the rear light clusters

31 Reversing light switch
Under the centre console, at the selector lever

47U Cruise Control warning lamp
In the combined instrument

59 2-pole connector
Under the fascia, on the left-hand side (behind the knee shield)

60 Single-pole connector
Two on the left-hand side under the fascia, at the 29-pole connector
Two under the fascia, to the left of the steering column, behind the knee shield

76 Switch for raising the idling speed, auto. trans.
Under the centre console, at the selector lever

98 10-pole connector
To the left of the steering column, under the fascia

123 4-pole connector
On the left-hand side, under the fascia (behind the knee shield)

129 Buzzer for coolant temperature
Under the fascia, to the left of the steering column, behind the knee shield

131 Control unit for Cruise Control
On the left-hand side under the fascia (behind the knee shield)

132 Speed transmitter
In the combined instrument

133 Clutch switch for Cruise Control
At the clutch pedal

134 Brake switch for Cruise Control
At the brake pedal

141 Selector for Cruise Control
In the direction indicator stalk switch, on the left-hand side of the steering column

152A 29-pole white connector
152B 29-pole red connector
152C 29-pole black connector
In the electrical distribution box in the engine compartment, on the left-hand wheel housing. The connectors are accessible from the interior of the car.

159 Distribution terminal +15
In the electrical distribution box, in the engine compartment, on the left-hand wheel housing

177 Control unit for the APC system
In the engine compartment, forward of the left-hand wheel housing

179 Solenoid valve
At the extreme front of the engine compartment, above the radiator fan

187 Vacuum pump for Cruise Control
In the engine compartment, forward of the left-hand wheel housing

233 Vacuum switch for Cruise Control
In the engine compartment, on the left-hand wheel housing

256 Speed warning buzzer
Behind the combined instrument

Operation
The Cruise Control system consists of the following components:

- Speed transmitter 132
- Selector 141 for Cruise Control
- Control unit 131 for Cruise Control
- Vacuum pump 187 for Cruise Control (with vacuum valve)
- Vacuum controller
- Pedal switches 133 and 134

The system is switched in by means of selector 141. When the latter is set to the ON position, the supply will be taken to vacuum pump and vacuum valve 187. The pump is earthed across terminal 4 and valve across terminal 7. In addition, a supply is taken from the selector to terminal 9 of the control unit.

When the SET button is depressed, the supply circuit will be closed to terminal 2 of the control unit and the road speed of the car will be read by speed transmitter 132. The value will be fed into the memory of the control unit and stored there.

Vacuum pump 187 generates a vacuum in the vacuum controller. This vacuum corresponds to the selected speed. The vacuum controller is connected by chain to the accelerator linkage.

The speed of the car is sensed continuously and is compared with the value stored in the memory. In the event of a deviation, the vacuum pump/vacuum valve will increase or decrease the vacuum in the controller, thus resetting the accelerator linkage.

When terminal 4 is earthed, the vacuum pump will run and the vacuum in the controller will increase, thereby increasing the accelerator setting.

When terminal 7 is earthed, the vacuum valve will be closed and the vacuum in the system will be constant.

When terminals 4 and 7 are both open (not earthed), the vacuum pump will be stationary and the valve will be open. The vacuum in the controller will decrease, thereby reducing the accelerator setting.

If the clutch or brake pedal is depressed, the circuit to earth will be opened by the corresponding pedal switch (133 or 134). At the same time, a valve in the pedal switches will open, so that the vacuum will be lost. The pedal switches thus take both the electrical system and the vacuum system out of operation.

The pedal switches are normally earthed across the brake light bulbs. If a fault should occur on one of the switches 133 or 134, the Cruise Control system will be switched out by brake light switch 29, since a positive voltage will be applied to terminal 3 of control unit 131.

The memory of the control unit is not erased, so the selected speed can be resumed after the pedal has been released. This is done by pressing the selector to the RESUME position, thereby applying a supply voltage to terminal 6 of the control unit.

A TIP position is provided between the ON and OFF positions of selector 141. When the selector is pressed to this position, the supply to terminal 9 of the control unit will be interrupted and the Cruise Control system will be switched out (the vacuum pump will stop and the vacuum valve will open).

When the selector is released, its return spring will return it to the ON position, and the supply to terminal 9 of the control unit will be re-established.

To revert to the selected speed, the selector must be pressed to the RESUME position, thereby applying a supply voltage to terminal 6 of the control unit.

The information in the memory of the control unit is erased when the ignition is switched off.

Cars with the Turbo engine and Cruise Control are also equipped with vacuum switch 233 controlled from the vacuum pump through a hose. When the switch is closed, the control unit will reduce the boost pressure to the basic value, thus providing smoother control of the speed of the car.

Manual gearbox
The Cruise Control system is supplied from fuse 8.

Automatic transmission
The Cruise Control system is supplied from fuse 13 via the white 29-pole connector 152A. The system will thus be inoperative until the selector lever is in one of the drive positions.

US and CA markets
Cars for these markets are equipped with a CRUISE warning lamp (47U) which will light up when selector 141 is set to ON.

Fault-tracing hints
The Cruise Control system will be operative when the ignition switch is in the drive position.

OFF position

Note.
Fault tracing can be carried out without the ignition being set to drive.

1. Check fuse 8 and check that the supply to it is live (MAN).
2. Check fuse 13 and check that the supply to it is live. Also check switch 76 (AUT).
3. Check that the supply to terminal 4 of selector 141 and to terminal 1 of control unit 131 is live.
4. Check the voltage at terminal 1 of speed transmitter 132.

ON position

1. Check the voltage at terminal 1 of the selector and at terminal 9 of the control unit.
2. Check that the supply to vacuum pump 187 is live.

SET position (spring-loaded)

1. Check the voltage at terminal 2 of the selector and terminal 2 of the control unit.

RESUME position (spring-loaded)

1. Check the voltage at terminals 1 and 3 of the selector and at terminals 6 and 9 of the control unit.

2. Check that the supply to the vacuum pump is live (cable 603 RD).

3. Check the connectors cable harnesses and earth connections.