Curiosii for ever!: Car repair manuals for everyone.

CI Fuel System With Lambda

Fuel System With Lambda (1984-86) Components:




CI Fuel System With Lambda (1986) Diagrams:




Locations of components

4 Starter motor
On the right-hand side of the engine (exhaust side)

5 Ignition coil
On the cross-member above the radiator

7 Earthing point
On the radiator cross-member

9 Earthing point
In the luggage compartment

20 Ignition switch
On the centre console between the front seats

22 Fuse box
In the electrical distribution box in the engine compartment, on the left-hand wheel housing

57 3-pole connector
1984 models: in the engine compartment, at the extreme rear on the left-hand side, beside the expansion tank

59 2-pole connector
One in the electrical distribution box in the engine compartment, on the left-hand wheel housing two at the fuel pumps, under the luggage compartment floor one "TEST" connector in the engine compartment, on the left-hand wheel housing

60 Single-pole connector
In the electrical distribution box in the engine compartment, on the left-hand wheel housing

67 6-pole connector
1984 and 1985 models: in the engine compartment, at the extreme rear on the left-hand side, beside the expansion tank

73 Timing service instrument socket (TSI socket)
In the electrical distribution box in the engine compartment, on the left-hand wheel housing

77 Start inhibitor switch (auto)
Under the centre console, at the selector lever

79 Vacuum switch
In the engine compartment, on the inside of the left-hand wheel housing member, at the fuel filter

92 Temperature time switch
1984 and 1985 models: on the engine intake manifold, on the flange against the cylinder head - located as on the 1986 models if the service kit is fitted.
1986 models: on the engine thermostat housing

94 Starting valve
On top of the engine throttle housing

95 Auxiliary air valve
At the front of the engine, beside the thermostat housing

96 Control pressure valve
At the front of the engine, on the thermostat housing

97 Temperature switch I, Lambda
1984 and 1985 models: on the engine thermostat housing - Located as on the 1986 models if the service kit is fitted.
1986 models: on the engine intake manifold

99 Temperature switch II, Lambda
1985 and 1986 models: on the engine thermostat housing

101 Fuel feed pump
In the fuel tank, under the luggage compartment floor

102 Fuel pump relay
In the electrical distribution box in the engine compartment, on the left-hand wheel housing

103 Fuel pump
In the fuel tank, under the luggage compartment floor

104 Hot start relay
In the engine compartment, in the Lambda relay box forward of the left-hand wheel housing

105 Engine speed relay
1984 and 1985 Turbo only in the engine compartment, in the Lambda relay box forward of the left- hand wheel housing

106 Time delay relay
In the engine compartment, in the Lambda relay box forward of the left-hand wheel housing

108 Relay box, Lambda
In the engine compartment, forward of the left- hand wheel housing

136 Lambda sensor
On the exhaust manifold

137 Full throttle contacts for Lambda
1984 and 1985 models: on the engine throttle housing

138 Engine speed relay (manual)
In the Lambda relay box forward of the left-hand wheel housing

139 Timing valve, Lambda
In the engine compartment, on the inside of the left-hand wheel housing member

144 Boost pressure switch
Under the facia, to the left of the steering wheel, behind the knee shield (behind the flasher relay holder)

147 Ignition pulse amplifier
In the electrical distribution box in the engine compartment, on the left-hand wheel housing

158 Negative distribution terminal
In the electrical distribution box in the engine compartment, on the left-hand wheel housing

159 Distribution terminal +15
In the electrical distribution box in the engine compartment, on the left-hand wheel housing

196 Throttle switch, zero position, Lambda
On the engine throttle housing

203 Throttle angle transmitter
1985 and 1986 models: on the throttle housing

260 Fuel shut-off solenoid valve, Lambda
On the rubber branch piece on the engine air cleaner

Operation
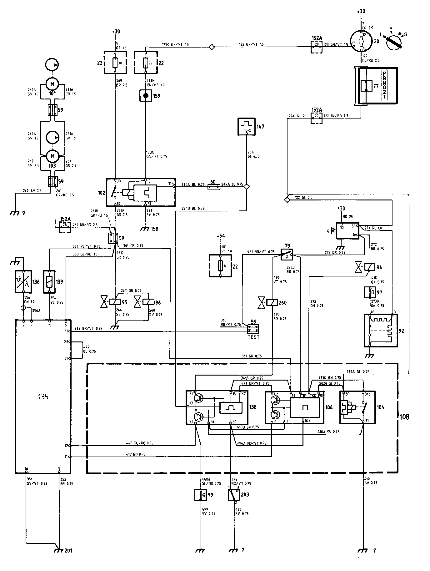
The CI (Continuous Injection) fuel system with emission control (Lambda) is of mechanical type and is used for 8-valve engines of cars delivered to the markets in the U.S.A., Canada and Japan. It consists basically of the conventional Saab CI system, although it is supplemented with equipment for more accurate adjustment of the fuel/air mixture.

The CI system
When the ignition key is turned to the start position, power will be supplied (+50) to starter motor 4 and temperature time switch 92.

If the engine is cold, i.e. if its temperature is below +45 °C, temperature time switch 92 will be closed. Starting valve 94, which is energized from terminal 16 of starter motor 4, will then be earthed. The valve will thus be open, and the engine will be supplied with additional fuel during the period when the starter motor is energized (although no longer than about 9 seconds).

When the ignition switch is in the start or drive position, fuel pump relay 102 will be energized (+15) across fuse 22. Relay 102 will be energized and fuel pumps 103 and 101, which are supplied across fuse 30, will start to run. At the same time, the heating coils in auxiliary air valve 95 and control pressure valve 96 will also be energized.

Ignition pulses will be supplied from ignition pulse amplifier 147 to the fuel pump relay and the Lambda system. If the engine should stop, the pulses will cease and the relay will then trip, thus interrupting the supply to the fuel pumps.

Lambda
The Lambda equipment includes a Lambda sensor 136 which continuously supplies information to control unit 135 on the oxygen content in the exhaust gases. On the basis of this information, and the signals received by the control unit from the various sensors and relays of the Lambda system, the control unit adjusts the quantity of fuel injected through timing valve 139. (The valve is controlled by earthing of terminal 15.)

Control unit 135 and the relays in relay box 108 are supplied across the contacts in relay 102, from terminal 87.

Time-delay relay 106 and hot start relay 104 are used during the starting stage. The relays are energized (+50) when ignition switch 20 is in the start position. The time-delay relay actuates the control unit and timing valve 139 to increase the fuel supply to the engine. The hot start relay pulses starting valve 94 even if the engine is hot on starting (i.e. if temperature time switch 92 would not normally open the valve).

Temperature switch 97 senses the engine temperature and opens at a temperature above +25 °C. The switch then disconnects valve 94.

Vacuum switch 79 is used for controlling the fuel enrichment during acceleration. If the engine is cold, the switch will open starting valve 94. If the engine is hot, a signal is applied instead to time-delay relay 106 which actuates the control unit to increase the fuel supply (active up to 2 minutes after starting).

Engine speed relay 138 (manual) is used together with solenoid valve 260 and throttle switch 203 for shutting off the fuel on overrun braking. The switch closes the earth circuit to relay 138 when the accelerator pedal is released. This function is also operative when the engine speed is in excess of about 1375 r/min. The relay is fitted only to cars with manual gearbox.

Temperature switch 99 opens at +45 °C and closes at 38 °C. Its purpose is to improve the fuel/air enrichment function, etc.

The "TEST" connector is intended for a special instrument and is used for adjusting the timing ratio. The connector is energized when the ignition switch is in the drive position.

Fault-tracing hints
The system includes several components that demand special care on fault-tracing and replacement. So read all of the instructions in the Service Manual before carrying out fault-tracing work on the components and in the wiring. C24C24