Curiosii for ever!: Car repair manuals for everyone.

Initial Inspection and Diagnostic Overview

Fig. 2 Diagnostic connector terminal identification:




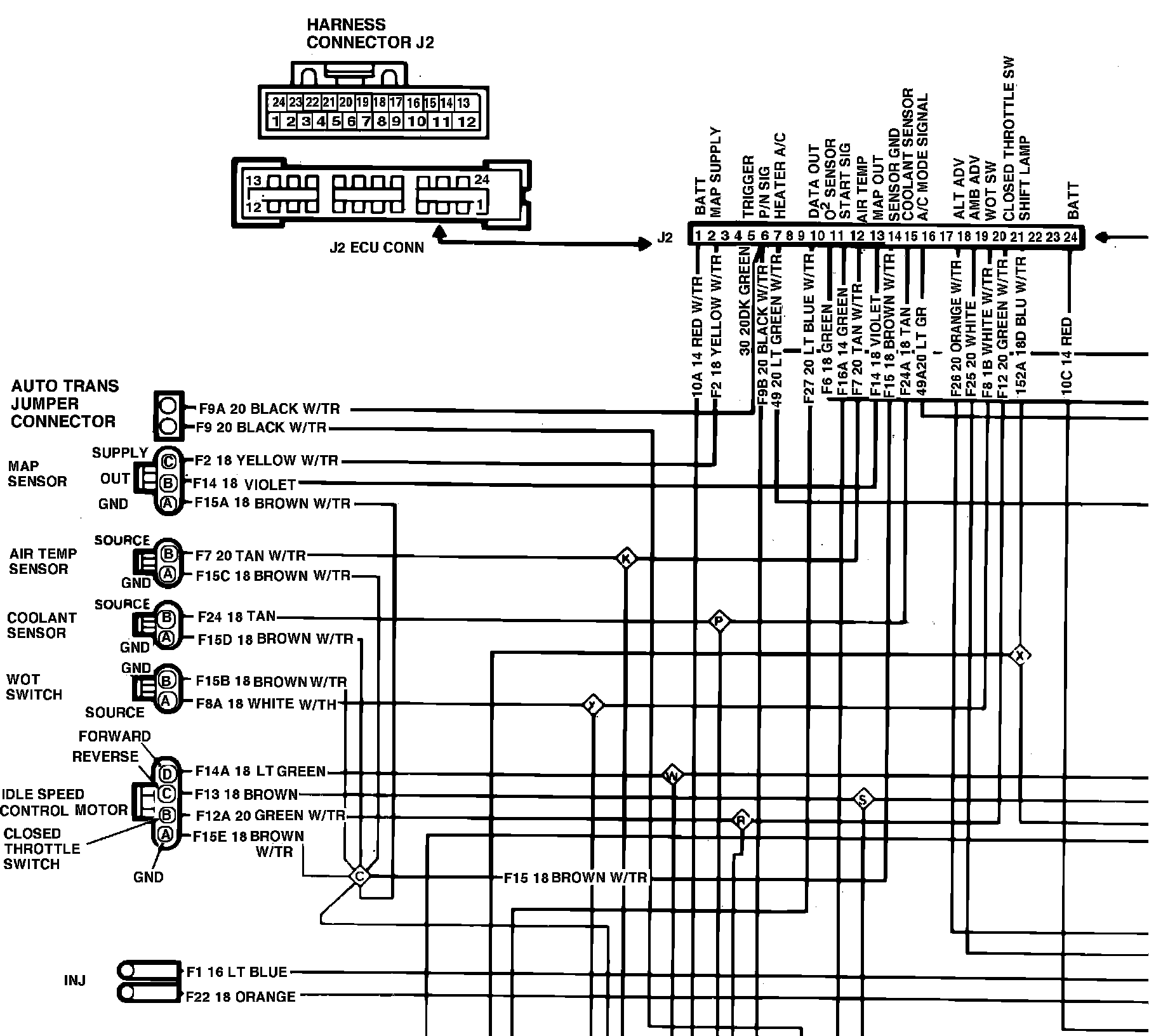
Fig. 3 ECU connector terminal identification:




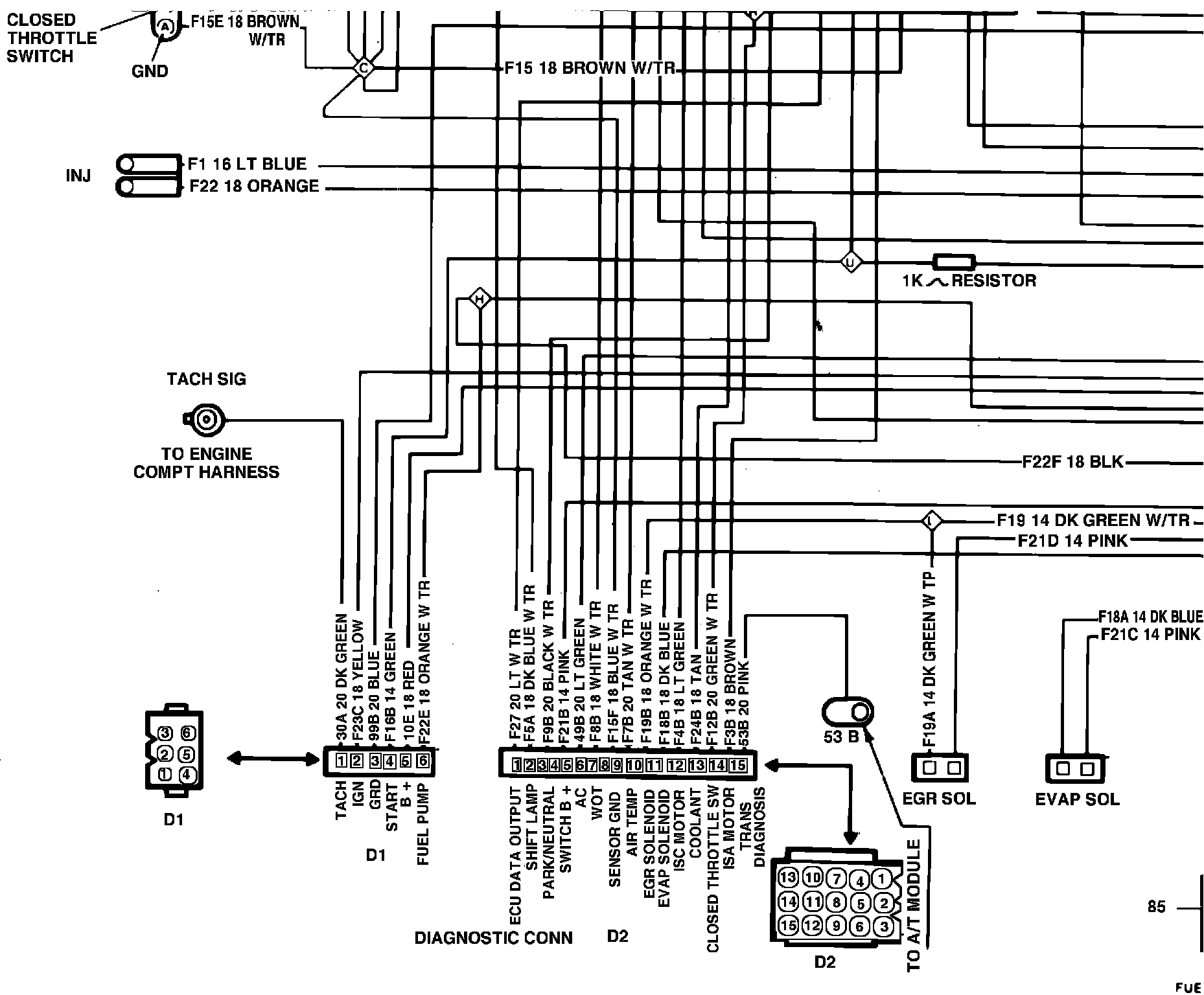
Fig. 4a Fuel injection system wiring schematic:




Fig. 4b Fuel injection system wiring schematic:




Fig. 4c Fuel injection system wiring schematic:




Fig. 4d Fuel injection system wiring schematic:






The ECU incorporates a self-diagnostic feature which provides support for troubleshooting the system by recording six possible failures, should they occur, during normal engine operation. Additional testing may then be used for specific tracing of a failure to a single component source. Multiple unrelated failures must be diagnosed individually. Test procedures may cause false interpretations of certain irregularities and consider them as ECU failures. Therefore, any suspect ECU should be tested on suitable tester before being replaced.

Poor fuel economy, erratic idle speed, power surging and excessive engine stalling are typical symptoms when the fuel system has a component failure. If the ECU is functional, service diagnostic codes can be obtained by connecting a suitable test bulb to terminals D2-2 and D2-4 of diagnostic connector, Fig. 2.

On Alliance and Encore models with code letter E in the tenth position of the VIN, connect test bulb leads to pins J2-24 and J1-G of ECU harness connector, Fig. 3, to obtain service diagnostic codes. On models with code letter D in the tenth position of VIN, follow procedure outlined above to access codes.

After installing test bulb, push WOT lever on throttle body and close ISC plunger, then have a helper turn on ignition switch while observing test lamp. If ECU is functioning normally, the test lamp should illuminate for a moment and then go off. After the initial illumination, the ECU will cycle through and flash a single digit code if any system malfunctions have been detected.

The ECU is capable of storing two trouble codes in its memory. The initial trouble will be flashed first, followed by a short pause, then the secondary trouble code. Following a somewhat longer pause after the second code, the initial code will again flash. The trouble codes and their meaning are as follows:

a. 1 flash-- manifold air/fuel temperature sensor failure.
b. 2 flashes-- coolant temperature sensor failure.
c. 3 flashes-- simultaneous WOT and closed throttle switch input.
d. 4 flashes-- simultaneous closed throttle switch and high air flow.
e. 5 flashes-- simultaneous WOT and low air flow.
f. 6 flashes-- oxygen sensor failure.

If additional testing indicates no apparent cause for the failure indicated by the ECU trouble code, an intermittent failure is likely. An intermittent failure is treated the same as a complete failure, except that marginal components must be more closely examined. If a trouble code is erased and quickly returns with no other symptoms, a defective ECU should be suspected. Testing of the ECU is advisable before replacement. If no symptom problems can be detected, a defective ECU is again likely.

The ECU trouble memory will be erased if its wiring harness is disconnected, if either battery terminal is disconnected, or if the engine is allowed to sit for more than five days without being started. The trouble code memory should be erased any time a defective component has been replaced.

The control unit electrical connector and diagnostic connectors are assigned numerals to facilitate testing and troubleshooting. These numerals do not appear on the connectors, but are used in conjunction with the system electrical schematic. Refer to Fig. 2 for diagnostic connector reference numerals, Fig. 3 for ECU electrical connector reference numerals, and Fig. 4 for system electrical schematic.