Curiosii for ever!: Car repair manuals for everyone.

Part 7


WM 1001IN Tightening torques, tightening sequences and assembly overviews

Group 24, Fuel system





Fuel distributor pipe









Injectors (high-pressure fuel injectors)









Mount for fuel distribution pipe









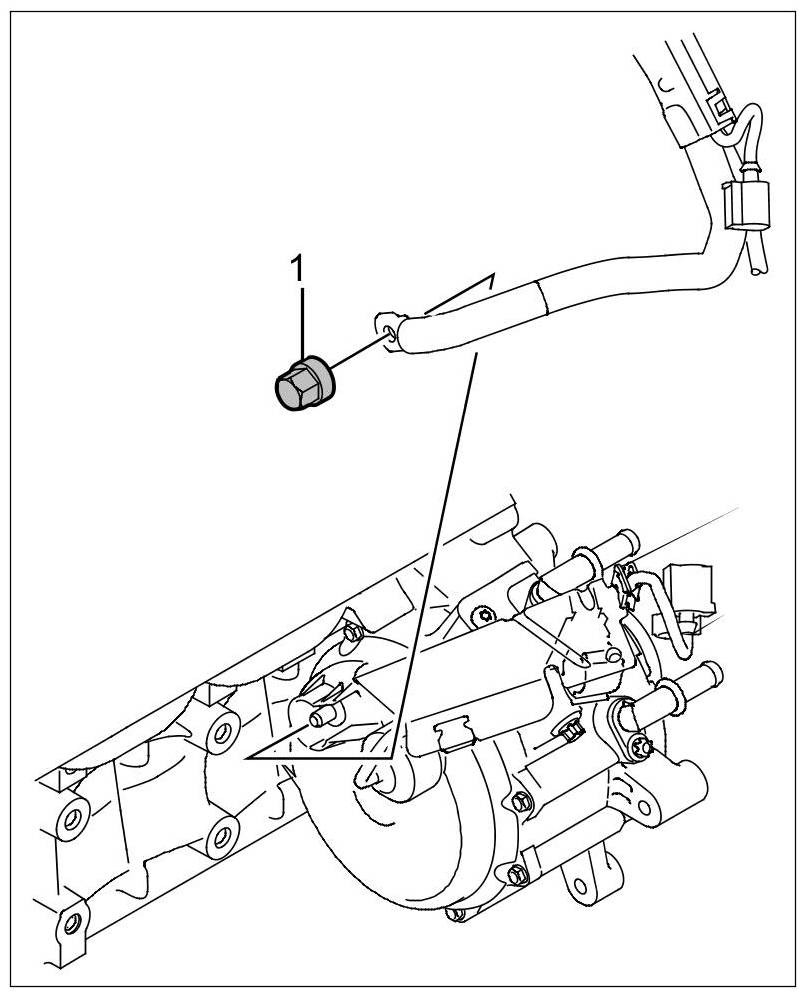
High-pressure pump, turbo engine









High-pressure pump, naturally aspirated engine









Tightening sequence for intake module applies to naturally aspirated engine and turbo engine





Intake module on naturally aspirated engine









Activating variable intake manifold on naturally aspirated engine









Intake air module on turbo engine





Group 26, Exhaust, secondary air





Tightening sequence for exhaust manifold on naturally aspirated engine, cylinders 1 to 4









Exhaust manifold seal and mount on naturally aspirated engine, cylinders 1 to 4









Exhaust manifold seal and mount on naturally aspirated engine, cylinders 5 to 8









Secondary air pump with mount





Group 27/97, Engine electrics





Temperature sensor









Engine wire harness, inner V and valve cover









Engine wire harness for timing case, valve cover and sides









Wire harness assignment, naturally aspirated engine













Wire harness assignment on turbo engines













Wire harness for starter









Generator wire harness









Generator









Starter





Group 28





Knock sensors





Group 47





Vacuum pump





Group 48





Auxiliary units









Pulleys





Group 87





Auxiliary units