Curiosii for ever!: Car repair manuals for everyone.

Part 4


WM 1001IN Tightening torques, tightening sequences, assembly overviews for engine

Group 17, Lubrication





Oil/water heat exchanger, oil filter









Applying sealant to oil guide housing









Oil guide housing with accessories









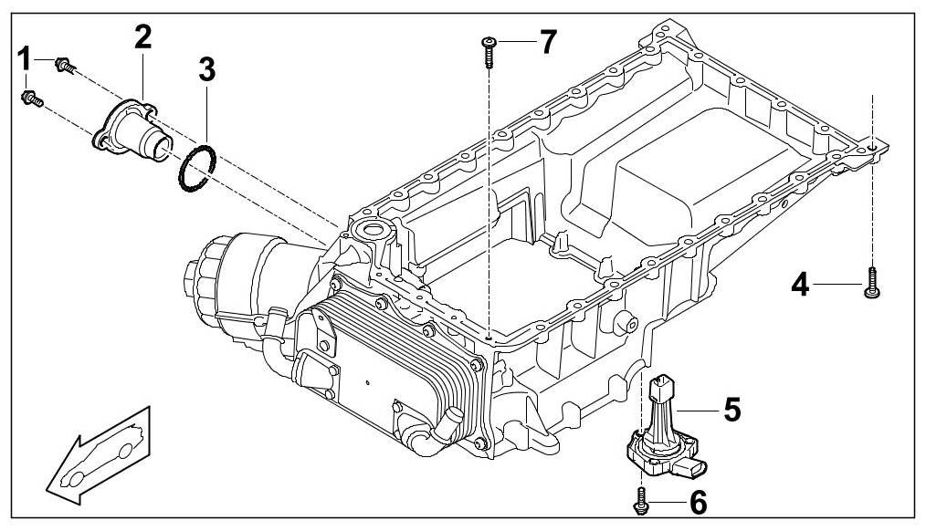
Oil pressure sensor and oil pressure measuring point









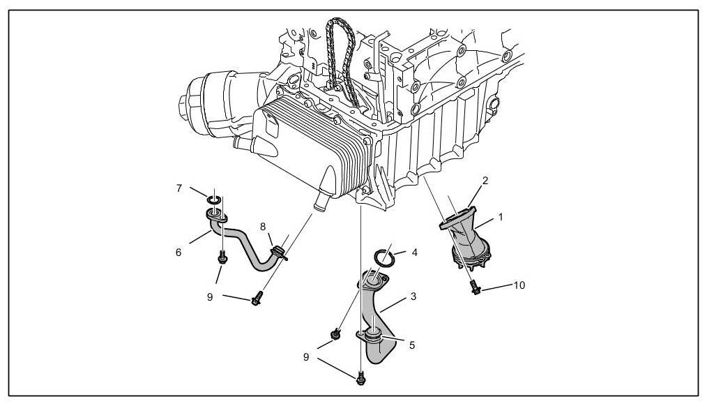
Oil lines, turbo engine









Oil lines, naturally aspirated engine









Oil lines, intake manifold on turbo engine









Oil lines, intake manifold on naturally aspirated engine









Oil pan









Oil guide (oil plate)









Oil pump on turbo engine with oil extraction stage









Oil pump on naturally aspirated engine





Group 19, Cooling





Coolant pump









Tightening sequence for coolant pump





Coolant guide









Thermostat housing and coolant regulator









Tightening sequence for thermostat housing





Coolant return line, turbo engine









Coolant return line, naturally aspirated engine









Coolant supply line, turbo engine









Coolant supply line, naturally aspirated engine









Ventilation





Group 21, Turbocharging





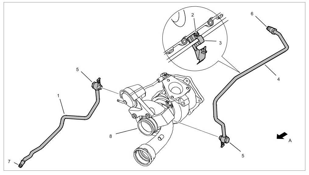
Turbocharger, cylinders 1 to 4 - cooling









Turbocharger, cylinders 5 to 8 - cooling









Oil circuit for turbocharger, cylinders 1 to 4









Oil circuit for turbocharger, cylinders 5 to 8