Curiosii for ever!: Car repair manuals for everyone.

Distance Sensor: Adjustments


WM 278515 Calibrating control unit for distance measuring sensor

Tools









Preliminary work

The distance measuring sensor must be readjusted as part of the following tasks.

1. Suspension was aligned and adjusted.
2. The distance measuring sensor (ACC sensor) control unit and/or the control unit holder was removed, replaced and re-installed.
3. The lock support was loosened.
4. The front end is damaged.
5. Fault memory entry: ACC sensor incorrectly adjusted (D00004).
5.1. The misalignment angle is outside of the range -1.5° to +1.5°.

Test prerequisites

1. The tread depth on one axle must not differ by more than 2 mm.
2. Tyre pressure of tyres in accordance with regulations (regardless of "Comfort" or "Normal" air pressure).
3. As with complete suspension alignment, make sure that there is no sliding base or turntable at the end stop during alignment.
3.1. Take the toe width and wheel base into consideration.
4. Check that vehicle weight corresponds to empty weight. Weight of the vehicle ready for driving (completely full fuel tank and water tank for the windscreen washer/headlight cleaning system, spare wheel, tool kit, jack) without driver.
5. Spare wheel, tool kit, jack must be located in the positions specified by the vehicle manufacturer.
6. Vehicle aligned correctly, having been bounced and allowed to settle multiple times.
7. Check wheel suspension, steering and steering linkage for play and damage.
7.1. Carry out repairs if necessary.
8. Adjust vehicles with levelling system (air spring) to normal level*.
8.1. *Information: Engine/ignition off, doors closed, lock the vehicle
8.2. Wait for 15 seconds (air spring corrects vehicle)
8.3. Unlock vehicle, open door and leave open during the measurement, switch on ignition

Setting up the measuring system

Information

Before driving the vehicle onto the wheel-alignment platform, check that there is sufficient space between the vehicle and the adjustment tool.

The distance between the adjustment tool and the vehicle must be approx. 120 cm.

The vehicle can be reversed onto the axle alignment platform if there is not enough floor space in front of the measuring platform.

The vehicle must be positioned with the front axle and rear axle centred on the turntables/rotary sliding plates.

Information

The sequence described has been adapted to wheel alignment system ML 5000 Porsche WE 1272 and to axle alignment system with DSP508XF sensors WE 1328.

There may be deviations when using other measuring systems.

1. Fit the instrument holder onto the wheels of the rear axle.
2. Fit the rear sensor onto the rear axle using the spoiler adapter (Beissbarth only, as a result the position of the sensors is lower).
3. Align the rear sensors at the rear axle using the spirit level and clamp the instrument holder using the wing screws.

Information

Once the vehicle and the adjustment tool have been aligned, the adjustment tool and the vehicle must not be moved.

- The vehicle stands on turntables/sliding plates that are released on one side, allowing the vehicle to be moved.

- The measurement must be repeated if the vehicle is moved on the turntables during the measurement.

- The measurement must be repeated if the adjustment tool is moved following alignment.

4. Attach the front sensors to the measuring mirror, align using the spirit level and clamp.
4.1. Centre the adjustment tool.
4.2. The distance between the adjustment tool and the vehicle should be approx. 120 cm, the distance between the adjustment tool and the distance measuring sensor should be approx. 130 cm.
4.3. The distance between the left sensor and the vehicle -Bl- should be identical to the distance between the right sensor and the vehicle -Br-.





Adjustment device setup (shown on the Panamera)

5. Switch on (initialise) the sensors.

Preparation for adjusting distance measuring sensor

1. A battery charger with a current rating of at least 40 A must be connected to the external power feed points.
2. Read out fault memory using the 2nd generation PIWIS Tester 9818, create a VAL (-> 0X03IN Creating Vehicle Analysis Log (VAL) Initial Inspection and Diagnostic Overview and rectify any faults.





Diagnostic socket

3. Adjust vehicles with levelling system (air spring) to normal level*.
3.1. *Information: Engine/ignition off, doors closed, lock the vehicle.
3.2. Wait for 15 seconds (air spring corrects vehicle).
3.3. Unlock vehicle, open door and leave open during the measurement, switch on ignition.
4. Remove cover on sensor.





Removing cover on sensor

4.1. Release cover twice at the top -arrow-.
4.2. Fold cover forwards and detach at the bottom holder.
5. Clean sensor and cover using a commercially available cleaning agent.
6. Fit the front sensors onto the adjustment device, align using the spirit levels and clamp using the wing screws and switch them on (initialise).
7. The gap between the adjustment device ]] adjustment device with reflector VAS 6430/1 WE 1362 [[ and the vehicle must be approx. 120 cm.
7.1. Position the ACC adjustment device ]] adjustment device with reflector VAS 6430/1 WE 1362 [[ at a distance of 130+/- 10 cm between the sensor lens and the mirror face ]] mirror for adjustment device VAS 6430/3 WE 1363 [[.
7.2. The distance between the left sensor and the vehicle -Bl- should be identical to the distance between the right spirit level and the vehicle -Br-.





Adjustment device setup (shown on the Panamera)

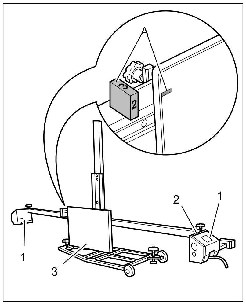
8. On the adjustment device, move the mirror into the position -2- in alignment with the marking ( -A- the number 2 on the rotary knob must point towards the vehicle).





Item 2 of adjustment device

Information

Once the vehicle and the adjustment tool have been aligned, the adjustment tool and the vehicle must not be moved.

- The vehicle stands on turntables/sliding plates that are released on one side, allowing the vehicle to be moved.

- The measurement must be repeated if the vehicle is moved on the turntables during the measurement.

- The measurement must be repeated if the adjustment tool is moved following alignment.

9. Release turntables/sliding plates on one side of the vehicle.
10. Open the corresponding menu (use operating instructions for measuring platform) in order to adjust the distance measuring sensor.
11. Before starting the adjustment process, use the laser beam -3- at the mirror on the adjustment device (for switching on the laser beam >> see operating instructions for adjustment device) to check that the laser beam strikes the sensor lens. Note:
11.1. The adjustment device is aligned (positioned) correctly if the laser beam still strikes the sensor lens even after the identical individual toe values have been set.
11.2. If the laser beam does not strike the sensor lens, the alignment of the adjustment device must be repeated.





Laser beam -3- at mirror

12. Align adjustment device at the side:
12.1. The laser beam of the adjustment device must strike the centre of the sensor lens.





Aligning adjustment device

13. Use the adjusting screws -1, 2, 3, 4, 5- on the adjustment device to level the mirror's spirit levels -A, B-.





Aligning mirror's spirit levels

14. Use the crank -arrow- on the adjustment device to adjust the mirror so that the laser beam (for switching on the laser beam >> see operating instructions for adjustment device) strikes the centre of the sensor lens on the vertical line.
15. Turn the adjustment bar on the adjustment device to the side using the adjustment screw -5- until the green indicator on the adjustment bar is displayed on the measuring platform screen.





Example of adjustment bar display





Example of Hunter display

Adjusting control unit for distance measuring sensor

1. A battery charger with a current rating of at least 40 A must be connected to the external power feed points.
2. Connect PIWIS Tester II 9818 to the vehicle and start it up.
3. Switch on ignition.
4. Select the vehicle and adaptive cruise control control unit and press >> to continue.
5. In the Adaptive cruise control menu select the Maintenance, repairs submenu and press >> to continue.
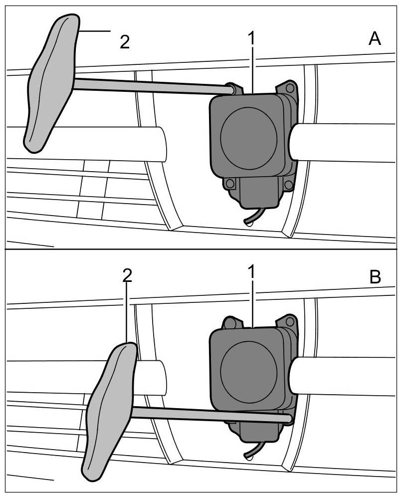
6. Follow the instructions on the Tester and, if necessary, adjust the sensor -1- using the adjusting tool T-socket wrench for ACC sensor VAS 6190/2 WE 1364 in line with the Tester specifications.





Adjusting screws for distance measuring sensor

7. The process must be repeated until the message Adjustment successful is displayed on the Tester.

Subsequent work

1. Switch off ignition and remove remote control.
2. PIWIS Tester II 9818 can now be disconnected from the vehicle.
3. Disconnect battery charger.
4. Remove sensors and instrument holders.
5. Fit cover on the distance measuring sensor control unit.





Fitting cover for ACC sensor

6. Perform a test drive and check operation of distance measuring sensor control unit.
7. Read out the fault memory for the distance measuring sensor (ACC) control unit.