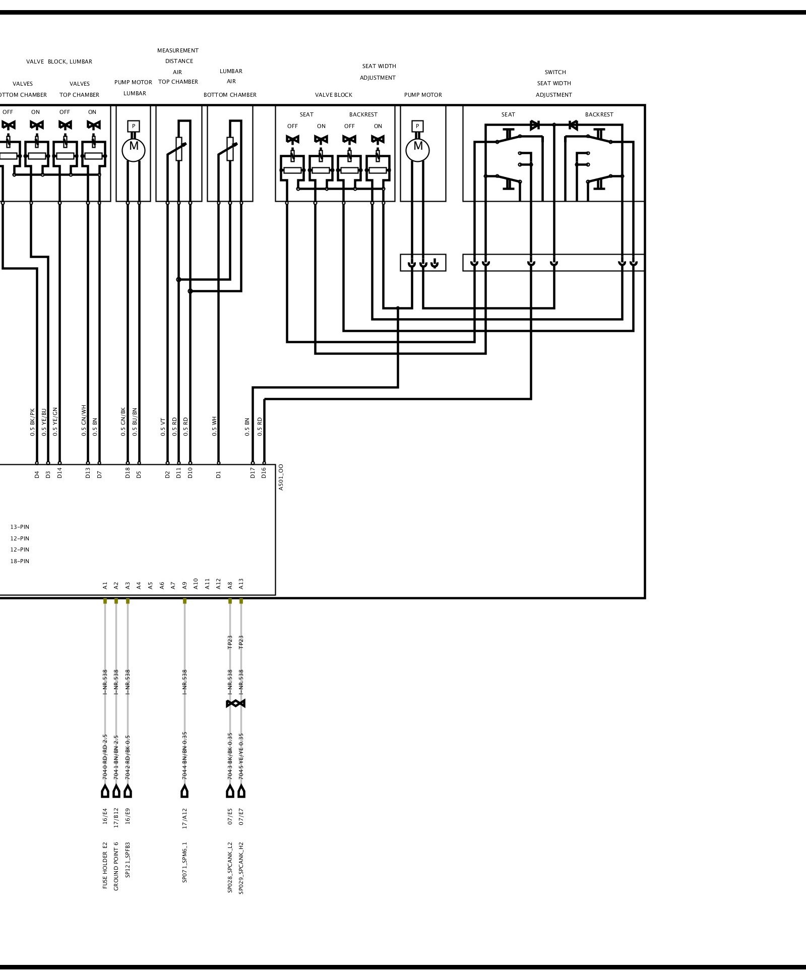
Pass.Seat Memory Control Unit - Sheet 10BM
Pass.Seat Memory Control Unit - Sheet 10BM
Pass.Seat Memory Control Unit - Sheet 10BM (Part 1):
Pass.Seat Memory Control Unit - Sheet 10BM (Part 2):
Pass.Seat Memory Control Unit - Sheet 10BM (Part 3):
Diagrams: Other diagrams referred to by name and sheet number/coordinate (i.e. "Instrument Cluster 3/C5") within these diagrams can be found at the vehicle level under Diagrams By Name. Diagrams By Name