Curiosii for ever!: Car repair manuals for everyone.

Part 4


WM 1001IN Tightening torques, tightening sequences and assembly overviews

Catches for cylinders 1 to 4









Catches for cylinders 5 to 8









Valve cover for seals, cylinders 1 to 4









Valve cover for seals, cylinders 5 to 8









Tightening sequence for valve cover for cylinders 1 to 4





Tightening sequence for valve cover for cylinders 5 to 8





Bar ignition modules and valve cover, cylinders 1 to 4









Bar ignition modules and valve cover, cylinder bank 5 to 8









Camshafts, cylinder bank 1 to 4









Camshaft mount, cylinder bank 1 to 4









Camshafts, cylinders 5 to 8









Camshaft mount, cylinders 5 to 8









Camshaft control









Camshaft identification on V8 turbo engine









Camshaft identification on V8 naturally aspirated engine









Camshaft housing identification









Timing chain and sprockets









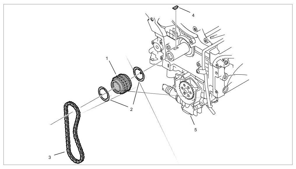
Oil pump chain drive









Timing chain and chain guide









Timing-case cover seals









Applying sealant (fill openings in metal seal)









Sealant application before valve cover installation









Tightening sequence for timing-case cover









Chain tensioner, joint flange