Curiosii for ever!: Car repair manuals for everyone.

Keyless Entry Module: Service and Repair


WM 966719 Removing and installing Kessy antenna

Technical values





Preliminary work

Preliminary work for front centre console antenna

1. Remove front section of centre console.-> 681719 Removing and installing centre console - section on "Removing" 681719 Removing and installing centre console

Preliminary work for rear centre console antenna

1. Remove rear centre console. -> 682519 Removing and installing rear centre console - section on "Removing" 682519 Removing and installing rear centre console

Preliminary work for sill cover antenna

1. Remove sill cover. -> 663119 Removing and installing sill cover - section on "Removing"

Preliminary work for luggage compartment antenna

1. Remove centre luggage compartment trim panel. -> 70061900 Removing and installing centre luggage compartment trim panel (loadspace cover) - section on "Removing"

Preliminary work for rear antenna

Information

If a trailer hitch is fitted on the vehicle, the rear apron must be removed, but otherwise it is not necessary to remove the rear apron.

1. Remove rear apron. -> 635519 Removing and installing rear apron - section on "Removing"

Information

Installation position





Installation position of Kessy antennas





Removing Kessy antenna

Removing front centre console antenna

1. Detach the two wire harnesses -1- by pulling off the holder -2- for the Kessy antenna.





Removal of Kessy antenna, front centre console

2. Unscrew the four fastening screws -3-.
3. Unscrew the two fastening screws -1-.





Removal of Kessy antenna, front centre console

4. Unplug electric plug connection -1- and remove Kessy antenna.





Removing connector

Removing rear centre console antenna

1. Unscrew the two fastening screws -1-.





Removal of Kessy antenna, rear centre console

2. Unplug electric plug connection -1- and remove antenna.





Removing connector

Removing sill cover antenna

Information

- The work steps are described for the left rear door of the vehicle and must be performed in the same way on the other doors. Any different work steps are marked/highlighted.

1. Unplug electric plug connection -1-.





Removing connector

2. Unscrew the two fastening screws -1- at the antenna -2-.





Loosening fastening screws and removing Kessy antenna

3. Remove antenna -2- and holder -3-.

Removing luggage compartment antenna

1. Unplug electric plug connection -1-.





Removing connector

2. Unscrew fastening screw -2- and remove Kessy antenna -1-.





Removing Kessy antenna

Removing rear antenna

1. Unplug electric plug connection -1-.





Removing connector

2. Unclip Kessy antenna -1- and remove it -A-.





Unclipping Kessy antenna

Installing Kessy antenna

Installing front centre console antenna

1. Insert the electric plug connection -1- until the connector engages securely.





Inserting connector

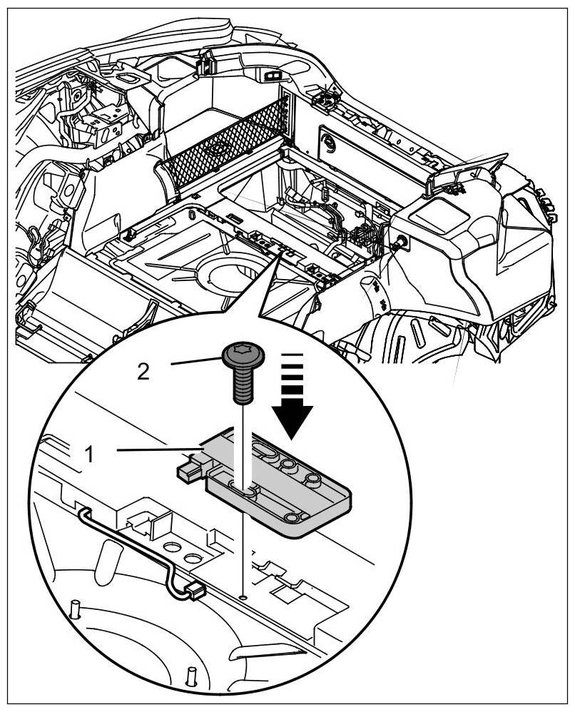
2. Position the Kessy antenna on the holder and screw in the two fastening screws -1-. => Tightening torque: 2.5 Nm (2 ftlb.)





Installation of Kessy antenna, front centre console

3. Place the holder -2- in position and screw in the four fastening screws -3-.=> Tightening torque: 3 Nm (2 ftlb.)





Installation of Kessy antenna, front centre console

4. Secure the two wire harnesses -1- on the holder.

Installing rear centre console antenna

1. Insert the electric plug connection -1- until the connector engages securely.





Inserting connector

2. Place the antenna in position and screw in the two fastening screws -1-. => Tightening torque: 2.5 Nm (2 ftlb.)





Installation of Kessy antenna, centre console

Installing sill cover antenna

Information

- The work steps are described for the left rear door of the vehicle and must be performed in the same way on the other doors. Any different work steps are marked/highlighted.

1. Position antenna -2- and holder -3- and screw in the two fastening screws -1-. => Tightening torque: 3 Nm (2 ftlb.)





Securing antenna

2. Insert the electric plug connection -1- until the connector engages securely.





Inserting connector

Installing luggage compartment antenna

1. Place antenna -1- in position and screw in fastening screw -2-. => Tightening torque: 2 Nm (1.5 ftlb.)





Securing antenna

2. Insert the electric plug connection -1- until the connector engages securely.





Inserting connector

Installing rear antenna

1. Insert antenna -1- into the holder -A- and clip it in -B-.





Clipping in antenna

2. Insert the electric plug connection -1- until the connector engages securely.





Inserting connector

Subsequent work

Subsequent work for front centre console antenna

1. Install front section of centre console. -> 681719 Removing and installing centre console - section on "Installing" 681719 Removing and installing centre console

Subsequent work for rear centre console antenna

1. Install rear centre console. -> 682519 Removing and installing rear centre console - section on "Installing" 682519 Removing and installing rear centre console

Subsequent work for sill cover antenna

1. Install sill cover. -> 663119 Removing and installing sill cover - section on "Installing"

Subsequent work for luggage compartment antenna

1. Install centre luggage compartment trim panel. -> 70061900 Removing and installing centre luggage compartment trim panel (loadspace cover) - section on "Installing"

Subsequent work for rear antenna

1. Install rear apron, if necessary. -> 635519 Removing and installing rear apron - section on "Installing"