Curiosii for ever!: Car repair manuals for everyone.

Part 2




Tightening torques, tightening sequences, assembly overviews for V8 4.8 l DFI naturally aspirated and turbo engine as of October 2008 (Continued)





Cylinder head 5 to 8

1 - Cylinder head 5 to 8
2 - Screw plug - Tightening torque: 5 Nm (3.5 ftlb.)
3 - Spark plug; when reinstalled - Tightening torque: 25 Nm (19 ftlb.)+3 Nm (+2 ftlb.) if fitting new spark plugs - Tightening torque: 30 Nm (22 ftlb.)+3 Nm (+2 ftlb.)
4 - Cylinder head gasket 5 to 8
5 - Stopper
6 - Restrictor for valve lift control - Tightening torque: 1.5 Nm (1.0 ftlb.)
7 - Stopper
8 - Lid
9 - Cylinder-head screws - For tightening specifications, see Tightening sequence for cylinder head





Tightening sequence for cylinder head

1 through 10 - 1st initial tightening - Tightening torque: 30 Nm (22 ftlb.) 2nd initial tightening - Tightening torque: 50 Nm (37 ftlb.) loosen by 2 turns - Torque angle: 720 degrees; 1st turn - Tightening torque: 30 Nm (22 ftlb.) 2nd turn - Tightening torque: 30 Nm (22 ftlb.) 3rd turn and final tightening (torque angle) - Torque angle: 110 degrees





Studs for cylinders 1 to 4, catches

1 - Screw plug - Tightening torque: 5 Nm (3.5 ftlb.)
2 - Threaded bolt - Fit with medium-strength securing liquid! For details of visible length/screw-in depth, see below
3 - Sealing ring
4 - Screw plug - Tightening torque: 15 Nm (11 ftlb.)
5 - Stopper
24-1.0 - Visible length on turbo engine: 24 mm; visible length on naturally aspirated engine: 17 mm
arrow - Oil bearing surfaces on camshafts with engine oil
- Screw plug (not shown) - instead of turbocharger oil line on naturally aspirated engine Tightening torque: 15 Nm (11 ftlb.)





Studs for cylinders 5 to 8, catches

1 - Stopper
2 - Screw plug - Tightening torque: 15 Nm (11 ftlb.)
3 - Sealing ring
4 - Threaded bolt - Fit with medium-strength securing liquid! For details of visible length/screw-in depth, see below
24-1.0 - Visible length on turbo engine: 24 mm; visible length on naturally aspirated engine: 17 mm
arrow- Oil bearing surfaces on camshafts with engine oil





Valve cover seals, cylinders 1 to 4

1 - Valve cover for cylinders 1 to 4 (align over bar ignition modules)
2 - Oil cap
3 - Aluminium screw, M6 x 20; hall sender (phase sensor); always use new aluminium screws; - Initial tightening: 4 Nm (3 ftlb.) and - Final tightening: 90 degrees
4 - Hall sender
5 - O-ring
6 - Valve cover seal
7 - Valve cover seal, inner
8 - Seal for hydraulic valve for camshaft control





Valve cover seals, cylinders 5 to 8

1 - Valve cover for cylinders 5 to 8 (align over bar ignition modules)
2 - Hall sender
3 - Aluminium screw, M6 x 20; hall sender (phase sensor); always use new aluminium screws; - Initial tightening: 4 Nm (3 ftlb.) and - Final tightening: 90 degrees
4 - O-ring
5 - Valve cover seal
6 - Valve cover seal, inner
7 - Seal for hydraulic valve for camshaft control





Tightening sequence for valve cover for cylinders 1 to 4





Tightening sequence for valve cover for cylinders 5 to 8





Bar ignition modules and valve cover, cylinder bank 1 to 4

1 - Valve cover for cylinder bank 1 to 4 (align over bar ignition modules)
2 - Bar ignition module
3 - Aluminium screw, M6 x 20; bar ignition module; always use new aluminium screws; - Initial tightening: 4 Nm (3 ftlb.) and - Final tightening: 90 degrees
4 - Aluminium screw, M6 x 30; always use new aluminium screws; - Initial tightening: 4 Nm (3 ftlb.) and - Final tightening: 90 degrees
5 - Cap
6 - Aluminium screw, M8 x 35 (on torque support); always use new aluminium screws; - Initial tightening: 10 Nm (7.5 ftlb.) and - Final tightening: 90 degrees Steel screw on eyelet!
7 - Eyelet (with steel screw) - Tightening torque: 23 Nm (17 ftlb.)
8 - sheet metal holder
A - Direction of travel
- Not shown; design cover on bar ignition modules - Tightening torque: 4.4 Nm (3.0 ftlb.)





Bar ignition modules and valve cover, cylinder bank 5 to 8

1 - Valve cover for cylinder bank 5 to 8 (align over bar ignition modules)
2 - Eyelet
3 - Eyelet (with steel screw) - Tightening torque: 23 Nm (17 ftlb.)
4 - Aluminium screw, M6 x 30; always use new aluminium screws; - Initial tightening: 4 Nm (3 ftlb.) and - Final tightening: 90 degrees
5 - Bar ignition module
6 - Aluminium screw, M6 x 20; bar ignition module; always use new aluminium screws; - Initial tightening: 4 Nm (3 ftlb.) and - Final tightening: 90 degrees
7 - sheet metal holder
8 - Cap
A - Direction of travel
- Not shown; design cover on bar ignition modules - Tightening torque: 4.4 Nm (3.0 ftlb.)





Camshafts, cylinder bank 1 to 4

1 - Camshaft (outlet)
2 - Camshaft (intake)
3 - Hydraulic valve for variable valve lift control
4 - Screw, M5 x 12 - Tightening torque: 6 Nm (4.5 ftlb.)
5 - Switching tappet (oil with engine oil)
6 - Flat-base tappet (oil with engine oil)
7 - Stopper
8 - Mounting saddle 1 to 4
9 - Stopper
10 - Bearing locations (oil with engine oil)
A - Direction of travel





Camshaft mount, cylinder bank 1 to 4

1 - Screw, M6 x 35 Tightening torque: 13 Nm (9.5 ftlb.)
2 - Housing
3 - Dowel sleeve
4 - Housing (intake)
5 - Housing (outlet)
6 - Screw, M6 x 70 Tightening torque: 13 Nm (9.5 ftlb.)
7 - Bearing surfaces (oil with engine oil)
A - Direction of travel





Camshafts, cylinders 5 to 8

1 - Switching tappet (oil with engine oil)
2 - Flat-base tappet (oil with engine oil)
3 - Camshaft (intake)
4 - Hydraulic valve for variable valve lift control
5 - Screw, M5 x 12 - Tightening torque: 6 Nm (4.5 ftlb.)
6 - Camshaft (outlet)
7 - Stopper
8 - Mounting saddle, cylinders 5 to 8
9 - Stopper
10 - Bearing surfaces (oil with engine oil)
A - Direction of travel





Camshaft mount, cylinders 5 to 8

1 - Dowel sleeves
2 - Housing (intake)
3 - Screw, M6 x 70 Tightening torque: 13 Nm (9.5 ftlb.)
4 - Housing
5 - Screw, M6 x 35 Tightening torque: 13 Nm (9.5 ftlb.)
6 - Housing (outlet)
7 - Bearing surfaces (oil with engine oil)
A - Direction of travel





Camshaft control

1 - Screw, M12 Tighten fully after setting timing. 1st turn - Tightening torque: 10 Nm (7.5 ftlb.) 2nd turn - Tightening torque: 50 Nm (37 ftlb.) final tightening (torque angle) - Torque angle: 135 degrees
2 - Hexagon sleeve
3 - Camshaft controller
4 - Washer (reusable); replace if disassembled completely
5 - Hydraulic valve for camshaft control
6 - Screw, M5 x 12 - Tightening torque: 6 Nm (4.5 ftlb.)
A - Direction of travel





Camshaft identification on V8 turbo engine M48/51

A - Cylinders 1 to 4
B - Cylinders 5 to 8
1 - Outlet camshaft identification (green)
2 - Intake camshaft identification (blue)
3 - Intake camshaft identification (blue)
4 - Outlet camshaft identification (green)





Camshaft identification on V8 naturally aspirated engine M48/01

A - Cylinders 1 to 4
B - Cylinders 5 to 8
1 - Outlet camshaft identification (green)
2 - Intake camshaft identification (white)
3 - Intake camshaft identification (white)
4 - Outlet camshaft identification (green)





Camshaft housing identification

- All markings can be read from the exhaust side/main diagram applies symmetrically for both cylinder heads
1 - Matching number for cylinder head/intake camshaft housing, cylinder 1 (El)
2 - Matching number for cylinder head/intake camshaft housing, cylinder 2 (E2)
3 - Matching number for cylinder head/intake camshaft housing, cylinder 3 (E3)
4 - Matching number for cylinder head/intake camshaft housing, cylinder 4 (E4)
5 - Matching number for cylinder head/outlet camshaft housing, cylinder 1 (Al)
6 - Matching number for cylinder head/outlet camshaft housing, cylinder 2 (A2)
7 - Matching number for cylinder head/outlet camshaft housing, cylinder 3 (A3)
8 - Matching number for cylinder head/outlet camshaft housing, cylinder 4 (A4)
Pfeil - Direction of travel





Timing chain and sprockets

1 - Double-chain camshaft drive
2 - Camshaft sprocket
3 - Screw, M12 Tighten fully after setting timing. ; 1st turn - Tightening torque: 10 Nm (7.5 ftlb.). 2nd turn - Tightening torque: 50 Nm (37 ftlb.). final tightening (torque angle) - Torque angle: 90 degrees
4 - Deflector rail
5 - Screw, M8 x 35 - Tightening torque: 32 Nm (24 ftlb.)
6 - Camshaft-to-camshaft guide pad
A - Direction of travel





Oil pump chain drive

1 - Crankshaft sprocket
2 - Friction plates/diamond washers; reusable
3 - Oil pump drive chain
4 - Drive in spring wedge with a plastic hammer
5 - Oil pump





Timing chain and chain guide

1 - Threaded peg Tightening torque: 35 Nm (26 ftlb.)
2 - Threaded peg Tightening torque: 20 Nm (15 ftlb.)
3 - Guide rail
4 - Tensioning rail
5 - Chain tensioner with seal - Tightening torque: 60 Nm (44 ftlb.)
6 - Pin (for locking the oil-pump tensioning rail)
A - Direction of travel





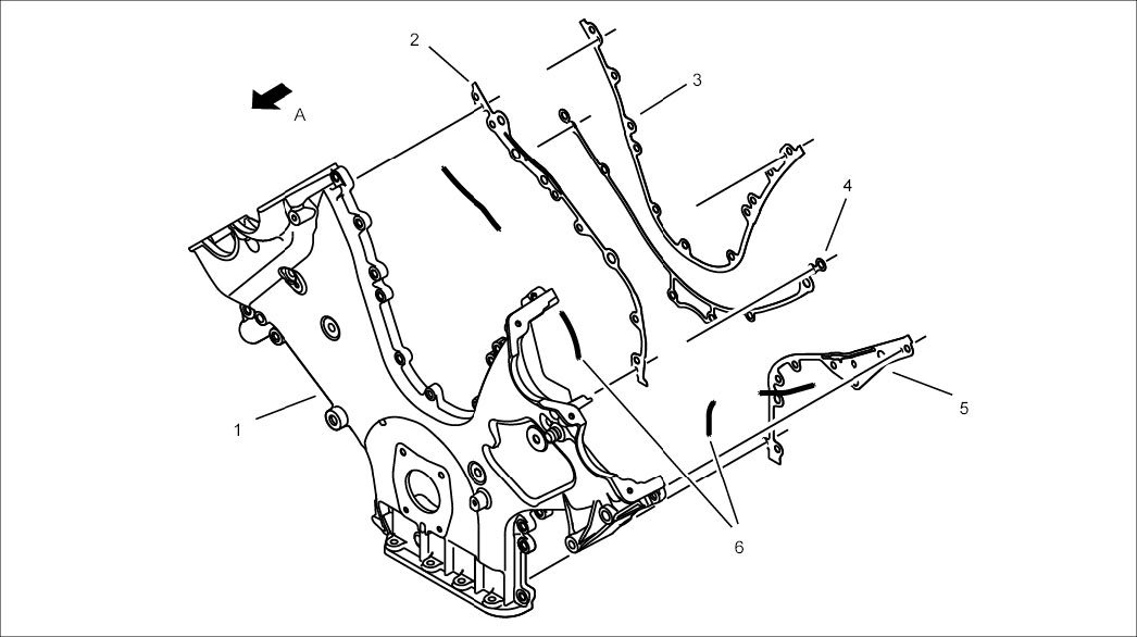
Timing-case cover seals

1 - Timing-case cover
2 - Timing-case cover seal, outer right (fill openings with sealing compound, see 6)
3 - Timing-case cover seal, inner
4 - Timing-case cover seal, rib
5 - Timing-case cover seal, outer left (fill openings with sealing compound, see 6)
6 - Applying sealant to timing chain housing; Loctite 5900 (000.043.204.35 status 10/08)
A - Direction of travel





Applying sealing compound (fill openings in sheet metal seal with sealing compound)





Tightening sequence for timing-case cover

A - Aluminium screw, M6 x 30; timing-case cover to crankcase and cylinder head; always use new aluminium screws; - Initial tightening: 4 Nm (3 ftlb.) and - Final tightening: 90 degrees
B - Aluminium screw, M6 x 55; inner timing-case cover to upper part of crankcase and cylinder head; always use new aluminium screws; Initial tightening: 4 Nm (3 ftlb.) and Final tightening: 90 degrees; outer timing case cover to cylinder head Initial tightening: 4 Nm (3 ftlb.) and Final tightening: 90 degrees
C - Aluminium screw, M8 x 55; timing-case cover (chain tensioner position) to upper part of crankcase and cylinder head; always use new aluminium screws; - Initial tightening: 10 Nm (7.5 ftlb.) and - Final tightening: 90 degrees
D - The timing-case cover must be level with the lower part of the crankcase (use steel rule or dial gauge)





Chain tensioner, sealing flange

1 - Joint flange (oil sealing lip with engine oil); align with sleeve or vibration balancer
2 - Aluminium screwM6 x 20; always use new aluminium screws; - Initial tightening: 4 Nm (3 ftlb.) and Final tightening: 90 degrees
3 - Aluminium screwM6 x 55; always use new aluminium screws; - Initial tightening: 4 Nm (3 ftlb.) and Final tightening: 90 degrees
4 - Sealing ring
5 - Chain tensioner - Tightening torque: 60 Nm (44 ftlb.)

Engine - Lubrication





Oil/coolant heat exchanger, oil filter

1 - Oil guide housing
2 - Oil-filter housing - Tightening torque: 25 Nm (19 ftlb.)
3 - Oil filter
4 - Oil-filter sealing ring
5 - Oil duct adapter (cannot be replaced)
6 - Heat exchanger seal
7 - Oil/coolant heat exchanger
8 - Screw, M6 x 20; self-tapping screws ex-works; metric screws can also be used - Tightening torque: 10 Nm (7.5 ftlb.)
A - Direction of travel

Brakes - Hydraulic brake system, regulator





Vacuum pump

1 - Vacuum pump
2 - Screw, M6 x 25 - Tightening torque: 10 Nm (7.5 ftlb.)
3 - O-ring
4 - O-ring

Intake module bolts 13.5-16.5 Nm (10-12 ftlb.)





Drive Plate Bolts
Replace bolts
Tighten new bolts in a crosswise pattern
First pass 60 Nm (44 ftlb.)
Final pass Tighten 90°