Curiosii for ever!: Car repair manuals for everyone.

Part 2



Tightening torques, tightening sequences, assembly overviews for V8 4.8 l DFI naturally aspirated and turbo engine as of October 2008 (Continued)

6 - Timing-case cover to oil guide housing Aluminum screw; always use new aluminum screws - Initial tightening: 4 Nm (3 ftlb.) and - Final tightening: 90°; oil-level sensor to oil guide housing (steel screw) - Tightening torque: 12 Nm (9 ftlb.); oil guide housing to lower part of crankcase, aluminum screw; always use new aluminum screws - Initial tightening: 4 Nm (3 ftlb.) and - Final tightening: 90°

7 - Oil-level sensor

8 - O-ring

9 - Sealing flange

10 - Screw, M6 x 20 - Tightening torque: 10 Nm (7.5 ftlb.)

11 - Screw, M6 x 16 - Tightening torque: 10 Nm (7.5 ftlb.)

A - Direction of travel





Oil pressure sensor and oil pressure measuring point

1 - Oil-pressure sensor adapter

2 - O-ring

3 - Oil-pressure sender with temperature sensor

4 - Screw, M6 x 40 - Tightening torque: 10 Nm (7.5 ftlb.)

5 - Stopper - Tightening torque: 15 Nm (11 ftlb.)

6 - Sealing ring

A - Direction of travel





Oil level measurement

1 - Oil dipstick

2 - Correct area for engine-oil fill level; the following measuring conditions must be observed: Surface must be level, oil temperature between 80 and 90°C, drip time of 3 to 4 minutes after stopping the engine, measuring tongue on oil dipstick must be clean, leave oil dipstick in guide tube for 5 seconds

3 - Upper tolerance limit (max. + 5 mm)

4 - Lower tolerance limit (max. -5 mm)

- Oil filling quantity between Min and Max marking is 1.5 liters





Oil lines on turbo engine (M48/51)

1 - Oil extraction line for turbocharger, cylinders 1 to 4

2 - Oil extraction line for turbocharger, cylinders 5 to 8

3 - Intake manifold on oil pump

4 - O-ring

5 - Oil pressure pipe

6 - O-ring

7 - O-ring, 22 x 3

8 - Oil control line

9 - O-ring

10 - O-ring

11 - Screw, M6 x 16; oil pressure pipe to oil pump and oil guide housing - Tightening torque: 12 Nm (9 ftlb.); oil control line to oil pump and oil guide housing - Tightening torque: 12 Nm (9 ftlb.); turbocharger extraction line to oil pump - Tightening torque: 12 Nm (9 ftlb.)

12 - Screw, M6 x 20 - Tightening torque: 12 Nm (9 ftlb.)

A - For arrangement of oil lines, see other illustrations

B - Direction of travel





Oil lines on naturally aspirated engine (M48/01)

1 - Oil pump intake manifold

2 - O-ring

3 - Oil pressure pipe

4 - O-ring

5 - O-ring

6 - Oil regulating line

7 - O-ring

8 - O-ring

9 - Screw, M6 x 16; oil pressure pipe to oil pump and oil guide housing - Tightening torque: 12 Nm (9 ftlb.); oil control line to oil pump and oil guide housing - Tightening torque: 12 Nm (9 ftlb.)

10 - Screw, M6 x 20 - Tightening torque: 12 Nm (9 ftlb.)





Oil lines, intake manifold on turbo engine M48/51

1 - Mount for oil extraction line for turbocharger, cylinders 1 to 4

2 - Mount for oil extraction line for turbocharger, cylinders 5 to 8

3 - Mount for oil separator vent line, cylinders 5 to 8

4 - Mount for oil pump intake manifold

6 - Mount for oil pressure pipe

9 - Mount for oil regulating line

A - Direction of travel





Oil lines, intake manifold on naturally aspirated engine M48/01

1 - Mount for oil pump intake manifold

2 - Mount for oil separator vent line, cylinders 5 to 8

3 - Mount for oil pressure pipe

4 - Mount for oil regulating line





Oil pan

1 - Oil pan with reusable seal inserted

2 - Sealing ring

3 - Oil drain plug, M18 x 1.5 - Tightening torque: 50 Nm (37 ftlb.)

4 - Screw, M6 x 20 - Tightening torque: 10 Nm (7.5 ftlb.)

A - Direction of travel





Oil guide (oil plate)

1 - Oil guide (oil plate)

2 - Oil return seal

3 - Screw, M6 x 20 - Tightening torque: 10 Nm (7.5 ftlb.)

4 - Bulkhead seal

5 - Joining socket

6 - O-ring

7 - Assembly depth until locking lug engages

A - Direction of travel





Oil pump on turbo engine M48/51 with oil extraction stage

1 - Oil pump with extraction stage

2 - Screw, M8 x 22; replace; 1st turn - Initial tightening: 20 Nm (15 ftlb.); final tightening (torque angle) - Torque angle: 90°

3 - Oil pump sprocket

4 - Cap screw, M36 x 1.5 x 12 - Tightening torque: 40 Nm (30 ftlb.)

5 - Solenoid valve

6 - O-ring (grease before fitting)

7 - Dowel sleeve

8 - Screw, M6 x 45 - Tightening torque: 13 Nm (9.5 ftlb.)

9 - Sprocket cover

10 - Screw, M6 x 16 - Tightening torque: 10 Nm (7.5 ftlb.)

11 - Drive chain

12 - Connection for intake manifold joining socket

A - Direction of travel





Oil pump on naturally aspirated engine M48/01

1 - Oil pump

2 - Screw, M8 x 22; replace; 1st turn - Initial tightening: 20 Nm (15 ftlb.); final tightening (torque angle) - Torque angle: 90°

3 - Oil pump sprocket

4 - Cap screw, M36 x 1.5 x 12 - Tightening torque: 40 Nm (30 ftlb.)

5 - Solenoid valve

6 - O-ring (grease before fitting)

7 - Dowel sleeve

8 - Screw, M6 x 45 - Tightening torque: 13 Nm (9.5 ftlb.)

9 - Sprocket cover

10 - Screw, M6 x 16 - Tightening torque: 10 Nm (7.5 ftlb.)

11 - Drive chain

Group 19





Coolant pump

1 - Coolant pump

2 - Seal; fitted in pump

3 - Screw, M6 x 25 - For details of tightening sequence, see below - Tightening torque: 10 Nm (7.5 ftlb.)

A - Direction of travel





Tightening sequence for coolant pump





Coolant guide

1 - Coolant pipe with sealing ring

2 - Coolant sensor - Tightening torque: 30 Nm (22 ftlb.)

3 - Screw, M6 x 16 - Tightening torque: 12 Nm (9 ftlb.)

4 - Screw M6 x 12 (currently not installed)

5 - Holding clamp (currently not installed)

6 - Sealing ring

7 - Screw plug, M16 x 1.5 - Tightening torque: 30 Nm (22 ftlb.)

8 - Screw, M6 x 25 - Tightening torque: 12 Nm (9 ftlb.)

9 - Collection pipe

10 - Distributor pipe seal

11 - Lid

A - Direction of travel





Thermostat housing

1 - Thermostat housing

2 - Screw, M6 x 25 - Tightening torque: 10 Nm (7.5 ftlb.)

3 - Screw, M6 x 25; screwed to fuel high-pressure distribution pipe - see relevant section

4 - Seal for thermostat housing; replace

5 - Thermostat

6 - Intake socket

A - Direction of travel





Tightening sequence for thermostat housing





Coolant return line on turbo engine M48/51

1 - Coolant pipe

2 - Coolant hose

3 - Holder

4 - Screw, M6 x 12 - Tightening torque: 10 Nm (7.5 ftlb.)

5 - Screw, M6 x 20 - Tightening torque: 10 Nm (7.5 ftlb.)

6 - Connect tab on oil/coolant heat exchanger

B - Clip on to support bracket

A - Direction of travel





Coolant return line on naturally aspirated engine M48/01

1 - Coolant pipe

2 - Coolant hose

3 - Holder

4 - Screw, M6 x 12 - Tightening torque: 10 Nm (7.5 ftlb.)

5 - Screw, M6 x 20 - Tightening torque: 10 Nm (7.5 ftlb.)





Coolant supply line on turbo engine M48/51

1 - Coolant pipe

2 - Screw, M6 x 12; coolant line to collection pipe and right engine carrier - Tightening torque: 10 Nm (7.5 ftlb.); coolant supply line to right oil feed line - Tightening torque: 10 Nm (7.5 ftlb.); coolant supply line to right turbocharger coolant line - Tightening torque: 10 Nm (7.5 ftlb.)

3 - Clip

4 - Coolant supply hose for oil/coolant heat exchanger

5 - Coolant supply hose

6 - Adapter for coolant supply line for turbocharger, cylinders 1 to 4

A - Direction of travel





Coolant supply line on naturally aspirated engine M48/01

1 - Screw, M6 x 12 - Tightening torque: 10 Nm (7.5 ftlb.)

2 - Coolant pipe

3 - Coolant supply hose

4 - Coolant hose





Ventilation

1 - Vent line

2 - Screw, M6 x 16 - Tightening torque: 10 Nm (7.5 ftlb.)

A - Direction of travel

Group 24





Fuel distribution pipe

1 - Fuel gallery

2 - Stopper; in 3 turns (tighten, loosen, tighten) - Tightening torque: 25 Nm (19 ftlb.)

3 - High-pressure sensor - Tightening torque: 20 Nm (15 ftlb.)





Injectors (high-pressure fuel injectors)

1 - Holder

2 - Screw, M8 x 30 - Tightening torque: 23 Nm (17 ftlb.)

3 - Injector (high-pressure fuel injector)





Mount for fuel distribution pipe

1 - Screw, M6 x 16 - Tightening torque: 10 Nm (7.5 ftlb.)

2 - Screw, M6 x 25 - Tightening torque: 10 Nm (7.5 ftlb.)

3 - High-pressure line connection

4 - Connection to injector (high-pressure fuel injector); in 3 turns (tighten, loosen, tighten) - Tightening torque: 25 Nm (19 ftlb.)





High-pressure pump on turbo engine M48/51, 6-piston pump

1 - High-pressure pump

2 - High-pressure line; (3 turns: tighten, loosen, tighten) - Tightening torque: 25 Nm (19 ftlb.)

3 - Low-pressure line; (3 turns: tighten, loosen, tighten) - Tightening torque: 25 Nm (19 ftlb.)

4 - Screw socket, M8 - Tightening torque: 23 Nm (17 ftlb.)

5 - Screw socket, M6 - Tightening torque: 10 Nm (7.5 ftlb.)

6 - Protective plate

7 - Screw, M6 x 20 - Tightening torque: 10 Nm (7.5 ftlb.)

8 - Screw, M6 x 25 - Tightening torque: 10 Nm (7.5 ftlb.)

A - Required line distance (5 to 8 mm) between high-pressure line and low-pressure line

- Temperature sensor; not shown, to low-pressure line - Tightening torque: 20 Nm (15 ftlb.)





High-pressure pump on naturally aspirated engine M48/01, 3-piston pump

1 - High-pressure pump

2 - High-pressure line; (3 turns: tighten, loosen, tighten) - Tightening torque: 25 Nm (19 ftlb.)

3 - Low-pressure line; (3 turns: tighten, loosen, tighten) - Tightening torque: 25 Nm (19 ftlb.)

4 - Screw socket, M8 - Tightening torque: 23 Nm (17 ftlb.)

5 - Screw socket, M6 - Tightening torque: 10 Nm (7.5 ftlb.)

6 - Protective plate

7 - Screw, M6 x 12 - Tightening torque: 10 Nm (7.5 ftlb.)

8 - Screw, M6 x 25 - Tightening torque: 10 Nm (7.5 ftlb.)

A - Required line distance (5 to 8 mm) between high-pressure line and low-pressure line

- Temperature sensor; not shown, to low-pressure line - Tightening torque: 20 Nm (15 ftlb.)





Lambda sensor on naturally aspirated engine M48/01, cylinders 1 to 4

1 - Primary catalytic converter lambda sensor - Tightening torque: 45 Nm (33 ftlb.) ±5 Nm (±3.5 ftlb.)

2 - Cable attachment

3 - Holder

4 - Screw, M6 x 12 - Tightening torque: 10 Nm (7.5 ftlb.)

5 - Cable attachment

A - View A

B - View B





Lambda sensor on naturally aspirated engine M48/01, cylinders 5 to 8

1 - Primary catalytic converter lambda sensor - Tightening torque: 45 Nm (33 ftlb.) ±5 Nm (±3.5 ftlb.)

2 - Screw, M6 x 12 - Tightening torque: 10 Nm (7.5 ftlb.)

3 - Holder

4 - Holder

5 - Holder

6 - Cable attachment

7 - Cable attachment

A - View A





Tightening sequence for intake module (shown on M48/01) valid for M48/01 and M48/51





Intake module on naturally aspirated engine M48/01

1 - Intake module

2 - Decoupling module (fastening part); observe correct tightening sequence - Tightening torque: 15 Nm (11 ftlb.)±1.5 Nm (±1.0 ftlb.)

3 - Intake module seal; check that seal is aligned and fitted correctly!

4 - Heat socket

5 - Screw, M5 x 16 - Tightening torque: 2.2 Nm (1.5 ftlb.) ±0.5 Nm (±0.5 ftlb.)

6 - Screw, M6 x 50 - Tightening torque: 8 Nm (6 ftlb.) ±0.8 Nm (±0.5 ftlb.)

7 - Electronic accelerator

8 - Seal

9 - Ball socket





Variable intake manifold actuator on naturally aspirated engine M48/01

1 - Pipe

2 - Connecting piece

3 - Variable intake manifold adjuster/adjusting unit

4 - Lip seal

5 - Connecting element

6 - Vacuum unit with cover (actuator)

7 - Screw, M5 x 16 - Tightening torque: 4 Nm (3 ftlb.)

8 - Driver

9 - Connecting rod

10 - Vacuum line





Intake air module on turbo engine M48/51

1 - Intake module

2 - Decoupling module (fastening part); observe correct tightening sequence - Tightening torque: 15 Nm (11 ftlb.)±1.5 Nm (±1.0 ftlb.)

3 - Intake module seal; check that seal is aligned and fitted correctly!

4 - Heat socket

5 - Screw, M5 x 16 - Tightening torque: 2.2 Nm (1.5 ftlb.) ±0.5 Nm (±0.5 ftlb.)

6 - Screw, M6 x 50 - Tightening torque: 8 Nm (6 ftlb.) ±0.8 Nm (±0.5 ftlb.)

7 - Electronic accelerator

8 - Seal

9 - Ball socket

Group 26





Tightening sequence for exhaust manifold on naturally aspirated engine M48/01, cylinders 1 to 4





Tightening sequence for exhaust manifold on turbo engine M48/51, cylinders 1 to 4





Exhaust manifold on turbo engine M48/51, cylinders 1 to 4

1 - Exhaust manifold

2 - Exhaust manifold seal

3 - Exhaust turbocharger seal

4 - Screw, M8 x 75 - Initial tightening: 23 Nm (17 ftlb.) - Final tightening: 30 Nm (22 ftlb.)

5 - Hexagon nut, M8; (check nuts by clicking once); observe correct tightening sequence - Tightening torque: 33 Nm (24 ftlb.) (check nuts by clicking once)

A - Marking on seal visible from outside





Exhaust manifold on turbo engine M48/51, cylinders 5 to 8

1 - Exhaust manifold

2 - Hexagon nut, M8; (check nuts by clicking once); observe correct tightening sequence - Tightening torque: 33 Nm (24 ftlb.) (check nuts by clicking once)

3 - Screw, M8 x 75 - Initial tightening: 23 Nm (17 ftlb.) - Final tightening: 30 Nm (22 ftlb.)

4 - Exhaust turbocharger seal

5 - Exhaust manifold seal

A - Marking on seal visible from outside





Exhaust manifold on naturally aspirated engine M48/01, cylinders 1 to 4

1 - Exhaust manifold

2 - Exhaust manifold seal

3 - Hexagon nut, M8; (check nuts by clicking once); observe correct tightening sequence - Tightening torque: 33 Nm (24 ftlb.) (check nuts by clicking once)

4 - Lambda sensor - Tightening torque: 45 Nm (33 ftlb.) ±5 Nm (±3.5 ftlb.)

A - Marking on seal visible from outside





Exhaust manifold on naturally aspirated engine M48/01, cylinders 5 to 8

1 - Exhaust manifold

2 - Seal

3 - Hexagon nut, M8; (check nuts by clicking once); observe correct tightening sequence - Tightening torque: 33 Nm (24 ftlb.) (check nuts by clicking once)

4 - Lambda sensor - Tightening torque: 45 Nm (33 ftlb.) ±5 Nm (±3.5 ftlb.)

A - Marking on seal visible from outside

Group 27





Engine wire harness, inner V

1 - Screw, M6 x 16 - Tightening torque: 10 Nm (7.5 ftlb.)





Engine wire harness, timing case and valve cover

1 - Screw, M6 x 12 - Tightening torque: 10 Nm (7.5 ftlb.)

2 - Screw, M6 x 16 - Tightening torque: 10 Nm (7.5 ftlb.); when using aluminum screws (partial mixed installation) - Initial tightening: 4 Nm (3 ftlb.) and - Final tightening: 90°





Engine wire harness, generator

1 - Holder - see Valve cover

G - Cable clips





Wire harness assignment

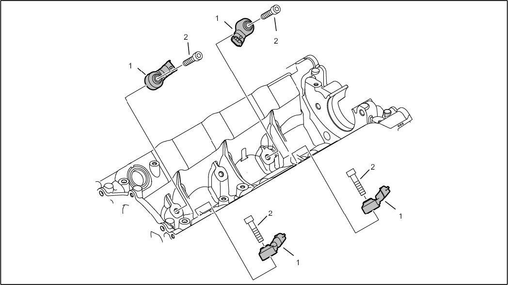
1 - Bar ignition module, cylinder 1

2 - Bar ignition module, cylinder 2

3 - Bar ignition module, cylinder 3

4 - Bar ignition module, cylinder 4

5 - Bar ignition module, cylinder 5

6 - Bar ignition module, cylinder 6

7 - Bar ignition module, cylinder 7

8 - Bar ignition module, cylinder 8

9 - Injector, cylinder 1

10 - Injector, cylinder 2

11 - Injector, cylinder 3

12 - Injector, cylinder 4

13 - Injector, cylinder 5

14 - Injector, cylinder 6

15 - Injector, cylinder 7

16 - Injector, cylinder 8

17 - Camshaft adjuster

18 - Camshaft adjuster

19 - Hydraulic valve for variable valve lift control

20 - Knock sensor

21 - Engine ground for camshaft adjuster

22 - Engine ground for camshaft adjuster

23 - Engine ground for camshaft adjuster

24 - Engine ground for camshaft adjuster

25 - Speed sensor

26 - Hall sender (phase sensor)

27 - Hall sender (phase sensor)

28 - Knock sensor

29 - Knock sensor

30 - Knock sensor

31 - Knock sensor

32 - Tank vent

33 - Generator

34 - Crankcase heating

35 - Flow control valve

36 - Oil pressure regulating valve

37 - Water temperature sensor

38 - Air conditioning compressor

39 - Oil-level sensor

40 - Oil-pressure sender with oil temperature sensor

41 - Electronic accelerator

42 - High-pressure sensor

43 - Starter, terminal 50

44 - Starter, terminal 30

45 - Starter, terminal 30

46 - Generator, B+

47 - Transfer point on vehicle, B+

48 - Intake manifold switch-over valve

49 - Vehicle/engine connection point

50 - Vehicle/engine connection point

51 - Direct Fuel Injection (DFI) control unit

52 - Body ground

53 - Clutch protection connection point

54 - Dummy plug for clutch protection

55 - Boost pressure sensor (Turbo)

56 - Boost pressure cycle valve (Turbo)

57 - Wastegate change-over valve (Turbo)

A - Direction of travel





Wire harness for starter

1 - Nut, M8 - Tightening torque: 18 Nm (13 ftlb.)

2 - Nut, M6 - Tightening torque: 8.5 Nm (6.5 ftlb.)





Wire harness for generator

1 - Cap nut, M8 - Tightening torque: 18 Nm (13 ftlb.)

2 - Screw, M6 x 16 - Tightening torque: 10 Nm (7.5 ftlb.)

3 - Heat shield





Generator

1 - Generator

2 - Screw, M8 x 95 - Tightening torque: 23 Nm (17 ftlb.)

3 - Screw, M8 x 35 - Tightening torque: 23 Nm (17 ftlb.)

4 - Bores for screws, M8 x 95

A - View





Starter

1 - Starter

2 - Screw, M10 x 45 - Tightening torque: 45 Nm (33 ftlb.) +8 Nm (+6 ftlb.)

Group 28





Knock sensors

1 - Knock sensor

2 - Screw, M8 x 35 - Tightening torque: 23 Nm (17 ftlb.)

Group 47





Vacuum pump

1 - Vacuum pump

2 - Screw, M6 x 25 - Tightening torque: 10 Nm (7.5 ftlb.)

3 - O-ring

4 - O-ring

Group 48





Auxiliary units

1 - Air conditioning compressor

2 - Screw, M10 x 100

3 - Screw, M8 x 10

4 - Holder

5 - Screw, M8 x 20; tandem pump to bracket for auxiliary units - Tightening torque: 23 Nm (17 ftlb.); power-steering pump to bracket for auxiliary units - Tightening torque: 23 Nm (17 ftlb.)

6 - Tandem pump

7 - Screw, M8 x 35; power-steering pump to adapter bracket - Tightening torque: 23 Nm (17 ftlb.); tandem pump/adapter bracket to bracket for auxiliary units - Tightening torque: 23 Nm (17 ftlb.)

8 - Power-steering pump

9 - Aluminum screw, M8; always use new aluminum screws - Initial tightening: 10 Nm (7.5 ftlb.) and - Final tightening: 90°

10 - Support bracket

11 - Dowel sleeve





Pulleys

1 - Water pump pulley

2 - Screw, M8 x 16 - Tightening torque: 23 Nm (17 ftlb.)

3 - Vibration damper

4 - Screw, M18 x 1.5 x 72; use new screw; - Tightening torque: 20 Nm (15 ftlb.) - Tightening torque: 50 Nm (37 ftlb.) - Tightening torque: 100 Nm (74 ftlb.) - Torque angle: 180°

5 - Pulley on power-steering pump

6 - Screw, M8 x 16 - Tightening torque: 23 Nm (17 ftlb.)

7 - Tandem pump pulley

Group 87





Auxiliary units

1 - Air conditioning compressor

2 - Screw, M10 x 100 - Tightening torque: 46 Nm (34 ftlb.)

3 - Screw, M8 x 100 - Tightening torque: 23 Nm (17 ftlb.)

4 - Holder

5 - Screw, M8 x 20

6 - Tandem pump

7 - Screw, M8 x 35

8 - Power-steering pump

9 - Aluminum screw, M8 - Initial tightening: 10 Nm (7.5 ftlb.) and - Final tightening: 90°

10 - Support bracket

11 - Dowel sleeve