Curiosii for ever!: Car repair manuals for everyone.

Control Unit Function - CD Changer

Control unit function - CD changer

Terminating resistors on the CAN
Terminating resistors are fitted to each end of the wiring to prevent reflection on the wiring. These terminating resistors are integrated into each control unit. The interconnection prevents the resistors from being measured with the ohmmeter from the outside.

CAN Infotainment
Communication between the Porsche System Tester II No. 9588 and the MOST control units only takes place via the K lead to the instrument cluster. The data is transferred from the instrument cluster gateway to the MOST control units, via CAN Comfort to the PCM2 gateway, via the electrical MOST in the PCM2 and via the optical MOST outside of the PCM2.

CD changer (CDC)
The CDC is available as an optional feature and is linked to the PCM2 via the optical waveguide.

Coding table









Coding
It is possible to extract the PCM2 code and to code the PCM2 on a country-specific basis in the 'Modify coding' menu.















Data transfer fault
If faults are detected when the data is decoded, this is known as a data transfer fault. The faults can arise when the data is encoded, when the data is transferred through an input level that is optically too low or when the data is decoded. A fault entry is not recorded.

Ring break diagnosis line
The ring break diagnosis line is an electrical lead, which, as a stub cable, connects the individual MOST control units in the system with one another. The existing MOST control units are checked at regular intervals during communication with the control units via the electrical/ optical MOST.

Function of the components






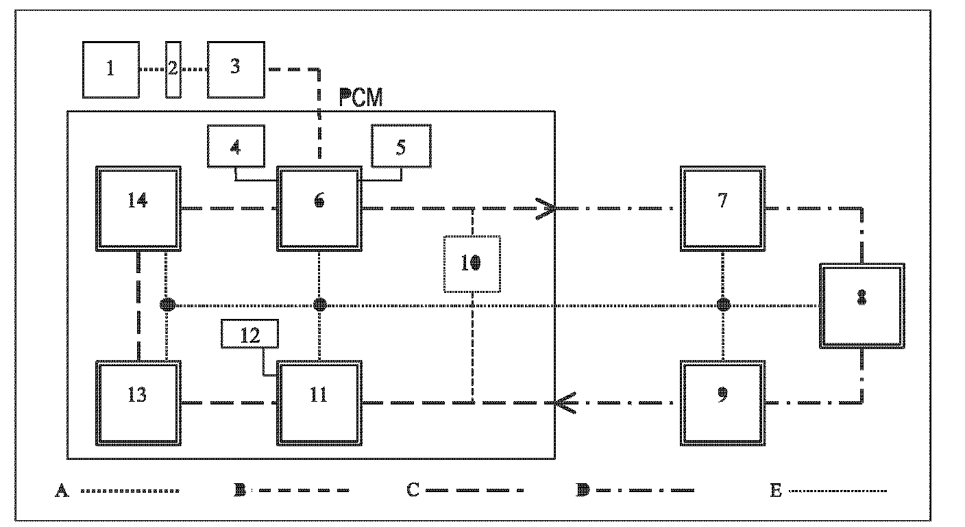
A - K lead
B - CAN Infotainment
C - Electrical MOST (internal)
D - Optical MOST (external)
E - MOST diagnosis lead
1 - Porsche System Tester II No. 9588
2 - Diagnostic box
3 - Instrument cluster (gateway)
4 - PCM2 (internal amplifier)
5 - PCM2 (tuner)
6 - PCM2 (gateway) (MOST nodes)
7 - External amplifier (MOST nodes)
8 - CDC (CD changer) (MOST nodes)
9 - Telephone/telematics (MOST nodes)
10 - PCM2 (MOST switch)
11 - MMI (Man Machine Interface) (MOST nodes)
12 - PCM2 single CD
13 - Navigation (MOST nodes)
14 - VOCS (voice control system) (MOST nodes)

Gateway
The gateway is integrated in the PCM2/CDR23. Together with the MMI, it is a fixed component of each PCM2/CDR23. It provides a connection to CAN Comfort via its nodes. Diagnostic and useful data is exchanged with the CAN via these nodes.

It creates links to the following systems:
- CAN Comfort
- Media Oriented Systems Transport (MOST), external bus (optical)
- Amplifier optional (Harman or BOSE)
- CD changer
- Telephone/telematics

Applies only to PCM2:
- Media Oriented Systems Transport (MOST), internal (electrical)
- Voice control system (VOCS) (optional/insertion)
- Navigation (optional/insertion)
- Man Machine Interface (MMI)
- Single CD

Identification
The diagnosis software number and the part numbers for the PCM2 can be read out under this menu item.
1. Connect and start the Porsche System Tester II No. 9588 and switch on the ignition.
2. Select 'Cayenne' in the Vehicle type menu and confirm with the [>>] key.
3. Select 'PCM2' in the Control units menu and confirm with the [>>] key.
4. Select 'Identification' in the Cayenne PCM2 function selection and confirm with the [>>] key.
5. "Diagnosis software number; PCM2 parts number" appears on the display.

Actual installed components list/required installed components list
All MOST control units that are connected to the PCM2 are entered in the 'required installed components list'. An actual installed components list is written and saved when the PCM2 is started.

Actual values
It is possible to read out the unlock counter under the 'Actual values' menu item.






Lock/unlock
A lock occurs when the signal sent from the MMI via the wake-up/ ring break diagnosis line is understood and answered by the connected MOST control units; this results in a 'lock (connection)'. The lock is maintained until the signal disappears, i.e. an 'unlock' occurs.

Man Machine Interface (MMI)
The MMI is part of the PCM2 (on the main board). It runs the gateway commands via the wake-up signal line and the distribution line diagnosis.

MOST - optical/electrical
MOST signals are transferred electrically within the PCM/CDR23 and optically outside of the PCM/CDR23. Internally, the PCM2 consists of at least 2 nodes (GW and MMI), which are installed in the device and can also be expanded to four nodes by adding the navigation and VOCS nodes. Internally, the CDR23 consists of one node (GW) which is installed in the CDR23.

The data is transferred outside of the PCM2 via the optical waveguide, which creates a connection to the nodes in the external MOST control units such as external amplifiers, CD changers, and/ or telephone/telematics (depending on the equipment). The data is transferred outside of the CDR23 via the optical waveguide, which creates a connection to the nodes in the external MOST control units such as external amplifiers and/or CD changers (depending on the equipment). The gateway node represents the connection to CAN Comfort.

MOST switch
The MOST switch is part of the PCM2. It keeps the electrical MOST closed if no other MOST control unit is optically connected to the MOST. The MOST switch is opened when a light signal is received from the connected MOST control units.

NOTE:
- When the PCM2 is replaced, the coding must be performed in accordance with the connected MOST control units.
- When the 'Switch closed' parameter is set, the switch remains closed even in existing MOST control units. Communication is then not possible.

Navigation
The navigation module is designed as a module box, which can be inserted in the PCM2 as an option. After the insertion, an electronic switch is opened automatically and the module is integrated into the MOST ring.

Input signals
The following queries can be run using this menu item:
- 3dB lowering

NOTE: Deactivate the 'automatic traffic announcement' before performing the diagnosis on the PCM2. If this is not done, the diagnosis will abort.






Single CD
The CD player is part of the PCM2. It is used to update the navigation system.

Voice control system (VOCS)
The VOCS is designed as a module box which can be pushed into the PCM2 (optional). After the insertion, an electronic switch is opened and the module is integrated into the MOST ring.

PCM2 control unit (head unit)
The PCM2 control unit (head unit) includes the following components:

Internal:
PCM2 gateway
PCM2 Man Machine Interface (MMI)
Internal amplifier (optional, depending on the equipment)
Tuner
Single CD
Navigation (optional/insertion)
VOCS (voice control system) (optional/insertion)
Controller Area Network (CAN) Comfort
MOST switch

External:
External amplifier (optional, Harman or BOSE)
CD changer (CDC), (optional)
Telephone/telematics (optional)

The PCM2 consists of at least two but a maximum of four MOST nodes, (Gateway, MMI and Navigation and VOCS (optional)), which communicate with each other electronically via the MOST. Data is transferred outside of the PCM2 via the optical MOST.

Telephone/telematics
The telephone/telematics feature is available as an option and is linked to the PCM2 via the optical waveguide.

Tuner
The tuner is part of the PCM2 (on the main board).

Unlock counter
Interruptions occur in the system if perfect communication is no longer possible. If the relevant threshold values are exceeded, an entry is recorded in the appropriate control unit and the 'unlock counter' is incremented.

External amplifier
The external amplifier (Harman or BOSE) is available as an optional feature and is linked to the PCM2 via the optical waveguide.

Internal amplifier
The internal amplifier is part of the PCM2 (installed on the main board).

Wake-up function
In an idle state, all control units that are connected to the PCM2 are in sleep mode. When the PCM2 is switched on, 'the light' which is reinforced by the connected MOST control units and forwarded is switched on via the gateway.