Curiosii for ever!: Car repair manuals for everyone.

Exterior Lighting Module: Service and Repair



944919 Removing And Installing Front Control Unit

Tools







Preliminary work

Preliminary work - front control unit
Remove luggage compartment lining in the area around the front control unit.

Removing front control unit


Installation Position Diagram For The 997:






If a new control unit has to be installed, read out as much of the data from the old control unit as possible using the PIWIS Tester 9718.

WARNING: Risk of damage to electronic control modules.
- If care is not taken, electrical and electronic components may be destroyed.
- Before removing the control module, switch off the ignition and remove the ignition key.

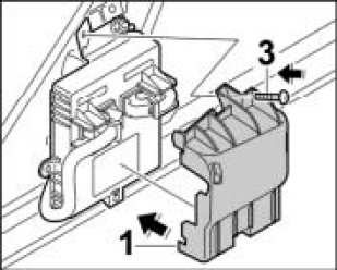
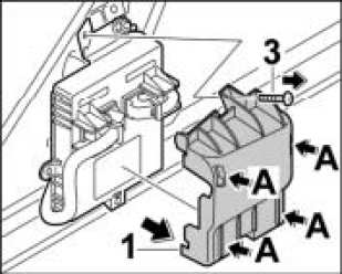
1. Unscrew fastening screw -3-.


Removing The Cover:






2. Push a screwdriver into the openings -A- and unclip the four clips holding the cover -1-.
3. Release and unplug both electric connectors -A- and disengage the left and right electric lines on the control unit.


Electric Plug:






4. Unscrew the fastening nuts -2-, lift up the control unit and detach it.


Detaching Control Unit:






Installing front control unit

WARNING: Risk of damage to electronic control modules.
- If care is not taken, electrical and electronic components may be destroyed.
- Before removing the control module, switch off the ignition and remove the ignition key.

1. Engage the front control unit in the body and screw down with the fastening nut -2-. M6 7.2 ftlb.


Attaching Control Unit:






2. Push in the electric plug and lock it so that it is felt to engage.


Plugging In And Locking Electric Plug:






3. Clip in left and right electric lines to the control unit.
4. Position the cover -1- and push it in until it snaps into place in the four clips.


Positioning The Cover:






5. Screw down cover with the fastening screw -3-.
6. If a new control unit has been installed, it must be programmed in the vehicle.

Subsequent work

Subsequent work - front control unit
Secure luggage compartment lining in the area around the front control module.

Programming front control unit

Reading out and printing out values

WARNING: Sudden voltage interruption of the power supply to the control module.
- Destruction of the control module.
- During programming, it is essential to guarantee the power supply for the Porsche System tester. It is essential to connect a battery charger with a current rating of at least 40 A to the vehicle battery.
- Prior to disconnecting the control module, switch off the ignition and remove the ignition key.

NOTE:
Follow the instructions on the Tester.
Later versions of the software may display slightly different text or require a slightly different procedure. The instructions you receive from the tester itself take precedence over this description.
1. Connect the Porsche System Tester to the vehicle and start the System Tester. Switch on the ignition. ">>" Continue.
2. Select Vehicle type.
3. Move from Vehicle type to Control units ">>".
4. Select the required Control unit with the cursor keys and press the ">>" key.
5. Select Control unit replacement with the cursor keys and press the ">>" key.
6. Select Read out values (codings) with the cursor keys and press the ">>" key.
7. The message Codes successfully read out appears on the screen of the Porsche System Tester. Press ">>".
8. Switch off ignition and replace control unit.
9. Switch on ignition. After replacement of the control unit, the data previously read out (see Item 6) is reloaded under the menu Write in codes. Press ">>".
10. System Tester displays Coding write-in complete. Press the ">>" key.
11. Quit menu, read out all control units and erase fault memory.
12. In the control unit Front end, perform the menu Calibration.
13. Check adjustment of headlights and adjust if necessary.

Coding (programming) the control unit

WARNING: Sudden voltage interruption of the power supply to the control module.
- Destruction of the control module.
- During programming, it is essential to guarantee the power supply for the Porsche System tester. It is essential to connect a battery charger with a current rating of at least 40 A to the vehicle battery.
- Prior to disconnecting the control module, switch off the ignition and remove the ignition key.

NOTE:
Follow the instructions on the Tester.
Later versions of the software may display slightly different text or require a slightly different procedure. The instructions you receive from the tester itself take precedence over this description.
1. Connect the Porsche System Tester to the vehicle and start the System Tester. Switch on the ignition ">>" Continue.
2. Select Vehicle type, select the menu Special functions, start Vehicle handover and follow the instructions on the Tester.
3. Erase All fault memories.
4. Using the ">>" key, move from the vehicle type to the list of control units. Perform the automatic control unit search.
5. Select the Front end control unit with the cursor keys and press the ">>" key.
6. Select Coding with the cursor keys and press ">>".
7. Select the version required for the vehicle in question and follow the instructions on the Tester.
8. Read out and erase fault memory.
9. In the control unit Front end, perform the menu Calibration.
10. Check adjustment of headlights and adjust if necessary.