Removal and Replacement
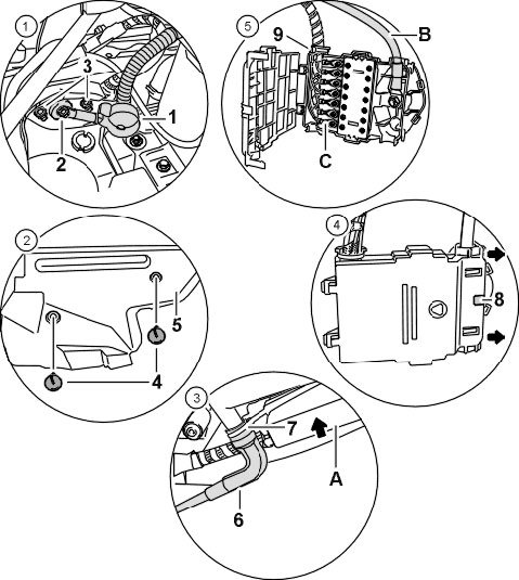
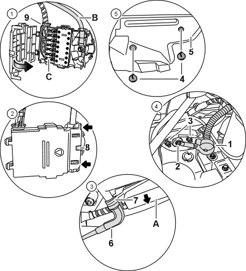
Removing And Installing Current Distributor
Removing current distributor
Installing the current distributor
INFORMATION:
- The following spare parts must be installed again:
- Hexagon nut M 6, 7 pieces
- Hexagon nut M 8, 2 pieces
- Service label, red
- Depending on condition, flange seal current distributor/firewall
- Tie-wraps